IMA3/IMA4 2020/2022 P1

De Wiki de Projets IMA

Présentation générale

L’énergie éolienne représente une part de 6% de la production de l’énergie à l’échelle nationale. Cette énergie est l'énergie du vent, dont la force motrice est utilisée dans le déplacement de voiliers et autres véhicules ou transformée au moyen d'un dispositif aérogénérateur, comme une éolienne. L'énergie éolienne est une source d'énergie renouvelable propre et sans pollution, ainsi ses perspectives de développement en tant que nouvelle source d'énergie sont très larges. Le principe d'une ferme éolienne est de convertir l'énergie cinétique du vent en énergie mécanique, puis de convertir l'énergie mécanique en énergie électrique. Le principe de la production d'énergie éolienne est d'utiliser le vent pour entraîner les pales de l'éolienne à tourner, puis d'augmenter la vitesse de rotation grâce à un multiplicateur de vitesse pour favoriser la production d’électricité par le générateur. Le vent étant un élément incontournable dans l'étude des éoliennes. La force et la vitesse du vent sont des grandeurs qu’il faut prendre en compte pour optimiser l’extraction de puissance, donc il est important de savoir dans quelle mesure on peut, par des outils informatiques et expérimentaux, simuler l’action imprévue du vent. Le projet consiste à émuler en HIL- Hardware In the Loop- (reproduire en mixant software et hardware) le comportement d’une éolienne à l’aide d’un moteur électrique contrôlé en couple et en vitesse. Il est couplé mécaniquement à une génératrice synchrone à excitation réglable.


Figure 1: Principe d’un aérogénérateur électrique

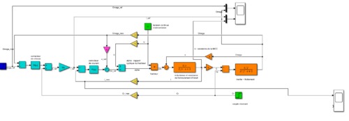
Travail effectué semestre 6

Nous avons travaillé sur la commande en couple et en vitesse du moteur à courant continu. Ce moteur a pour but d’entraîner la génératrice et de reproduire le même couple C que l’éolienne.

Figure 2: Schéma bloc semestre6


Description

Fonctionnalités et Solutions adoptées