IMA3/IMA4 2020/2022 P1

De Wiki de Projets IMA

Présentation générale

L’énergie éolienne représente une part de 6% de la production de l’énergie à l’échelle nationale. Cette énergie est l'énergie du vent, dont la force motrice est utilisée dans le déplacement de voiliers et autres véhicules ou transformée au moyen d'un dispositif aérogénérateur, comme une éolienne.

L'énergie éolienne est une source d'énergie renouvelable propre et sans pollution, ainsi ses perspectives de développement en tant que nouvelle source d'énergie sont très larges. Le principe d'une ferme éolienne est de convertir l'énergie cinétique du vent en énergie mécanique, puis de convertir l'énergie mécanique en énergie électrique. Le principe de la production d'énergie éolienne est d'utiliser le vent pour entraîner les pales de l'éolienne à tourner, puis d'augmenter la vitesse de rotation grâce à un multiplicateur de vitesse pour favoriser la production d’électricité par le générateur. Le vent étant un élément incontournable dans l'étude des éoliennes. La force et la vitesse du vent sont des grandeurs qu’il faut prendre en compte pour optimiser l’extraction de puissance, donc il est important de savoir dans quelle mesure on peut, par des outils informatiques et expérimentaux, simuler l’action imprévue du vent.

Le projet consiste à émuler en HIL- Hardware In the Loop- (reproduire en mixant software et hardware) le comportement d’une éolienne à l’aide d’un moteur électrique contrôlé en couple et en vitesse. Il est couplé mécaniquement à une génératrice synchrone à excitation réglable.


Figure 1: Principe d’un aérogénérateur électrique

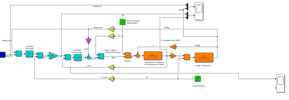
Travail effectué semestre 6

Nous avons travaillé sur la commande en couple et en vitesse du moteur à courant continu. Ce moteur a pour but d’entraîner la génératrice et de reproduire le même couple C que l’éolienne.

Figure 2: Schéma bloc semestre6


Objectifs semestre 7

Pour la suite du projet, nous ajouterons la génératrice à courant continu pour ainsi avoir le circuit complet en monophasé. Ensuite, nous utiliserons la maquette composée d’un moteur à courant continu et d’une génératrice à courant continu pour comparer les résultats obtenus lors de la simulation, en ajustant les échelles.

Ensuite, nous changerons la génératrice à courant continu par une machine synchrone fonctionnant en génératrice. En effet, la génératrice à courant continu a un rendement qui est très faible, comparé à l’association génératrice synchrone avec redresseur/ondulateur. En utilisant cette machine, nous avons une tension qui est triphasée. La tension de sortie de notre circuit doit être de 230V soit le réseau EDF, nous allons devoir abaisser la tension. Cette tension à la sortie de la machine synchrone est alternative, nous utiliserons un redresseur pour passer à une tension continue, cette tension passera ensuite dans un hacheur abaisseur de tension en série pour la diminuer à 230V. Le réseau EDF est une tension alternative ainsi pour obtenir de nouveau un régime alternatif nous utiliserons un onduleur. Cet onduleur triphasé nous permettra de maîtriser parfaitement la fréquence de sortie pour avoir une fréquence de 50 Hz.

Travail semestre 7

Génératrice

Nous devons ajouter la génératrice à courant continu qui va nous permettre de convertir une énergie mécanique en une énergie électrique et ainsi obtenir en sortie de notre système une tension. Pour cela nous modélisons la génératrice à courant continu.

Figure 3: Génératrice à courant continu

Théorie :

Nous obtenons les équations électriques et mécaniques suivantes : Equation électrique : u(t)=e(t)-R.i(t)-Ldi/dt ce qui donne U(p)=E(p)-R.I(p)-Lp.I(p) ainsi I(p)/(U(p)-E(p))=-1R1+LRp toujours avec E=ke.

Equation mécanique J.domega(t)/dt=-Cm(t)-Cs(t)-f(t) soit CM(p)+CS(p)=J.p.omega(p)-f(p) et omega(p)/(CM(p)+Cs(p))=-1f1+Jfp avec Cm=km.I


Modélisation:

Concernant la partie mécanique, nous n’avons pas ajouté de bloc supplémentaire. Nous avons modifié les valeurs dans le bloc de la fonction de transfert mécanique de la mcc2. En effet, nous avons ajouté la valeur du couple résistant moteur de la mcc1 J.domega(t)/dt=Cm1(t)-Cm2(t)-Cs(t)-f(t) et nous avons changé la valeur de J qui correspond à présent à la valeur du rotor 1, rotor 2 et à l’axe de rotation.

A la sortie du bloc mécanique, nous avons une vitesse, nous la multiplions avec le coefficient k pour avoir E1 la force électromotrice de la génératrice à courant continu (mcc1). Nous ajoutons un comparateur afin d’avoir U(p)-E(p) en entrée de la fonction de transfert électrique.

Hacheur

Nous cherchons à avoir une tension de notre système plus élevée. Pour cela, nous utilisons un hacheur boost. Un hacheur boost, est un hacheur parallèle, et une alimentation à découpage qui convertit une tension continue en une autre tension continue de plus forte valeur.

Figure 4: Hacheur boost
Figure 4: MCC1 avec le hacheur boost

Nous prenons pour l’instant un rapport cyclique fixe de 0.5 afin d’en tester le bon fonctionnement. Nous plaçons une saturation à la sortie de la fonction de transfert afin que le courant ne dépasse pas le courant maximal de 256 A. Ci-dessous les courbes de résultats montrant les courants et tensions d’entrée (en jaune) et de sortie (en bleu) du hacheur. Nous calculons bien un rapport de 0.5 entre les entrées et sorties. Le boost fonctionne correctement.


Figure 6: Effet du Boost sur les tensions et courants

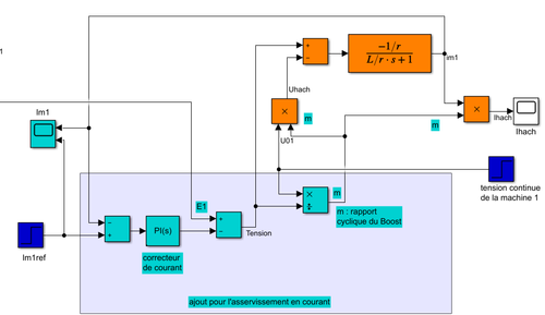
Asservissement en courant de la MCC1

L’étape suivante de notre modélisation est l’asservissement en courant de la MCC1. Le rapport cyclique n’est plus fixé. Nous prenons pour l’instant un courant de référence. Pour sa valeur nous utilisons la formule P=UI avec P=20 kW et U=U01=325 V. I=P/U=64,6 A.

Figure 7: Asservissement en courant de la MCC1


En ce qui concerne les correcteurs de courant, notre objectif était de passer par le calcul, de la même façon qu’en 5.a) . Cependant, nous ne sommes pas parvenus à simplifier les équations. Nous avons donc décidé de procéder par taton. Le but étant d’avoir le temps de réponse le plus bas et un dépassement de 5% au maximum. Les correcteurs optimaux que nous avons trouvés sont : Kp = 5.45 et Ki = 6000. Voici la réponse à un échelon. En bleu la consigne, Im1ref et en jaune sa réponse.


Figure 8:Réponse de la boucle d’asservissement de courant

Malgré les bonnes valeurs de courant du moteur, le hacheur n’est lui pas fonctionnel. Le rapport cyclique est de -0.969. Le boost est censé augmenter le courant et la tension, hors ici, il les diminue légèrement et les inverse.

Figure 9 : Effet du Boost sur les tensions et courants après l’asservissement en courant