SmartMeter, gestion de consommation électrique
Sommaire
- 1 Généralité
- 2 Contexte
- 3 Cahier des charge
- 4 Liste de matériel nécessaire
- 5 Avancement du projet
- 5.1 Prise de contact avec les encadreurs par mail
- 5.2 Réunion n°1, le 27/01/2016 : Réflexion sur le sujet
- 5.3 Réunion n°2, le 04/02/2016 : Liste du matéiel
- 5.4 Semaine 9 & 10
- 5.5 Réunion n°3, le 16/03/2016 : Librairies et empreintes
- 5.6 Réunion n°4, le 23/03/2016 : Schématique
- 5.7 Réunion n°5, le 30/03/2016 : PCB Routage
- 6 Rapport
- 7 Fichiers
Généralité
Sujet du projet : Amélioration du SmartMeter
Fait par : Haroun Abdelali & (Charlène Dacosta Neto)
Encadrants : Xavier Redon, Alexandre Boé
Industriel : Guillaume Renault
Contexte
La consommation d'énergie est un poste de dépense qui prend de l'importance et pèse de plus en plus sur les factures d’électricité des particuliers. Aujourd'hui , mesurer en continu ses consommations énergétiques est devenu indispensable. Créer un outil de mesure permettrai au particulier de visualiser l'impact de ses gestes, d'établir des prévisionnels financiers et d'adopter un comportement éco-responsable dans le but d'obtenir un bâtiment à basse consommation d'énergie
Cahier des charge
Objectif
Reprise du sujet sur la surveillance de la consommation d'appareil électrique via un circuit spécialisé dans la mesure de température, de courant et de tension avec envoi des données par micro-contrôleur sur un support radio hertzien.
Description
Ce sujet a déjà été traité par les étudiants Thomas Ederlé & Sylvain Fossaert [| (ici)] , Les améliorations à apporter seront :
- Détection des "phases" de l'appareil (éteint, en veille ou en marche) et gestion intelligente de son alimentation (arrêt lors des veilles, mise en place de période d'allumage ou d'extinction).
- Amélioration du calibrage réalisé l'année dernière.
- Miniaturisation du circuit.
- Passer de la technologie AVR à la technologie NRG de panstamp (supporte l'update "over the air", plus des fréquences RF et le cryptage AES entre autre).
- Modélisation 3D d'un boitier adapté puis fabrication via l'imprimante 3D du FABLAB.
Solutions envisageables
Après un certain nombre de lecture du Rapport fait par Thomas Ederlé & Sylvain Fossaert ainsi qu'une recherche sur les PanStamp [[1]] [[2]] j'ai pensé, à titre hypothétique, aux solutions suivantes:
- Une récupération des données (Puissance apparente) à partir du circuit intégré "MAXIM 78M6610" permettrait d'appliquer des conditions sur la valeur de la mesure (ie: si nulle alors l'appareil en question est éteint, si positif et inférieur d'une valeur X alors l'appareil est en veille; sinon en fonctionnement normal)
- Une nouvelle architecture de la carte électronique (emplacement des composants TOP-BOTTOM et Routage) avec, éventuellement, une diminution des épaisseurs de la partie commandes, pourraient minimiser le circuit.
- Une étude sur le calibrage des capteurs [[3]]et sur la différence entre les PanStamp NRG et ceux en AVR est en cours d'acquisition afin de pourvoir répondre convenablement au cahier des charge.
Liste de matériel nécessaire
| Composants | Liens vers fournisseurs | Prix unitaire | Quantité pour 1 robot |
|---|---|---|---|
| Panstamp NRG2[08/02/2016] <br\> | |||
| Transformateur Maxim 78M6610+LMU | [4] | 6.86€ | 1 |
| Oscillateur Quartz 20Mhz | [5] | 1.34€ | 1 |
| Résistances à couches épaisses CMS - 0603 - 100ohms | [6] | 0.031€ | 1 paquet de 50 |
| Résistances à couches épaisses CMS - 0603 - 750ohms | [7] | 0.018€ | 1 paquet de 50 |
| Résistances à couches épaisses CMS - 0603 - 1Kohms | [8] | 0.008€ | 1 paquet de 50 |
| Résistances à couches épaisses CMS - 0603 - 10Kohms | [9] | 0.023€ | 1 paquet de 50 |
| Résistances à couches épaisses CMS - 0603 - 1Mohms | [10] | 0.022€ | 1 paquet de 50 |
| Résistance de shunt CMS - 0603 - 0,004ohms | [11] | 0.83€ | 1 paquet de 5 |
| Condensateurs céramique multicouche CMS - 0603 - 1uF | [12] | 0.0744€ | 1 paquet de 50 |
| Condensateurs céramique multicouche CMS - 0603 - 0,1uF | [13] | 0.0146€ | 1paquet de 50 |
| Condensateurs céramique multicouche CMS - 0603 - 18pF | [14] | 0.0126€ | 1 paquet de 50 |
| Leds rouge CMS | [15] | 0.263€ | 12 |
| Borniers de puissance | [16] | 0.61 € | 2 |
| Rallonge électrique | [17] | 10.44€ | 1 |
Avancement du projet
Prise de contact avec les encadreurs par mail
Suite à un échange de courriel avec nos encadreurs, nous avons pu prendre connaissance du cahier des charges et avoir une premières réflexions
Réunion n°1, le 27/01/2016 : Réflexion sur le sujet
Présents : Haroun Abdelali & Charlène Dacosta Neto
Encadrants : M.Xavier Redon & M.Guillaume Renault
Nous avons convenu pour une première étape d'essayer de miniaturiser le circuit, en utilisant un matériel moins volumineux notamment le transformateur et aussi en optimisant le routage de la carte
Les composants du SmartMeter qui sont déjà optimisés seront conservés tel que le circuit intégré (78M6610+LMU), en revanche le Panstamp et les leds ainsi que d'autres composants passifs (résistance et condensateur) seront à modifier
La recherche d'une alternative de transformateur nous a révélé quelques solutions telles que l'utilisation du transformateur intégré dans les chargeurs de téléphone portable ou des transformateur adaptant la technologie [redresseur,hacheur,MLI], mais Avec monsieur Boé nous avons admis que le transformateur du circuit original est de taille satisfaisante et que le marché n'en propose pas plus petit autour du même prix
Afin de préparer la prochaine réunion nous avons étudier le circuit avec cette fois-ci l'objectif d'instaurer la liste du matériel nécessaire ce qui est illustré dans la rubrique "Matériel Nécessaire" ci-dessus
Réunion n°2, le 04/02/2016 : Liste du matéiel
Présents : Haroun Abdelali
Encadrant : M. Guillaume Renault
La liste de matériel provisoire était évaluée, nous l'avons donc améliorée en rajoutant les références des composants et les liens vers leurs vendeurs.
La prochaine tâche serait de récupérer une licence pour le logiciel de désigne Altium et commencer la conception de la carte en ayant pour objectif, une carte routé au plus tard le 22 février (au retour de l'interruption pédagogique)
Semaine 9 & 10
Au cours de ces semaines, nous avons avons effectué les bibliothèques; sur Altium nous avons dessiné les schématiques de nos composants et fait les empreintes respectives.
Après plusieurs tentatives, nous avons pu avoir des résultats satisfaisants.
La prochaine phase étant le routage.
Nous avons une prochaine réunion en semaine 11, le 16 Mars avec nos 3 encadrants où nous discuterons du travail effectué jusqu'à maintenant et le reste à faire.
Réunion n°3, le 16/03/2016 : Librairies et empreintes
Présents : Haroun Abdelali et Charlène Dacosta Neto
Encadrant : M. Guillaume Renault et M. Xavier Redon
Présentation du travail fait sur les librairies et les Empreintes sur Altium Design
Récupération des composants et vérification des librairies avec Mme Pichonat
Commencement du schéma global après éclaircissement du moyens de communication Panstamp-Maxim
On a donc choisi la SPI (MISO-MOSI) pour un gain de place puisque elle n'utilise aucun composants supplémentaires à la différence du
Les pins TxD et RxD du Panstamp seront réservées au débug
Les Pins MP0, MP1 ... du Maxim serviront à programmer ce dernier
Reste à finir (le schéma) : l’empreinte de l’antenne
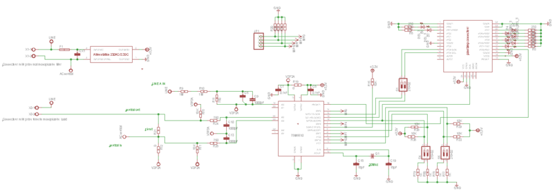
Réunion n°4, le 23/03/2016 : Schématique
Présents : Haroun Abdelali et Charlène Dacosta Neto
Encadrant : M. Guillaume Renault et M. Alexandre Boé
Modifications apportés sur la schématique (partie alimentation, Librereie et footprinte du transformateur, passage des composants actifs en CMS)
Travail à faire pour la prochaine réunion:
- réalisation du PCB (routage)
- initiation à la méthode de calibration du Maxim
Réunion n°5, le 30/03/2016 : PCB Routage
Présents : Haroun Abdelali
Encadrant : M. Guillaume Renault et M. Alexandre Boé et M. Xavier Redon
- Présentation de la schématique fini et envoyer à M. Boé afin d'être validé
- Discussion et assimilation de la méthode du calibrage du Maxime (l’amélioration à apporter par rapport à ce qui été fait l'année dernière serait de diminuer la plage prise en compte pour le circuit, par exemple pour la tension, passer de 667V à 250V)
- PCB à refaire
pour la prochaine réunion :
- Préparer un PCB fini