IMA5 2022/2023 P11
Sommaire
Présentation générale
Dans le cadre du programme des Sciences Infusent de l’Université de Lille, une première version de mallette pédagogique a été développée pour introduire les bonnes pratiques de cybersécurité auprès des élèves des collège et lycée. Cette première maquette est entièrement numérique. Ce projet à pour but de concrétiser le côté "objet" et donc de créer un plateforme logicielle et matérielle.
Ce projet propose de développer une nouvelle maquette ayant la même vocation en introduisant des objets physiques. Les développements porteront sur :
- Une plateau de jeu connecté permettant de détecter les positions des figurines des joueurs ;
- Un objet connecté en WiFi permettant de générer des QR-codes, d’afficher des textes et de transmettre des informations provenant de capteurs ;
- Un site web pour l’affichage des données, de la remontée des scores, ...
Cahier des charges
Fichier:P11 Malette Cybersécurité Cahier des charges.pdf
Cahier des spécifications
Fichier:P11 Malette Connectée Cahier des spécifications.pdf
Travail Effectué
Semaine 1 -05/09/2022 au 09/09/2022-
Lors de cette semaine, j'ai pris connaissance du projet de la mallette connectée.
Le mercredi 7 septembre, j'ai eu rendez vous avec les encadrants afin de discuter du cahier des charges.
Compte rendu de la réunion :
Lors de cette réunion, les encadrants m'ont expliquer le but du projet et ce qu'ils attendaient de moi afin de mener ma mission à bien. S'en est dégagé une première ébauche de plateau, de l'objet connectée et des différentes fonctionnalités à apporter. J'ai pu obtenir aussi les premiers composants afin des les tester et de vérifier qu'ils correspondaient bien à nos attentes.
Durant le reste de la semaine j'ai rédiger le cahier des charges.
Semaine 2 -19/09/2022 au 23/09/2022-
Durant cette semaine, j'ai essayé de dégager les différentes tâches à effectuer et de les priorisé. Au départ, je voulais commencer par la modélisation et la création du plateau. Mais après avoir eu un rendez-vous avec Monsieur Boe, j'ai redirigé mon travail sur la création de l'objet connecté.
Tests des ESP32 pour la communication WiFi :
J'ai écrit un programme permettant d'envoyer des informations entre deux esp32. En effet, une esp32 me sert de maitre et la deuxième d'esclave. En écrivant sur le port série de l'esclave, l'information était envoyé sur l'esp32 maitre et affiché.
Pour la suite, il fallait brancher un écran LCD sur un esp32 afin d'y afficher les informations, les QR-CODE et du texte. Cependant, l'écran fourni ne pouvait pas être connecté via des fils. Il fallait donc passer à la création d'un PCB afin de pouvoir tester l'écran.
Semaine 3 -03/10/2022 au 07/10/2022-
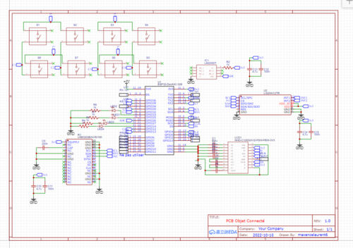
Durant cette semaine, nous avons eu une réunion avec Monsieur Boe afin de discuter du PCB et commencer une ébauche sur les plateformes du plateau qui accueilleront les pions des joueurs. Le PCB devra donc comporter les éléments suivants :
- L'esp32 https://www.digikey.fr/fr/products/detail/espressif-systems/ESP32-DEVKITC-32E/12091810
- Un écran LCD https://www.digikey.fr/fr/products/detail/newhaven-display-intl/NHD-C12832A1Z-FSW-FBW-3V3/2059236
- Un capteur de température https://www.digikey.com/en/products/detail/stmicroelectronics/LM235DT/1038646
- Un capteur de gaz https://www.digikey.fr/en/products/detail/kemet/USEQGSEAC82180/11504936?s=N4IgTCBcDaIKoGUCiBFA4sgggYQBxgEZcAGAAhAF0BfIA
- un accéléromètre https://www.digikey.fr/en/products/detail/stmicroelectronics/LIS2HH12TR/5043058?s=N4IgTCBcDaIDIEkDKYASqCMYAqAlEAugL5A
- 8 boutons https://www.digikey.fr/en/products/detail/cui-devices/TS02-66-50-BK-260-SCR-D/15634296
- 4 leds
Début de réflexion sur le plateau :
Pour le plateau, nous avons eu plusieurs idées. Soit créer un seul et grand plateau mais les élèves serons obligé de se lever pour se rapprocher du plateau et le plateau serait trop petit pour une classe de 30 à 35 élèves.
Soit créer plusieurs modules (1 par équipe), ce qui permettrait à chaque groupe d'avoir son propre plateau qui serait connecté en Wifi.
Sur le plateau, il y aura plusieurs support où les pions pourront être posé. 2 solutions ont été retenu pour connaître la position des pions.
Solution 1 :
Les pions auront des résistance différentes et les supports des bords en métal.
Solution 2 :
Les pions ont des aimants et les supports des boutons ics. Le but étant grâce aux aimants de créer un code binaire pour chaque pion.