IMA4 2017/2018 P39
Sommaire
- 1 Présentation générale
- 2 Analyse du projet
- 3 Préparation du projet
- 4 Réalisation du Projet
- 4.1 Feuille d'heures
- 4.2 Prologue : Il faut savoir commencer, même ce qui est de longue haleine
- 4.3 Semaine 1
- 4.4 Semaine 2
- 4.5 Semaine 3
- 4.6 Semaine 4
- 4.7 Semaine 5
- 4.8 Semaine 6
- 4.9 Semaine 7
- 4.10 Semaine 8
- 4.11 Semaine 9
- 4.12 Semaine 10
- 4.13 Semaine 11
- 4.14 Semaine 12
- 4.15 Semaine 13
- 4.16 Semaine 14
- 4.17 Bilan : Dépôt de bilan
- 5 Bibliographie
- 6 Documents Rendus
Musique des Plantes. Les Musiniéristes de Polytech !
Présentation générale
La photosynthèse permet à une plante de produire de la matière organique: le dioxyde de carbone est converti en glucides lors de réactions d’oxydoréduction qui nécessitent d’une part des électrons provenant de l’eau et d’autre part de l’énergie provenant de la lumière solaire. La photosynthèse créée donc des flux d’électrons résultant en signaux électriques. Des projets récents menés par des start-ups telles que Bioo ou des entreprises telles que Plant-e cherchent à exploiter ce phénomène afin de produire de l'électricité grâce aux plantes que cela soit avec une simple plante en pot ou à l'échelle d'une rizière toute entière.
Dans une visée plus proche du divertissement artistique, notre projet consiste à capter le biorythme d’une plante et de le transformer en concert sonore. Grâce à deux électrodes placées sur le végétal, nous allons capter les impulsions électriques occasionnées par la photosynthèse et transmettre le tout sous la forme d’un signal exploitable par une enceinte ou un instrument.
Description
Durant ce projet, nous allons connecter deux électrodes à deux endroits distincts d'une plante (feuille-feuille, feuille-racine, etc) afin de mesurer son biorythme. Nous allons ensuite amplifier et filtrer ce signal afin de le transformer en musique. Notre dispositif disposera de quelques réglages (volume, aigu, grave ...), d'une enceinte pour pouvoir écouter directement le son, d'une prise jack pour pouvoir utiliser un casque ou une enceinte externe, d'une prise MIDI permettant notamment de connecter un instrument pour profiter de sa gamme et enfin des Leds pour créer une ambiance visuelle en accord avec l'ambiance sonore. Le dispositif sera portatif afin de pouvoir facilement l'utiliser chez soi ou en extérieur: cela implique une alimentation par batterie.
Objectifs
L’objectif minimal de notre projet est de parvenir à récupérer le signal électrique issu de la photosynthèse d’une plante et de le restituer de manière sonore à l’aide d’une enceinte. Nous souhaitons néanmoins aller plus loin en offrant davantage de moyens d’exploitation du signal (Leds, piano numérique). Le projet sera découpé en deux étapes principales: dans un premier temps, il s’agira de réaliser un dispositif permettant de capter les signaux électriques d’une plante puis de les traiter numériquement à l’aide notamment d’amplificateur(s) et de filtre(s) afin d’éliminer les signaux parasites et d’extraire l’information que nous évaluerons comme utile et représentative du biorythme de la plante. Dans un second temps, nous créerons un dispositif permettant de transformer le signal extrait en un concert musical. Il s’agira de munir ce dispositif d’une enceinte et d’une prise jack afin de pouvoir écouter le biorythme de la plante. Nous implémenterons également des Leds afin de créer une ambiance visuelle en adéquation avec l’ambiance sonore et nous ajouterons un port MIDI afin de pouvoir connecter un instrument comme un piano numérique dans le but de pouvoir profiter de sa gamme. Un ultime point serait de pouvoir “monitorer” sa plante en analysant le signal électrique mesuré afin de déterminer si l’activité photosynthétique de la plante est suffisante et, si elle ne l’est pas, d’informer l’utilisateur avec une LED afin que ce dernier essaye d’y remédier en arrosant davantage sa plante ou en l’exposant mieux au soleil. Nous allons cependant attendre d’observer les signaux électriques avant de déterminer si cette fonctionnalité est envisageable.
Analyse du projet
Il existe peu de produits réalisant les mêmes fonctions que notre projet: seules deux marques se distinguent en proposant des produits solides: Devodama avec un produit haut de gamme et MIDI Sprout avec un produit plus compact et abordable.
Analyse du premier concurrent
Devodama propose un boîtier haut de gamme nommé ” Music of the Plants ” et vendu 750€.
Le produit se revendique comme l’aboutissement de 40 ans de recherche et propose un ensemble de réglages poussés grâce à une interface complète. Le boîtier propose 2 sorties: une sortie jack et une sortie MIDI. Il s’alimente sur secteur. Électrodes fournies.
Sources :
http://www.musicoftheplants.com/?ref=dhen
https://www.pepiniere-botanique.com/jardins/
Analyse du second concurrent
MIDI Sprout est notre second concurrent, il propose un boîtier à partir de 200€.
Le produit ne présente aucun bouton de réglage extérieur et se présente dans une boîte écologique en carton. Il présente les 2 mêmes sorties que le boîtier de Devodama: une prise jack et une prise MIDI. Ce produit est nettement plus compact et fonctionne avec des piles. Électrodes fournies.
Sources :
Positionnement par rapport à l'existant
Comme évoqué ci-dessus, les quelques produits disponibles sont vendus entre 200 et 750 euros. L’objectif principal de notre projet est de fournir un produit réalisant des fonctions similaires, de qualité convenable, mais à un prix nettement inférieur. Nous chercherons donc tout au long de la conception de notre produit à choisir le matériel aux meilleures qualités prix afin de limiter au maximum le coût du produit fini. Nous ne cherchons pas à réaliser une interface aussi détaillée que le boîtier de Devodama, mais nous aimerions probablement avoir au moins 2 ou 3 boutons de réglage, contrairement à MIDI Sprout qui n’en présente qu'un (pour l'allumage et le volume). Nous pensons également partir sur un boîtier de petite taille fonctionnant sur batterie afin d’offrir un produit portatif simple d’utilisation. Une enceinte intégrée permettrait aussi un fonctionnement autonome, même nous craignons de devoir y renoncer si le son s'avère de trop mauvaise qualité. Nous pensons aussi offrir une représentation différente du biorythme de la plante grâce à nos LEDs et, si cela s’avère réalisable, offrir une fonction de “monitoring” de la plante.
Scénario d'usage du produit ou du concept envisagé
Pour un adulte, notre produit serait une manière d’expérimenter et d'interagir avec le monde végétal. Il pourrait être un outil de relaxation utilisé à bas volume afin de se laisser bercer par la mélodie d’une plante pour se reposer. Il pourrait être un outil de découverte et de curiosité en étant utilisé sur toutes les plantes de la maison et du jardin pour découvrir diverses mélodies et des fonctionnements différents entre différentes plantes. Il pourrait être un outil de création en utilisant les simples chants des plantes pour créer des morceaux musicaux plus complexes (s’il s’avère que vous êtes musicien). Il pourrait être un outil d’apprentissage pour faire découvrir à ses enfants que les plantes sont bel et bien vivantes et les introduire auprès de notions scientifiques telles que la photosynthèse. Ce produit se revendique avant tout comme une expérience à part entière, il ne se revendique pas comme utile, c’est un stimulateur de sens avant tout.
Réponse aux questions
Si vous n'arrivez pas à récupérer un signal exploitable depuis la plante, avez-vous un plan B ?
La photosynthèse de plante produit de la matière organique dont l'excédent est rejeté dans le sol via les racines, autour desquelles vivent des micro-organismes qui s'en nourrissent et libèrent des électrons. En plaçant des électrodes à proximité des racines, on doit pouvoir récolter ces électrons et générer du courant: ce signal serait pour nous une alternative nous permettant de générer notre mélodie.
La plante émet-elle un signal en absence de lumière?
Il y a d'autres processus mis en jeu tel que la respiration mitochondriale cependant l'activité électrique devrait en effet être nettement inférieure en absence de lumière. Nous sommes encore dans l'ignorance de la 'quantité' minimale de lumière nécessaire à des conditions de fonctionnement idéal du système que nous souhaitons réaliser.
Préparation du projet
Cahier des charges
Notre projet est constitué de deux parties principales, la première étant de récupérer le signal émis par la plante et le second la réalisation du boîtier permettant d'exploiter ce signal .
Cette première partie est l'objectif principal, car la récupération de ce signal pourra s'avérer difficile à récupérer dû à la très faible puissance véhiculée et aux parasites extérieurs qui viendront perturber ce signal.
Choix techniques : matériel et logiciel
Choix matériel
- Plante
(x1) Acquise auprès de Madame Pichonnat
- Électrodes
(x1) Cordon Sparkfun [1]
(x1 lot de 10) Électrodes Sparkfun [2]
- Amplificateur d'instrumentation
(x2) Texas Instrument [3] (x1) OPA320[4] (x1) OPA2320 [5] (x1) INA132 [6]
- Arduino méga
(x1) Arduino [7]
- Module bluetooth pour arduino
(x1) Elecfreacks [8]
- Batterie
(x1) Cordon d'alimentation [9]
(x1) Pile rechargeable Duracell [10]
- Haut-Parleur
(x1) Kingstate [11]
- Boutons / Potentiomètres
(x3) Interrupteurs TE Connectivity [12]
(x1) Potentiometre Philips [13]
- Connecteur MIDI (connecteur DIN)
(x1) RS Pro [14]
- Connecteurs Jack (3,5 mm / 3 zones de contact)
(x2) Lumberg [15]
- AOP
(x1) Texas Instrument [16]
- LEDs RGB
(x2) [17]
- CAN (Convertiseur Analogique Numerique)
Choix logiciel
Pour la conception de la carte électronique, nous utiliserons le logiciel Kicad. Pour la programmation de l'arduino, l'IDE Arduino et pour la programmation de l'application mobile, Android Studio . Tous les logiciels utilisés sont libres et disponibles pour les plateformes PC/MAC/Linux.
Liste des tâches à effectuer
- 1 Analyse du projet
- 2 Récupération du signal
- 2.1 Amplification
- 2.2 Traitement analogique du signal (Filtre)
- 2.2 Conversion analogique numérique.
- 2.3 Conception du shield Arduino Mega
- 4 Programmation Arduino
- 4.1 Traitement numérique du signal
- 4.2 Composition de mélodies à partir du signal
- 4.3 MIDI
- 4.4 LED RGB
- 4.5 Bluetooth
- 5 Réalisation d'un boitier
- 6 Programmation de l'application Android
- 6.1 Bluetooth
- 6.2 écouter le son
- 6.3 Simulation piano
Calendrier prévisionnel complété avec un planning réel
Ci-dessous nous pouvons observer le planning prévisionnel avec la liste de toutes les tâches à effectuer. Représenter en vert le planning prévisionnel en fonction des semaines et représenter en violet le planning réel.
Réalisation du Projet
Feuille d'heures
| Tâche | Prélude | Heures S1 | Heures S2 | Heures S3 | Heures S4 | Heures S5 | Heures S6 | Heures S7 | Heures S8 | Heures S9 | Heures S10 | Heures S11 | Heures S12 | Heures S13 | Heures S14 | Total |
|---|---|---|---|---|---|---|---|---|---|---|---|---|---|---|---|---|
| Analyse du projet | 10 | 18 | 7 | 25 | ||||||||||||
| Récupération du signal | ||||||||||||||||
| Amplification | 7 | 15 | 14 | 8 | 8 | 8 | 60 | |||||||||
| Traitement analogique du signal | 2 | 5 | 5 | 3 | 3 | 2 | 20 | |||||||||
| Conversion analogique numérique (Arduino) | 2 | 3 | 1 | 6 | ||||||||||||
| Conception du shield Arduino Mega (PCB entier) | 8 | 4 | 8 | 2 | 22 | |||||||||||
| Programmation Arduino | ||||||||||||||||
| Traitement numérique du signal | 6 | 4 | 2 | 12 | ||||||||||||
| Son | 2 | 1 | 2 | 5 | ||||||||||||
| Midi | ||||||||||||||||
| LED RGB | 1 | 2 | 3 | |||||||||||||
| Bluetooth | 1 | 3 | 4 | |||||||||||||
| Réalisation d'un boîtier | 4 | 6 | 10 | |||||||||||||
| Programmation de l'application Android | ||||||||||||||||
| Bluetooth | ||||||||||||||||
| écouter le son | ||||||||||||||||
| Simulation piano | ||||||||||||||||
| Wiki | 2 | 2 | 2 | 2 | 2 | 2 | 2 | 2 | 2 | 2 | 2 | 2 | 2 | 4 | 4 | 34 |
Prologue : Il faut savoir commencer, même ce qui est de longue haleine
Avant le début des séances de projet nous avons commencé à analyser les différents concurrents, à nous renseigner sur comment les plantes émettent un signal, de quelle intensité et sur une méthode de récupération de ce signal.
Nous sommes entrés en contact avec Jean THOBY via son site internet de la pépinière botanique :
https://www.pepiniere-botanique.com/contacts.html
M. Jean THOBY est un détenteur de l'appareil Devodama et effectue de nombreuses démonstrations de l'appareil à Gaujacq dans le sud-ouest de la France.
Quelques informations issues de la réponse de M. Jean THOBY à nos questions:
- L'activité de surface théorique d'un végétal observable serait de l'odre de 0,01mV à 1mV contrairement à l'activité interne du bois qui peut aller jusqu'à 30 mV.
- D'un point de vue génomique, les sons émis par les végétaux au niveau des acides aminés qui se suivent au niveau du ribosome, sont de l’ordre de 10 puissances 23 hertz.
- La photosythyse n'est pas le seul facteur lié à l'activité électrique d'une plante, la phytoneurologie est l'activité électrique de surface d'un végétal ( qui peut être comparé à notre activité cérébrale) cette activité peut-être très importante même la nuit.
Il nous a également fourni un rapport qui est disponible dans la rubrique bibliographie.
Semaine 1
Lors de la première séance nous sommes passés par une phase d'étude et de réflexion afin de trouver une méthode de récupération du signal utile de notre plante.
Nous avons défini quelques prérequis à la récupération du signal souhaité auprès de la plante:
- Utiliser une cage de Faraday, même rudimentaire (papier aluminium), afin de limiter les perturbations du milieu.
- Utiliser un Amplificateur d'Instrumentation afin de réaliser une mesure précise et d'amplifier le signal.
- Réaliser un filtrage analogique pour supprimer les perturbations telles que le 50Hz du secteur ainsi qu'une amplification.
- Le signal résultant devra varier dans la plage [0;5]V pour pouvoir être traité sur une pin analogique de l'Arduino.
- Ajouter un filtrage numérique afin de filtrer des composantes indésirables.
- Réaliser si besoin une autocorrélation afin de pouvoir supprimer le bruit de notre signal.
Durant cette première semaine, nous avons également réalisé des tests sur la plante pour éventuellement apercevoir un signal sans bloc électronique spécifique. Nous avons donc relié notre plante directement à un oscilloscope.
Premiers tests sur la plante:
- Dans un premier temps nous avons connecté des pinces crocodiles directement sur la plante. Nous avons pu observer une variation très importante à une fréquence de 50Hz. Nous en avons conclu que ce signal ne provenait pas de la plante, mais était simplement dû à des perturbations extérieures notamment celles du réseau EDF.
- En second lieu nous avons connecté les pinces crocodiles à une tige de graphite insérée dans la plante. Nous avons utilisé une connexion "graphite" pour nous affranchir des réactions d'oxydoréduction liées à l'eau présente dans la plante. Nous avons observé moins de parasites, la variation du signal est plus petite : 0.5mV. Nous avons donc conclu que l'utilisation de sondes avec des connexions en carbone est à privilégier.
- De plus le pot de notre plante est en métal qui a pour conséquence d'agir comme une antenne et de récupérer des signaux non souhaités. Nous devrons donc changer le pot pour un pot en plastique afin d'éviter toute conduction perturbatrice.
Semaine 2
Cette deuxième semaine nous nous sommes consacré à la recherche d'un Amplificateur d'Instrumentation pouvant convenir à notre projet. Nous avons choisi le composant INA 125 de Texas Instruments.
L'INA 125 est un amplificateur d'instrumentation haute précision basse consommation. Il fournit une amplification à entrée différentielle. Nous pouvons régler le gain à l'aide d'une résistance externe pour le faire varier entre 4 et 10 000. De plus nous pouvons l'alimenter avec une tension unique ou double et la tension de référence peut être sélectionnable par des broches, 2,5V , 5V ou 10V.
Ensuite, nous avons décidé d'alimenter l'INA 125 entre +5v et -5V. Nous aurons donc un signal qui varie entre -5V et +5V puis nous enverrons ce signal sur un sommateur non inverseur de tension pour récupérer un signal entre 0 et 10V. Par la suite, nous utiliserions un pont diviseur de tension pour avoir un signal qui varie entre 0 et 5V afin de pouvoir l'utiliser sur les PINS analogiques de l'arduino.
- Changement de pot : Nous avons changé le pot avec un en plastique pour limiter les signaux parasites.
- Recherche de littératures en C201 sur la récupération de faibles signaux.
- Étude du branchement de la connexion Midi avec l'arduino.
Semaine 3
- Durant cette troisième semaine, nous avons travaillé sur le branchement d'un connecteur Midi avec l’Arduino.
Le port Midi permet de connecter un instrument de musique afin de profiter de sa gamme.
Ci-dessus nous pouvons voir la connexion entre un port Midi et un Arduino. Le port midi comporte 5 broches, mais seulement 3 nous seront utiles. Une sera connectée à la masse, une au 5V et la dernière à une PIN digitale de l’Arduino.
- Nous avons également réfléchi aux différentes fonctionnalités de notre système. Nous avons décidé d'inclure trois interrupteurs permettant de modifier la mélodie(nous définirons plus tard l'influence précise de chacun des interrupteurs) et deux Leds RGB afin d’offrir une expérience visuelle.
- Recherche et commande des derniers composants nécessaire pour la réalisation de notre appareil.
- Début de la conception d'un shield Arduino Mega sur le logiciel de CAO, Kicad.
- Après une analyse plus approfondie nous avons abandonné l'idée d'utiliser un sommateur non-inverseur de tension associé à un diviseur de tension afin de récupérer un signal variable entre 0-5V sur une PIN de l’Arduino. Nous utiliserons plutôt un CAN (Convertisseur Analogique Numérique) pour renvoyer le signal numérisé à l’Arduino via la broche TX/RX.
Semaine 4
- Recherche concernant les méthodes pour capter le signal via l'électroencéphalographie (EEG).
L'EEG capte un signal d'environs 100 uV auquel est ajouté un filtre passe-bas du 4e ordre pour acquérir les signaux dans la plage de 0,5-35Hz puis à un filtre coupe-bande de 50Hz. Les câbles ne sont pas particulièrement blindés, torsadés au mieux.
Dans notre cas, nous ne connaissons pas les fréquences des signaux à récupérer donc nous allons dans un premier temps ajouter un filtre coupe-bande de 50Hz.
Nous avons également choisi d'utiliser des électrodes en carbone collantes et des cordons qui se fixe via un bouton-pression sur ces électrodes, munies d'un connecteur jack à l'autre extrémité. Cela va nous permettre de connecter facilement la plante à notre appareil.
- Choix d'un convertisseur analogique, car celui de l’Arduino ne sera peut-être pas assez rapide.
- Demande d'une licence Altium Designer pour la conception de la carte sur ce logiciel.
Schéma du filtre analogique 50Hz :
Ci-dessus nous pouvons voir le schéma du filtre 50Hz que nous mettrons en place pour supprimer cette composante. Nous réaliserons une simulation de se montage afin d'estimer la réduction en décibels que pourra apporter ce filtre.
Source : http://poujouly.net/2015/10/25/filtre-notch-50hz/
Semaine 5
- Cette semaine nous avons reçu quelques composants du matériel commandé. Nous avons continué la conception de la carte avec le logiciel de CAO et testé parallèlement l'utilisation du matériel reçu.
- Étude du branchement du convertisseur analogique numérique
Ci-dessus, nous pouvons voir comment nous allons connecter notre convertisseur analogique numérique à notre carte Arduino. En entrée nous injecterons notre signal analogique et en sortie nous obtiendrons un signal numérique, échantillonné que nous enverrons par liaison série (broches TX/RX) à notre carte Arduino.
- Nous avons également commencé la programmation Arduino
- Nous avons réalisé la configuration du Module Bluetooth HC-05 par commande AT. Changement du nom.
- De plus nous avons programmé un script Arduino permettant de changer la couleur d'une Leds RGB. Nos Leds RGB possèdent 4 pins.
Les pins 1, 3 et 4 sont connectées à des pins PWM de la carte Arduino et la Pin 2 est connecté au GND.
Programme : Programme Leds
- Nous avons également recherché comment réaliser un traitement numérique du signal à l'aide de l'Arduino. Ensuite, nous avons réfléchi à comment transformer un signal numérique en son. Nous espérons obtenir un signal qui évoluera entre 0 et 5V, par conséquent nous allons associer différentes notes à différents palier de tension.
- Pour réaliser l'application Android, nous allons nous servir d’Android Studio, nous l'avons donc déjà installé pour nous familiariser avec le logiciel.
Semaine 6
- Nous avons réalisé un programme Arduino permttant de tester l'émission de différentes notes à l'aide d'un Buzzer.
Nous avons utilisé la librairie "pitches.h" pour jouer des notes. Librairie : pitches
Nous avons ensuite remplacé le buzzer par notre haut-parleur.
- Suite à une erreur de choix de composants, nous devons réaliser la conversion analogique numérique avec le CAN intégré à l’Arduino, car les composants commandés ne conviennent pas. Notre puissance d’échantillonnage en sera réduite mais nous devrions malgré tout pourvoir exercer des calculs suffisants sur notre signal final.
- Création d'une seconde version de carte sous Kicad, cette version utilise l'amplificateur d'instrumentation INA125 avec un filtre analogique 50Hz ainsi qu'un AOP connecté en montage suiveur pour réaliser une adaptation d'impédance.
Réalisation du schéma: Schematic
Nous devons ensuite faire l'association entre les composants et leurs empreintes.
Finalement, nous réalisons le PCB :
Semaine 7
- La carte terminée sur le logiciel de CAO, nous avons pu imprimer cette première version.
La méthode utilisée pour réaliser la carte est la gravure mécanique, appelée aussi "routage". Elle consiste à enlever le cuivre aux endroits inutiles de la carte.
- "Soudage" ou brasure des composants
Notre carte est bien aux dimensions de la carte Arduino Mega et s'emboîte bien comme un shield.
- Formation au Fabricarium de Polytech pour utiliser la découpeuse laser dans l'objectif de réaliser un boîtier en bois.
Semaine 8
- Simulation de notre filtre 50Hz sur LTSpice.
Ci-dessus, nous pouvons voir notre filtre 50 Hz réalisé sur LT spice. Nous avons fixé R à 47khoms et C à 68nF. Le paramètre ".ac dec 100000 1 1000" sert à régler notre fenêtre d'analyse.
On peut observer sur l'image ci-dessus l'évolution du gain de Vs/Ve en fonction de la fréquence. On observe que notre filtre possède un très fort pouvoir de coupure, le 50Hz est atténué de -135dB. On peut également observer que notre filtre altère également les fréquences voisines. Si notre signal utile se situe entre 5 Hz et 500 Hz alors il sera atténué par ce filtre de coupure.
On a également pu caractériser notre filtre par des tests expérimentaux, on injecte un signal sinusoïdal avec une amplitude de 120mV à une fréquence que l'on fait varier et on regarde la puissance du signal de sortie. Grâce à cette expérience, nous avons pu tracer la courbe caractéristique suivante:
À l'aide du tracé de Bode ci-dessus (gain en fonction de la fréquence), nous pouvons valider le fonctionnement de notre filtre de coupure à 50Hz, même si nous voyons qu'il y a une légère atténuation sur les fréquences aux alentours.
- Test de la carte
Notre carte réalisée, nous avons pu la tester sur la plante. Nous avons connecté deux électrodes sur la plante reliées à nos entrées sur le shield que nous avons conçu puis analysé avec un oscilloscope ce que nous obtenions en sortie pour le comparer avec l'entrée.
À l'entrée, nous avons relevé : Média: MotP_AvCart.jpg
- Une valeur moyenne du signal à 94,6 mV
- Des signaux au fréquences avec leur puissance :
- 50 Hz - 462 mV
- 12,4 KHz - 2,2mV
- 24 KHz - 1 mV
- 31,8 KHz - 1 mV
- 44 KHz - 3 mV
Après l'INA 125 nous avons relevé : Média: MotP_AvFi.jpg
- Une valeur moyenne du signal à 100 mV
- Des signaux au fréquences avec leur puissance :
- 50 Hz - 30,8 mV
- 12,4 KHz - 2,2mV
- 24 KHz - 1 mV
- 31,8 KHz - 1 mV
- 44 KHz - 3 mV
Après notre filtre de coupure nous avons relevé : Média: MotP_ApFi.jpg
- Une valeur moyenne du signal à 93,6 mV
- Des signaux au fréquences avec leur puissance :
- 50 Hz - 4,8 mV
- 12,4 KHz - 2,2mV
- 24 KHz - 1 mV
- 31,8 KHz - 1 mV
- 44 KHz - 3 mV
Nous pouvons observer que notre amplificateur d'instrumentation permet bien d'atténuer le 50 Hz et que notre filtre diminue encore plus cette composante. Cependant, nous ne pouvons pas valider avec une certitude absolue qu’une quelconque fréquence soit issue de la plante et non due à une perturbation, car nous retrouvons sensiblement la même chose si l’on ne se connecte pas à la plante (fils aériens).
- Création d'un logo pour la réalisation d'une boîte en bois à la découpeuse laser.
L'objectif étant de réaliser un boîtier avec la découpeuse laser du Fabricarium, ce logo a été dessiné pour "décorer" notre future boîte.
Semaine 9
La carte ne s'avérant pas fonctionnelle, nous avons repris le montage sur prototype board. Les tests sont alors réalisés avec un signal d'entrée issu d'un GBF (Générateur Basses Fréquences)
- Réalisation d'un montage sur une prototype board pour vérifier le bon fonctionnement de l'amplificateur opérationnel.
- Dans un premier temps, nous réalisons un schéma assez simple avec en entrée de notre composant un pont de Wheatstone. Dans le pont de Wheatstone que nous avons réalisé, nous avons introduit une résistance variable pour pouvoir déséquilibrer facilement le pont et donc avoir une différence de potentiel que nous pouvons régler.
- Nous alimentons notre composant avec une tension unique (mode single supply) de 5V et avec une résistance variable de 10kohm pour régler le gain.
En réalisant ce montage nous avons pu constater que nous avions commis une erreur en exploitant la data sheet, la pin pour mettre en veille le composant est un Sleep barre. Nous devions donc mettre 5V sur cette pin pour que le composant soit actif. De plus nous devions relier la PIN Sense (11) à la sortie (10).
- Une fois le montage réalisé, nous avons réglé à l'oscilloscope une variation de 50mV à l'entrée en jouant sur la résistance variable introduite dans le pont de Wheatstone et en sortie nous avons obtenu une différence de potentiel de 500mV lorsque la résistance est égale à 10K nous avons donc un gain de 10.
Ci-dessus, nous pouvons voir le tableau du gain en fonction de la résistance Rg. Nous pouvons observer que plus la résistance est grande, plus le gain est petit et plus la résistance est basse, plus le gain est élevé.
Sur le graphique ci-dessus, nous pouvons voir l'allure de la courbe du gain en fonction de la résistance théorique.
Au moment de réaliser nos mesures nous nous sommes concentré sur un intervalle plus restreint de cette courbe de fonctionnement. Après tâtonnement, nous avons convenu que la plage [600;2500] Ohm pour les valeurs de Rg était satisfaisante. En augmentant Rg au delà de cette plage, le gain était trop peu modifié et en diminuant Rg en dessous de cette plage nous atteignions une zone de saturation de notre amplificateur (car le gain devenait trop important). C'est ainsi que nous avons choisi d'utiliser une résistance variable de 2,2 kOhm. La comparaison entre le gain théorique et le gain expérimental en fonction de Rg est représenté sur la courbe ci-dessous:
Nous retrouvons bien un gain satisfaisant par rapport aux valeurs théoriques annoncées par le constructeur. Nous avons pu constater qu'en faisant varier la résistance Rg nous jouions bien sur notre tension de sortie, jusqu'à la saturation. Avec notre alimentation single supply de 5V, nous avons ainsi observé que la tension de sortie est écrêtée à 4,33V.
- En second lieu, nous avons remplacé le pont de Wheatstone avec une alimentation continue.
- nous avons injecté un signal de 105mV avec un gain théorique de 10 (correspondant à Rg = 10 kohm) et nous avons en sortie 510mV. Pour un gain théorique de 1000 (soit Rg = 68ohm) nous obtenons 688mV. Nous pouvont donc en conclure que nous n'avons pas un fonctionnement qui suit la courbe théorique (fonctionnement nonlinéaire). Nous avons trouvé que cela est dû au fait que la valeur d'entrée du signal ne dépasse pas 1V.
- Pour s'affranchir du minimum de tension exigé par un fonctionnement en single supply et s'assurer de travailler en régima linéaire, nous allons devoir alimenter notre composant avec une tension double (dual supply) de +/-5V.
- En second lieu, nous avons remplacé le pont de Wheatstone avec une alimentation continue.
- Nous avons donc réalisé un montage en alimentant notre composant en +/-5V.
- Nous avons gardé notre signal d'entré de 105mV précédents et avons pu constater les résultats suivants :
gain théorique de 10 --> 1,22V gain théorique de 1000 --> écrêtages à 4,25V
Avec une alimentation dual supply nous suivons bien le tableau du gain en fonction de la résistance, présent dans la datasheet du composant.
Semaine 10
Cette semaine nous avons testé notre montage sur la prototype board avec l'INA 125 et le filtre coupe-bande de 50Hz.
Nous avons d'abord validé le montage avec un générateur de signaux pour pouvoir faire varier la fréquence, l'amplitude ainsi que la forme du signal.
Tout d'abord, nous avons envoyé un signal sinusoïdal de fréquence 50Hz en entrée de notre amplificateur d'instrumentation. Nous avons pu voir qu’en sortie nous obtenions bien notre signal amplifié. Nous pouvons simplement modifier cette amplification en agissant sur la résistance variable de gain Rg.
Sur le résultat_1 ci-dessus, nous pouvons observer en bleu notre signal d'entrée et en jaune notre signal de sortie amplifié.
Ensuite vient le filtre de coupe-bande qui doit supprimer les signaux d'une fréquence de 50 Hz.
Sur le résultat_1.2 ci-dessus, nous pouvons observer en bleu le signal d'entrée et en jaune le signal fortement atténué par notre filtre coupe-bande. Nous validons bien la suppression de la zone de fréquence indésirable.
Nous avons réitéré l'expérience, mais cette fois avec un signal de fréquence 2 fois plus élevé, soit 100Hz.
Sur ce premier résultat obtenu juste après l'amplificateur d'instrumentation, nous observons le signal d'entrée en bleu ainsi que le signal de sortie (jaune) qui est amplifié.
Après le filtre de coupure nous pouvons observer que le signal de sortie a été atténué, mais est toujours présent et a une amplitude plus importante que le signal d'entrée. Nous constatons par ailleurs qu'il y a un déphasage entre le signal d'entrée et le signal en sortie du filtre.
Avec un autre signal de 200Hz il n'y a qu'une légère atténuation d'amplitude entre avant et après le filtre. Après le filtre, nous pouvons quand même observer le déphasage entre les signaux. Ce déphasage est d'environ 300 degrés.
On a également pu constater que lorsque le signal est écrêté il est alors assimilable à un signal carré. Par conséquent, la forme du signal après le filtre est très déformée et nous chercherons toujours à nous placer en dehors des conditions d'écrêtage.
Semaine 11
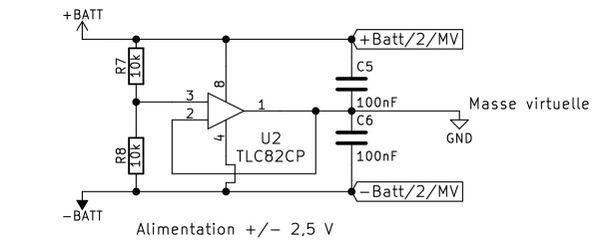
Cette semaine, nous avons essayé d'alimenter notre amplificateur d'instrumentation avec la carte Arduino. Comme nous voulions alimenter en dual supply notre composant, nous avons du nous résoudre à l'alimenter en +/- 2.5V par la création d'une masse virtuelle entre la masse et le +5V de la carte Arduino. Pour se faire, nous avons utilisé le montage suivant utilisant un AOP LM324N.
Tout d'abord, nous avons validé le montage sur une prototype board. Puis nous avons alimenté notre INA125 avec cette méthode. Nous avons pu observer qu'avec ce montage la sortie +/- 2.5V était trop bruité ce qui avait pour conséquence un signal de sortie de l'INA 125 inexploitable. Nous avons changé les résistances, passant de 150kOhm à 10Kohm, et ajouté des capacités de découplage (en vert sur le schéma). Nous avons alors pu observer une amélioration, mais insuffisante.
Nous nous sommes donc tourné vers l'utilisation d'un autre composant, le TLC82CP. Nous avons pu constater que la sortie était beaucoup moins bruitée, nos tests avec l'INA125 ont été concluants. Le signal de sortie a une allure en adéquation avec l'entrée et évolue entre +/- 1.8V (valeurs seuil pour lesquelles nous saturons).
Il nous reste donc à donner un offset à notre signal de sortie qui ondule entre +/- 1,8V afin d'obtenir un signal qui varie entre la masse et le 5V de l'Arduino. Nous avons d'abord ajouté un offset de 2,5V grâce à un montage simple utilisant une résistance et une diode :
Ce montage est concluant pour un signal continu, mais ne fonctionne pas avec un signal sinusoïdal qui varie entre +/- 2V. Nous avons alors réalisé le montage suivant avec une diode et une capacité de 100nF.
En sortie de ce montage, nous observons un signal qui est redressé, mais il reste quand même quelques mV dans la partie négative et le signal évolue jusqu'à 4V.
De nombreux autres montages ont été réalisés, combinant une multitudes de résistances, diodes et capacités et diverses manières de générer/ d'apporter un signal continu de 2,5V servant d'offset. Aucun ne s'est finalement avéré satisfaisant.
Semaine 12
Lors de cette semaine, nous nous sommes rendus compte d'un problème important: nous créons une masse virtuelle depuis l'alimentation de l'Arduino et le signal de sortie total de notre montage est visualisé par rapport à cette masse. Nous ne pouvons dès lors pas ré-injecté ce signal sur une pin de l'Arduino le caractériser par rapport à sa propre masse, qui n'est pas la masse virtuelle. Nous pensons alors devoir utiliser deux alimentations différentes, une pour alimenter l'Arduino et une autre pour alimenter nos composants. Ainsi nous espérons pouvoir relier la masse virtuelle à la masse de l'Arduino.
La semaine dernière, nous avons réalisé un montage pour redresser notre signal à l'aide d'une diode et d'une capacité, cependant il restait quelques mV dans la partie négative. Afin de ne pas risquer d'abîmer l'Arduino en injectant un signal négatif sur une de ses pins, nous avons changé ce bloque par un montage sommateur et un montage inverseur réalisés à l'aide d'amplificateurs opérationnels. Nous ne sommes pas satisfait de ce changement car nous savons d'avance que les AOP introduiront beaucoup de bruit dans nos mesures. Nous ne voyons cependant pas d'alternative à ce montage.
En entrée, nous injectons notre signal et un signal continu de 2V. En sortie nous devons donc obtenir la somme de ces deux signaux.
Sur la mesure ci-dessus, le signal d'entrée est en bleu et le signal de sortie du sommateur est en jaune. Nous observons que le signal de sortie est bien décalé de 2V. Il ne reste plus qu'à l'inverser.
Ce montage permet d'inverser notre signal, Vs= -Ve.
Sur la mesure ci-dessus, le signal d'entré du montage inverseur est en bleu et la sortie du montage inverseur est en jaune. Nous voyons bien que la fonction recherchée est réalisée.
Reprenons maintenant tout le circuit: le signal d'entrée supposé sinusoïdal est ensuite amplifié via l'INA 125, les fréquences parasites sont ensuite filtrées à l'aide de notre filtre de coupe-bande passif de 50Hz, puis notre signal est injecté dans un montage sommateur suivi d'un montage inverseur afin qu'il varie entre 0V et 5V. Son traitement sera alors possible via une pin de l'Arduino.
Durant le test suivant, nous avons injecté un signal sinusoïdal de quelques mV en entrée de notre amplificateur d'instrumentation.
Sur le résultat ci-dessus, le signal d'entré est en bleu et la sortie du montage inverseur est en jaune. Nous pouvons observer une amplification et un offset qui permet bien de faire évoluer le signal entre 0 et 5V.
Semaine 13
Le montage validé, nous devons recréer une carte électronique pour pouvoir effectuer des tests sur la plante. Cette semaine, nous avons donc travaillé sur la conception d'une nouvelle carte électronique. Il a fallu modifier le modèle du composant INA 125 précédemment créé sous Kicad avec l'éditeur de composants et l'ajouter à notre librairie. Ensuite, nous avons pu refaire tous les schémas des différents blocs dans la "schematic", document avec l'extension sch.
Une fois la schematic réalisé, nous devons réaliser l'association des composants avec leur empreinte physique. Ensuite, nous réalisons le routage de la carte. Pour finir, nous générons les fichiers correspondant à la première face, aux contours de la carte et aux trous.
Nous pouvons visualiser ces fichiers très simplement à l'aide du site suivant :
De plus, nous avons pris le temps de réaliser un boîtier en bois. Nous avons réalisé une première version de la boîte avec le logiciel de conception assistée par ordinateur OnShape.
Une fois la boîte réalisée sur le logiciel de CAO, il a fallu exporter chaque partie de la boîte au format DXF. Ensuite, à l'aide du logiciel Inkscape, nous avons créé un fichier au format SVG pour l'exploiter avec la découpeuse laser du Fabricarium.
Une fois découpée, nous avons pu l'assembler.
Ci-dessus le boîtier découpé et assemblé. Nous avons également gravé le logo de notre projet sur la boîte avec la découpeuse laser.
Semaine 14
Nous avons soudé notre seconde carte qui s'emboîte tout aussi bien que la première sur l'Arduino Méga.
Malgré la qualité des résultats que nous obtenions sur la breadboard, la carte ne fournit pas un résultat satisfaisant. Nous avons vérifié toutes les connexions et toutes les soudures: aucun problème à signaler. Nous pensons fortement que le problème vient des masses du circuit. Nous cherchons à alimenter les composants de notre carte avec une batterie différente de celle alimentant l'Arduino (choix exprimé semaine 12). Nous sommes amenés à penser que toutes les mesures effectuées sur la breadboard ont été faussées par l'utilisation d'un GBF et d'un oscillateur, les deux appareils ramenant les masses à la terre (via leurs prises secteur). Sur notre carte, il s'avère que les masses n'apparaissent pas comme distinctes.
Sur un autre domaine, nous avons pu finaliser les fonctions sonores et lumineuses produites pas l'Arduino en fonction du signal mesuré.
Nous avons pour cela utilisé la bibliothèque Arduino "pitches" qui fournit une gamme de 89 notes que nous avons fait correspondre à des intervalles sur une plage théorique de [0;5]V. Chaque note occupe ainsi une plage d'environ 56,2 mV. Dès lors, il nous est possible de faire une mesure de notre signal de sortie grâce au Convertisseur Analogique Numérique de l'Arduino, d'associer la note correspondante et de renvoyer un signal sur une pin de l'Arduino afin que cette note soit jouée par le haut parleur.
De même, en fonction de la valeur du signal mesuré, des intensités lumineuses bleues et rouges ont été définies: plus les notes seront graves, plus les LEDs seront rouges, les notes mediums seront violettes et les notes aiguë vireront finalement au bleu.
L’échantillonnage du signal reste arbitraire: on peut très bien choisir d'avoir plusieurs notes par seconde ou de jouer une note plus longue à un intervalle plus important. Chaque choix reste subjectif, l'une des méthodes permet de fournir une représentation plus brute du signal de la plante tandis que l'autre présente davantage une tendance de l'activité de la plante. L'utilisation d'un potentiomètre a été prévue pour fournir à l'utilisateur un moyen de régler ce paramètre à sa préférence.
Le code créé est disponible dans le dossier des livrables.
Bilan : Dépôt de bilan
Difficultés rencontrées
Au cours de ce projet, différents problèmes et erreurs nous ont ralentis dans notre progression. Ci-dessous se trouvent des commentaires sur chacun des problèmes majeurs rencontrés.
- Nous avons réalisé une erreur au moment de la commande du convertisseur CAN. Cela nous a obligé à apporter des modifications à notre carte électronique et à utiliser le CAN de l’Arduino, moins performant que ce que nous aurions pu implémenter.
- Ayant été contraint de réaliser notre première carte avant de recevoir notre amplificateur d’instrumentation (et donc avant de pouvoir le tester), il nous a fallu revoir notre montage. Outre un branchement incorrect, nous avons dû passer d’une alimentation simple de l’amplificateur d’instrumentation (réalisée avec la pin 5V de l’Arduino) à une alimentation double (en créant une masse virtuelle depuis la batterie). L’implémentation de cette double alimentation fut complexe, notamment à cause du fait que la masse du circuit devenait la masse virtuelle créée.
- Lors de la création de l’alimentation avec tension double réalisée à partir de la tension de la batterie, nous avons d’abord utilisé un AOP issue d’un LM324N, cependant l’alimentation était bien trop bruitée pour que le fonctionnement de notre amplificateur d’instrumentation soit correct. Nous avons dû utiliser un autre AOP, le TLC82CP.
- Nous avons dû ajouter beaucoup d’éléments perturbateurs que nous n’avions pas prévu initialement et qui sont devenus nécessaires après le changement de mode d’alimentation. L’alimentation double et les montages sommateurs et inverseurs ont ajouté beaucoup de bruits à nos mesures, choses que nous souhaitions éviter.
- Notre amplificateur d’instrumentation n’était pas disponible dans la bibliothèque de composants du logiciel Kicad, nous avons alors dû le créer ainsi que de l'associer à son empreinte physique.
- Toutefois, le plus gros problème de ce projet a été le fait que nous ne savions pas concrètement ce que nous devions observer. Toute la documentation que nous avons effectuée nous a conduit à considérer que le signal à observer devait être de seulement quelques mV mais nous ne connaissons pas concrètement la manière dont ce signal doit évoluer (pour nous il s’agit d’un signal à variation lente et non nécessairement périodique). Des documents fournis par Jean THOBY, le pépiniériste que nous avons contacté, nous portent à croire que même avec l’utilisation d’un produit haut de gamme comme le Devodama, les résultats sont hautement dépendants de l’environnement et des perturbations qu’il apporte.
Travail effectué par rapport à l’objectif
Nous avons réalisé un dispositif permettant d’amplifier une différence de potentiel très faible, de supprimer des composantes indésirables liées aux perturbations extérieures tels que le 50Hz lié au réseau électrique EDF. De plus, nous avons modulé ce signal pour qu’il évolue uniquement dans la plage de 0 à 5V en mettant en place différentes fonctions électroniques. Ce signal analogique est ensuite injecté sur une pin analogique de la carte Arduino qui convertit ce signal en signal analogique en signal numérique. Le signal numérique est ensuite joué en mélodie afin de créer une ambiance musicale en adéquation avec le signal d'entrée.
Cette partie a pu être validée avec un signal issu d’un générateur de fréquence, cependant nous n’avons pas pu récupérer un quelconque signal issu de notre plante en étant certains que cela provenait d’elle et pas d’une perturbation.
De plus, nous avons réalisé un boîtier en bois ainsi qu’un logo pour démarquer notre dispositif. Nous n’avons donc pas réussi, dans le temps imparti, à réaliser un boîtier fonctionnel utilisable sur une plante, mais nous avons cependant beaucoup appris sur différents aspects de la gestion de projet, de la mise en place d’un circuit électronique ainsi que dans la réalisation d’une carte.
Conclusion
Ce projet étant de grande ampleur et étant basé sur des signaux de très faible intensité qu’il est difficile d'exploiter, le projet n’est pas terminé. Nous avons cependant su lui apporter de bonnes bases sur l’exploitation d’un signal de faible intensité. Nous restons néanmoins sceptique quand à la faisabilité du produit sur lequel nous avons travaillé. de ce que nous avons pu observer, il nous semble presque impossible d'extraire le signal électrique spécifiquement issu de la photosynthèse d'une plante. La moindre perturbation de l'environnement adjacent semble avoir des conséquences corrigeables sur le signal mesuré.
Ce travail reste néanmoins une réelle expérience de gestion de projet avec ses aléas. Nous avons été confronté à des problèmes et su les résoudre même si nous n’avons pas eu le temps de finir l’objectif dans le temps imparti. Nous avons pu mettre en oeuvre des connaissances acquises au sein de la formation IMA, notamment en électronique et nous avons pu les approfondir. Nous avons également appris beaucoup sur la gestion de projet, en partant d’une idée, d’une analyse pour arriver à la réalisation complète en passant par la conception des différentes partie. Ce projet fût très enrichissant pour la suite de notre cursus scolaire ainsi que pour de futurs projets d’entreprise.
Nous souhaitons conclure en partageant un document fourni par Jean Thoby, le pépiniériste que nous avons mentionné précédemment. Son travail a fini par alimenter nos doutes après plusieurs semaines de projet.
https://www.dropbox.com/s/7espytgmcg25gfp/Synth%C3%A8se%20Musique%20Botanique%202015C.pdf?dl=0
Commentaires post soutenance
Suite à notre passage à l’oral, nous souhaitons clarifier quelques points que nous pensons avoir mal exprimé au cours de notre présentation.
Nous nous sommes en effet trop concentré sur l’extraction d’un signal de la plante. Néanmoins, afin de valider tous nos montages, nous avons réalisé des tests avec un signal de fréquence 200 Hz et d’une amplitude de 10 mV. Même si d’autres valeurs ont été testées, tous nos circuits ont été validés avec le signal précédemment évoqué.
L’objectif de l’édition de notre seconde carte était de désormais s’affranchir de toutes les perturbations captées par la breadboard (celles-ci ne posaient pas de problème pour des signaux générés par GBF mais étaient gênantes pour les signaux de la plante). La carte que nous avons tirée nous semble en adéquation avec le circuit que nous souhaitions réaliser, la masse créée étant bien commune à tout le circuit, néanmoins il n’est pas fonctionnel. Après avoir vérifié tout notre montage il nous est apparu que le problème venait certainement de la masse et c’est suite à une discussion avec M. Flamen que nous nous sommes convaincu d’un problème à cet égard. Quoi qu’il en soit, le problème de masse virtuelle évoqué pendant la soutenance est une hypothèse concernant le mal fonctionnement de notre carte, nous ne sommes pas certain que le problème vienne de là.
Concernant les mesures que nous avons pu observer avec la plante, aucune ne s’est différenciée d’une mesure obtenue avec deux fils aériens non reliés à la plante. L’expérience consistant à priver la plante de lumière pendant 48h n’a abouti à aucune observation différente.
Bibliographie
Ci-dessous les ressources qui nous ont permis d'avancer sur la réalisation du projet.
Sonelec Musique
https://www.sonelec-musique.com/
Conversion Analogique Numérique avec le CAN de l’Arduino :
https://www.carnetdumaker.net/articles/la-conversion-analogique-numerique-avec-arduino-genuino/
EEG
https://www.researchgate.net/publication/266663863_WIRELESS_TRANSMISSION_OF_EEG_SIGNALS
LED s'illuminant avec une musique sur Arduino
https://www.arduinostarterkits.com/resources/how-to-make-leds-flash-to-music-with-an-arduino
http://www.instructables.com/id/How-to-Make-LEDs-Flash-to-Music-with-an-Arduino/
Notes de musique avec une carte Arduino
https://www.carnetdumaker.net/articles/jouer-des-notes-de-musiques-avec-une-carte-arduino-genuino/
https://openclassrooms.com/courses/perfectionnez-vous-dans-la-programmation-arduino/generez-des-sons
Filtre numérique avec un Arduino
http://www.f-legrand.fr/scidoc/docmml/sciphys/arduino/filtrage2/filtrage2.html
Connexion MIDI avec un Arduino
http://www.instructables.com/id/Send-and-Receive-MIDI-with-Arduino/
HP
http://electroniqueamateur.blogspot.fr/2015/07/brancher-un-haut-parleur-larduino.html
Documents Rendus
Rapport du projet Média:P39_Rapport_Chenot_Toin.pdf
Livrables comprenant les fichiers d'impression des cartes, le code de l'Arduino et les fichiers de création de la boîte Média:P39_Livrables_Chenot_Toin.zip
