IMA4 2016/2017 P26
Sommaire
Cahier des charges
Présentation générale du projet
Contexte
L'infra-rouge est une lumière invisible, peu polluée par l'environnement. La longueur d'onde de l'infra-rouge est plus petite que les longueurs d'ondes radios. Donc, l'infra-rouge n'est pas affecté par ces ondes. La lumière infra-rouge est invisible. Ainsi, cette technologie peut être utilisée dans le domaine militaire. Avec un émetteur infra-rouge sur l'objet cible, il est facile de suivre cet objet.
Objectif du projet
L'objectif de ce projet est de réaliser un train de véhicules. Le premier véhicule est guidé par WiFi. Les trois autres véhicules vont suivre le véhicule de tête.
Description du projet l'année dernier
Nous avons 4 véhicules. Le premier véhicule est guidé par WiFi. Les autres véhicules doivent suivre. Chaque véhicule a deux roues motorisées et un support de 4 piles 1.5V.
Sur le premier véhicule, un micro-contrôleur doté d'une interface WiFi peut contrôler le sens de marche du véhicule en réponse à des commandes envoyées par un smartphone ou un ordinateur.
Chaque véhicule possède un numéro N, et les véhicules autres que le véhicule de tête doivent suivre le véhicule de numéro N-1. Il est possible de sélectionner le numéro de véhicule qui s'affiche sur 2 LEDs. Le véhicule va émettre un signal infra-rouge correspondant à son numéro, donc chaque robot émettra à un code différent. Il est possible de sélectionner 4 codes différents. Un capteur infrarouge est installé à l'avant des véhicules suiveurs afin de détecter le code des autres véhicules. En même temps, un véhicule peut garder sa distance avec le robot devant lui en utilisant un capteur ultrason et les planches à l'arrière des véhicules.
Description du projet cette année
Sur la base du sujet de l'année derniere, on doit améliorer le système pour qu'il soit esthétique et très facile d'utilisation pour les démonstrations.
- La partie matériel des véhicules est fonctionnelle mais pas esthétique : les plaques de réflexion des ultrasons sont assez grossière et les dispositifs de fixation différents et trop apparents, la fixation des circuits imprimés sur les chassis est à revoir, le sonar ultrason est lui aussi fixé de façon artisanale. Enfin le second boitier de piles sur le robot de tête n'est pas fixé. Il serait bon de couvrir les composants et les circuits pour éviter les court-circuits par exemple.
- Parce que la transmission infrarouge utilisée est facilement perturbée par la lumière ambiante, il faut passer à un protocole plus robuste. L'idée est d'utiliser le protocole RC5 des télécommandes infrarouges.
- Nous devons aussi construire la quatrième voiture qui va suivre la troisième.
Choix techniques : matériel et logiciel
Logiciels : altium designer, langage C.
Matériel : 4 arduino Uno, 1 ESP8266, matériel de véhicule, 6 LEDs, 4 émetteurs infrarouge, 9 capteurs infrarouge, 16 piles de 1.5V, 8 moteurs, matériaux pour décorer et construire les véhicules
Calendrier prévisionnel
Liste des tâches à effectuer
- Etude du code RC5
- Etude de la carte Arduino uno
- On utilise les même cartes pour quatre véhicules, mais on va changer la position de capteur d'ultrason. En même temps, on va faire l'ultrason plus haut et plus avant. On va aussi effacer une petite planche au-dessous de capteur d'ultrason.
Calendrier
Feuille d'heures
| Tâche | Prélude | Heures S1 | Heures S2 | Heures S3 | Heures S4 | Heures S5 | Heures S6 | Heures S7 | Heures S8 | Heures S9 | Heures S10 | Total |
|---|---|---|---|---|---|---|---|---|---|---|---|---|
| Définition cahier des charges | 0 |
Répartition du travail
Avancement du Projet
Préambule
16/12/2016 Discussion avec Monsieur Redon autour du cahier des charges. 25/1/2017 Discussion avec Monsieur Redon pour modifier le cahier des charges.
Etude du protocole RC5
Pour réaliser ce sujet, on doit utiliser le protocole RC5 (infrarouge).Il se compose d'une suite de 14 bits et sa construction est la suivante :
- 2 bits de départ (normalement avec une valeur de 1) ;
- 1 bit de basculement (indique une nouvelle transmission de données) ;
- 5 bits d'adressage du système (déterminent l'adresse du dispositif devant réagir à la commande), nous avons donc 2^5 = 32 groupes d'adressage) ;
- 6 bits d'instruction (l'instruction destinée à l'appareil est codée).
Chaque bit ayant une durée de 1,778 ms, une trame RC5 dure 14 x 1,778 = 24,892 ms.
Des informations sur le code RC5 sont disponibles sur Internet [1].
Semaine 1 et 2
On étudie le schéma l’année dernière, on utilise un nouvelle logiciel (Fritzing) pour designer le schéma électrique principe et schéma ultrason. Le Drivers moteur TB6612FNG qu'on a utilise l’année dernière n'est pas disponible maintenant, donc on remplace par un composant similaire. On étudie les propriété de chaque composant et essayer les mettre sur la carte. On liste les composants qu'on a besoin pour construire les 3 véhicules et chercher le website pour les acheter.
Semaine 3
On continue notre schéma et décide designer 3 schéma totalement: un schéma principal, un schéma pour LED infrarouge et un schéma pour ultrason.Après avoir créé les empreintes de tous les composants, nous pouvons dessiner les PCB de chaque carte.
Pour émettre l'infrarouge, nous avons conçu une carte de circuit simple. Nous planifions de mettre le circuit des voitures d'arrière-plan. Il va émettre l’infrarouge pour la voiture suivant.
Nos cartes est de faire un usage pratique de la voiture,nous devons augmenter la hauteur de sonar, ce qui rend plus facile aux ondes à ultrasons sont reçus et envoyés. On désigne une carte très simple, juste quarte line mais il peut faire le sonar plus haut et il peut être connecté directement à la carte principal, c’est pratique.
Semaine 4
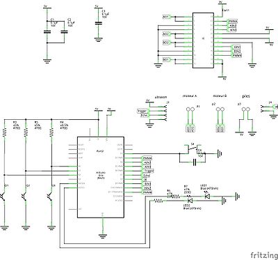
Comme vous pouvez le voir dans la figure, pour réaliser notre objectif de ce projet, on désigne le schéma. C’est le schéma principal de la 1er version. On étudie le schéma l’année dernière, on utilise un nouvelle logiciel (Fritzing) pour designer le schéma électrique principe et schéma ultrason. Le Drivers moteur TB6612FNG qu'on a utilise l’année dernière n'est pas disponible maintenant, donc on remplace par un composant similaire. Elle est constituée du dispositif de détection infrarouge, du micro-contrôleur et du driver moteur, auxquels nous ajoutons les LEDs qui permettent de connaître le numéro du robot ainsi que le bouton poussoir pour en changer. On étudie les propriété de chaque composant et essayer les mettre sur la carte. Après désigné le schéma, on désigne le PCB. Parce que le PCB est pour graver la carte, Il faut tenir compte des problèmes pratiques. Nous pouvons ni mettre les composants trop proche, ni faire la carte trop grande. Comme vous pouvez le voir dans la figure.
Semaine 5
On commence le program et étudie le program de l'anneé dernière. On projete de ajoute le protocole de RC5 pour les véhicules suivre mieux sans influence d’environnement.
Semaine 6&7
Les positions de trois borniers sont pas facile pour soudage. On peut refaire le schéma et changer les positions. Les phototransistors de l’infrarouge sont connecté directement sur la carte principal, c’est pas bon. On decide designer une autre petit carte pour mettre les phototransistors sur un connecteur à la carte principal.
Semaine8&9
Au début, nous avons jamais eu de contact avec le protocole , donc on pense que on doit ajouter le protocole rc5 dans le programme précédent. Nous avons passé trop de temps pour lire le programme précédent, mais nous ne pouvons pas arriver, et nous n’avons pas trouve le même porte logique entre Arduino et RC5.
Semaine10&11
nous avons trouve le programme de RC5 sur Arduino sur Internet.On a testé les programmes de récepteur et émettre par breadborad sur Arduino.
Par chaque fois l’infrarouge émettre un signal, le phototransistors va recevoir le signal, LED de récepteur va lumière une fois.
On a modifié les programmes par ajouter des affichages.
Semaine12
On a réussi que les plaques de réflexion des ultrasons sont assez grossière et les dispositifs de fixation différents et trop apparents, la fixation des circuits imprimés sur les chassis est à revoir, le sonar ultrason est lui aussi fixé de façon artisanale.
Conclusion
Ce projet est durant 5 mois pendans IMA4, c’est trés important. Nous pensons que c'est un travail très complet. Il comprend une partie sur la carte électrique, la partie de programme et la partie construction. Dans ce processus, nous avons utilisé le nouveau logiciel (Fritzing) et étudié le protocole que nous avons jamais utilisé avant (RC5). Bien qu'il y ait eu des difficultés au cours de cette chanson, nous essayons finalement de trouver une solution. ll y a encore des problèmes à résoudre dans ce projet.

