IMA4 2018/2019 P45

De Wiki de Projets IMA
Révision datée du 15 mai 2019 à 08:38 par Mdupre1 (discussion | contributions) (La batterie)


Présentation générale

Description

Ce kit chargeur solaire 10,4W est un chargeur solaire à fixer sur tout sac à dos de randonnée. Il apporte l’énergie nécessaire pour recharger vos tablettes ou téléphones.


Composé de deux panneaux photovoltaïques de 5,2W et d'une batterie Lithium-Ion de 36Wh, il procure une grande autonomie (jusqu'à 3 recharges de smartphone).

Légère, fiable et facile a transporter, la sacoche solaire est résistante, légère (< 1.5kg), étanche et ignifugée.


La sacoche peut aussi être fixée avec une inclinaison allant de 0° à 70° pour une meilleure prise du soleil.


La batterie Lithium-Ion se recharge depuis le panneau solaire pour assurer une autonomie total en randonnée. De plus, en cas d'insuffisance ou absence d'ensoleillement, elle peut être rechargée sur le secteur avant le départ.


Vous pourrez charger tous vos appareils électroniques grâce aux deux ports USB :

  • Port n°1 de 1A pour vos smartphones et petits appareils
  • Port n°2 de 2A pour vos tablettes


De plus, grâce à ses deux bandeaux de leds, un cycliste peut signaler sa présence et son changement de direction via une application mobile.

Sac solaire devant.png
Sac solaire derriere.png



Objectifs

Objectif principal :

L’objectif de cette sacoche est de récupérer l’énergie solaire via un panneau solaire et de permettre la recharge d'appareils courants via un port USB et d'une batterie de secours.

Ceci implique les points suivants:

- Etudier les différentes architectures photovoltaïques existantes pour ensuite choisir la plus adaptée à nos besoins. Il se pose donc la question de l’adaptation du panneau solaire à la charge.

- Concevoir un système d'adaptation du panneau solaire à la charge. Or nos smartphones ont aussi besoin d’un système de stockage d’énergie afin d’assurer la continuité électrique quasi permanente quelles que soient les séquences d’ensoleillement.

- Etudier les différentes technologies des batteries puis dimensionner la batterie. Dans ce cas, il est également nécessaire de concevoir et de réaliser un circuit qui permette de réguler et repartir la puissance de tous les composants. C'est a dire un système d’adaptation de l’énergie à placer entre les étages de production, de stockage et de consommation ainsi que trouver le système permettant l’équilibre entre la puissance fournie et la puissance consommée.

- De plus, il faudra ajouter un étage de protection pour les appareils branchés.

- Le produit fini doit être léger, étanche et ignifugé.

Objectifs secondaires :

On pourra ajouter quelques fonctionnalités, si le temps nous le permet.

  • Une jauge de batterie
  • Un affichage de changement de direction pour les cyclistes, commandé en bluetooth via une application smartphone
  • Un bandeau de leds pour être visible la nuit




Analyse du projet

Positionnement par rapport à l'existant

Notre produit est tout aussi intéressant et audacieux que ceux de nos concurrents, qui vendent par ailleurs leurs sacs à des prix très élevés.

Il apporte même quelques améliorations, car nous présentons une sacoche amovible et inclinable, qui se fixe sur tout type de sac de randonnée.

De plus, il possède une batterie de secours et présente des options inédites : un indicateur de charge de la batterie, des témoins lumineux pour être visible de nuit ou servir pour indiquer un changement de direction lorsque l'on circule à vélo.

Analyse du premier concurrent

Sac concurrent.PNG

Sac à dos solaire 7 Watts de Eceen :
La plupart des sac à dos des concurrents sont du même type que celui de la marque Eceen.

Le panneau solaire est directement intégré au sac et le téléphone est alimenté en direct par celui-ci.

Points forts du produit :

  • Relativement peu cher
  • Léger

Points faibles :

  • En cas d'ensoleillement faible ou inexistant, il est impossible de recharger son téléphone
  • Le panneau solaire n'est pas amovible : si le sac est utilisé en ville, le panneau solaire rajoute du poids inutilement.
  • Le produit est simpliste : il n'y a pas d'options



Analyse du second concurrent

Sac concurrent2.PNG

Sac à dos solaire Voltaic 10 Watts de Offgrid :

Nous sommes ici sur un produit plus poussé que le premier concurrent, avec un panneau solaire 10W imperméable, léger et parfaitement intégré au sac.

Il possède en plus une batterie de secours 44Wh, deux ports USB, il présente également une grande contenance et une finition haut de gamme.

Points forts :

  • Sac de qualité
  • Batterie intégrée pour recharger ses appareils en toute circonstance

Points faibles :

  • Panneau et batterie non amovibles
  • Manque d'options, exemple: indicateur de charge de la batterie.
  • Très cher (>300€)



Scénario d'usage du produit ou du concept envisagé

La sacoche solaire 10,4W est un chargeur solaire ultra pratique à fixer sur vos sacs à dos de randonnée ou vos porte-bagages de vélo.

Robuste et fiable, il vous apportera l’énergie nécessaire indispensable pour recharger vos tablettes et appareils portables courants où que vous soyez. Avec son panneau photovoltaïque haut rendement et sa batterie Lithium 10000mAh, rechargez plus de 3 fois votre smartphone en toute autonomie !


Une sacoche solaire solide, imperméable et ignifugée

Chargez tous vos appareil a l'aide du port USB 1A pour vos petits appareils ou 2A pour vos tablettes.

La batterie Lithium-Ion incluse vous procure de l'énergie supplémentaire à tout instant. Elle se charge automatiquement au cours de votre randonnée dés lors que l'ensoleillement est suffisant. Elle peut également être rechargée sur un prise secteur ou sur l'allume-cigare d'une voiture avant votre départ.


En randonnée, à vélo, à moto ou à pied, cette sacoche vous apportera l'énergie nécessaire pour ne plus jamais être a court de batterie. Associée à un sac de randonnée, vous possédez alors le matériel de base pour vos excursions indispensable où que vous soyez.
De jour, de nuit, avec l'application Android, soyez toujours visible et indiquez votre direction grâce au panneau de leds basse consommation intégrées.

Réponse à la question difficile

  • Comment rendre la sacoche ignifuge tout en évitant les surchauffes, voire un début de feu des batteries ?

Un objet électronique et/ou batterie laissé au soleil implique une potentielle surchauffe des composants. Pour contourner ce problème, il sera peut-être utile d'installer une aération et/ou au moins ne pas compresser les composants sensibles les uns sur les autres. Il faudra également certainement prévoir un arrêt de sécurité de tous les composants si une surchauffe trop importante est détectée.


  • Comment maximiser le rendement du panneau solaire ?

Une des solutions pourrait être de faire pivoter la sacoche selon l'axe horizontal pour une meilleure prise du soleil. Ainsi, on viendrait mettre un 'bras' sous le bas de la sacoche qui, une fois déplié, pourrait faire pivoter la sacoche jusque 60° par rapport a la verticale.


Préparation du projet

Cahier des charges

Bete cornes.png


Contexte et définition du problème:

Randonneurs, cyclistes sportifs ou citadins, il vous arrive très souvent de tomber en panne de batterie sur vos appareils portables, sans possibilité de pouvoir les recharger ? La sacoche solaire, véritable source d'énergie nomade de 10,4 W, avec un chargeur solaire fiable, pratique et puissant pour tous vos appareils connectés, est la solution ! Laissez-la au soleil, elle rechargera vos appareils via un connecteur USB, puis sa batterie pour avoir toujours une réserve d'énergie sur vous, que vous pourrez évaluer grâce à son indicateur de charge de batterie. Profitez également des options de notre modèle spécial cycliste : un signal lumineux pour signaler votre présence et des clignotants intégrés !


Objectif du projet:

Le projet va consister à concevoir, fabriquer et tester un prototype de sacoche solaire intégrant une batterie, avec options : clignotants, signal lumineux et indice de charge de la batterie.


Périmètre:

Avec potentiellement une vente sur des sites spécialisés, ce produit pourrait s'exporter dans le monde entier. Il s'agirait de cibler dans un premier temps les randonneurs, cyclistes et les sportifs, puis les citadins globe-trotteurs et toutes les personnes qui ont l’âme aventurière.


Enveloppe budgétaire

Panneau solaire: ~30€
Accus rechargeable: ~20€
Tissus, fermeture: ~20€
Composants divers: ~20€

TOTAL: < 100€


Délais

Les délais sont contraints : le produit doit être livré avant le 9 Mai 2019 (soutenance).

Choix techniques : matériel et logiciel

  • 2 Modules solaire 5W
  • 1 Power bank 5000mAh [[1]]
  • 2 Modules chargeur accus Li-ion [2]
  • 5 Transistors canal-P [3]
  • 1 Module SunFlower [4]
  • 1 Arduino Nano ou Uno [5]
  • 1 Module bluetooth BLE [6]
  • 20 leds cms orange [7]
  • 1 Lampe halogène (Pour réaliser les tests panneaux solaires)
  • Divers fils et connecteurs

Liste des tâches à effectuer

Fonctions principales : chargeur solaire et batterie

  • Choix des panneaux solaires
  • Choix de la batterie
  • Concevoir et imprimer une carte PCB avec un régulateur de charge intégré pour récupérer la puissance du panneau solaire et la maximiser à l’aide d’un MPPT
  • Acheter un module PCB tout en un pour avoir une système viable, à comparer avec celui qui sera conçu
  • Réaliser le lien entre le chargeur et la batterie (transfert d’énergie)
  • Réaliser le lien entre le chargeur et la charge connectée en USB (transfert d’énergie)

Fonctions secondaires : taux de charge, signal lumineux et clignotants

  • Concevoir une carte secondaire qui intègre le Bluetooth (pour afficher le taux de charge de la batterie, et commander le signal lumineux et les clignotants)
  • Programmer une carte Arduino qui communique en liaison série avec le module Bluetooth
  • Concevoir l’application Android qui affiche le taux de charge de la batterie, et permet de commander le signal lumineux et les clignotants.

Sacoche :

  • Designer et fabriquer la sacoche (installation des panneaux solaires et des composants électroniques + système d’inclinaison des panneaux solaires + système d’accrochage sur tous sacs à dos + poche intérieure pour accueillir les appareils connectés pendant la charge)
  • S’assurer de l’étanchéité et de l’ignifugation

.

Calendrier prévisionnel

Calendrier previsionnel.png

Réalisation du Projet

Feuille d'heures

Tâche Prélude Heures S1 Heures S2 Heures S3 Heures S4 Heures S5 Heures S6 Heures S7 Heures S8 Heures S9 Heures S10 Heures S11 Heures S12
Analyse du projet 4
Panneau solaire
Etude/choix 3 2
Abaisseur de tension 1
La batterie
Etude capacité/poids 2 3 1
Etude/choix type 2 1
Circuit de charge 3
La gestion d’énergie
MPPT 1 1 4 2
Module tout en un 2 2
Avec Arduino 4 3
Avec microP adapté 2 3
Fusion des éléments/Tests 3 3 4 2 4 4 3
Fonction additionnel 1 2 2
Remplissage du wiki 2 1 1 1 1 1 1
Rédaction du rapport 4


Panneau solaire

Choix du module solaire

Choix du type de panneau
Il existe plusieurs techniques de modules solaires photovoltaïques:

  • Les modules solaires monocristallins possèdent le meilleur rendement au mètre carré et sont essentiellement utilisés lorsque les espaces sont restreints. Le coût, plus élevé que celui d'autres installations de même puissance, contrarie le développement de cette technique ;
  • Les modules solaires amorphes auront certainement un bon avenir car ils peuvent être souples et ont une meilleure production par faible lumière. Cependant, le silicium amorphe possède un rendement divisé par deux par rapport à celui du cristallin, cette solution nécessite donc une plus grande surface pour la même puissance installée. Toutefois, le prix au mètre carré installé est plus faible que pour des panneaux composés de cellules cristallines
  • Les modules solaires polycristallins ont actuellement le meilleur rapport qualité/prix, c'est pourquoi ce sont les plus utilisés. Ils ont un bon rendement et une bonne durée de vie (plus de 35 ans) ;

=>Les modules solaires polycristallins semblent les plus à même de répondre au cahier des charges car ils ont le meilleurs rapport qualité prix pour un bon rendement et sont résistant.

Choix de la puissance du panneau
Le module solaire aura pour finalité de recharger nos appareils électroniques mobiles de type téléphone portables et tablettes, il est donc nécessaire d'avoir deux sortie USB : la première à 5V-500mA et la deuxième à 5V-1A. La puissance de la sortie USB sera de 5W. Prenons le cas de mon téléphone portable (OnePlus 6) qui possède une capacité de 3300mAh à 3,85V soit 12,7Wh. Il faudrait théoriquement moins de trois heures pour le recharger (comme un chargeur classique finalement).
Donc un module solaire de 5Wh serait un bon choix.

Cependant, toutes ces valeurs sont théoriques, l'énergie maximale reçue au sol au midi vrai est de 1 kW/m2 (c'est à dire que 1 m2 de panneaux exposés en plein soleil reçoit au maximum 1 kW en plein ensoleillement). C'est cette valeur qui est communément retenue pour les calculs ; et de la même façon, en laboratoire c'est une source lumineuse artificielle de 1 kW/m2 qui est utilisée pour déterminer le rendement d'une cellule ou d'un panneau solaire.
Or, en réalité on aura rarement/jamais cette ensoleillement. Finalement, l'énergie qui arrive au sol dépend de la nébulosité, de l'inclinaison du soleil (et de l'épaisseur de l'atmosphère à traverser) et donc de l'heure de la journée.

Ainsi, en réalité un panneau de solaire 5Wh, fournira 2,5Wh environ pour un bon ensoleillement.

=> Pour cette raison, la solution de prendre deux modules solaires de 5Wh semble la meilleure solution. Les modules solaires choisis sont des 5.2Wh, 12V en sortie et 433mAh au maximum.

Système pour abaisser la tension de sortie du panneau

Le bloc de gestion d’énergie SunFlower de DFRobot [[8]] qui dispose de la fonction MPPT (Maximum Power Point Tracking) permet d'obtenir une tension constante et une puissance optimale en sortie.

Cette carte est "tout en un" : elle permet la charge d'un accu LiPo via un panneau solaire et dispose de sorties 3,3V, 5V, 9V et 12V ainsi que USB.

La carte est compatible avec les panneaux 9V, 12V et 18V de 20 W maximum. Les deux modules parallèles auront 12V et 866mAh soit 10,4Wh au maximum, ce qui est parfaitement compatible avec cette carte, donc nous n'avons pas besoin d'abaisseur de tension.
Dans le cas contraire, on aurait eu besoin d'utiliser un hacheur pour abaisser la tension a 5V pour la recharge de la charge et de la batterie, le tout couplé a un MPPT pour obtenir une puissance optimale.

Tests des modules solaires

J'ai réalisé des tests pour déterminer les caractéristiques du panneau solaire.


Schéma légendé d'une grenade offensive
Schéma test de puissance panneau solaire
Schéma légendé d'une grenade offensive
Luminosité idéale
Schéma légendé d'une grenade offensive
Luminosité forte














TEST 1 : tension caractéristique
En faisant varier la charge (résistance variable), j'ai obtenu les différentes courbes tension / courant ci-dessous, qui m'ont permis de récupérer la tension caractéristique (environ 11,5 V), et voici les graphiques obtenus:

Val des tests modules solaire
Valeurs des tests

TEST 2 : tension optimale
J’ai pu ensuite réaliser des tests de puissance de façon à en déduire la tension optimale de fonctionnement qui servira à programmer le MPPT et voici les graphes Tension/Courant et Tension/Puissance du panneau solaire utilisé :
*En bleu foncé: Luminosité maximum
*En bleu claire: Forte luminosité / Grand soleil
*En orange: Luminosité normal / nuageux

Courbes
Graphes


Pour chaque luminosité, on constate que la production d’énergie a un maximum (de 1 à 6 watts) pour une tension assez précise (entre 11 et 12 volts). Le MPPT cherchera donc toujours à atteindre la puissance maximum du panneau, quelque que soit la luminosité.

La batterie

Etudier les différents type de batteries existantes et choisir la plus adaptée

Chaque technologie de batterie possède ses propres avantages et inconvénients.

Batteries Plomb (Pb / Sla)
Avantage : Bon marché, pas d’effet mémoire, bonne durée de vie.
Inconvénient: Poids élevé, faible autonomie, sensible au froid et difficilement transportable en raison d’acide liquide Pour optimiser ces batteries, il faut éviter de les décharger complètement et les stocker chargées.
=> Difficilement transportable, poids élevé cela ne répond pas du tout au cahier des charges de la sacoche qui doit être portative.

Batteries Nickel-Cadmium (Ni-Cad)
Avantage : Plus légères que le plomb et plutôt bon marché.
Inconvénient: Effet mémoire (décharger complètement la batterie avant de la recharger), polluantes, autonomie moyenne. Pour optimiser ces batteries il faut les stocker déchargées.
=> Effet mémoire embêtant sachant que la batterie va être recharger très souvent.

Batteries Nickel-Métal Hydrure (Ni-mh)
Avantage : Elles sont proches des Ni-Cad, elles souffrent moins de l’effet mémoire et bénéficient d’une meilleure autonomie.
Inconvénient : Elles sont plus onéreuses mais sont sujettes au phénomène d’auto-décharge.
=> Phénomène d’auto-décharge embêtant pour une batterie de secourt.

Batteries Lithium (li-ion ou Li-Po)
Avantage : légère, bonne autonomie, pas d’effet mémoire, grande variété de formes.
Inconvénient : batterie très onéreuses, s’use dans le temps même sans utilisation.
=> Semble être la batterie la plus adaptée a nos besoin.

Trouver le meilleur rapport capacité / taille, poids de la batterie

Batterie 45.png

La batterie : Au vu de ses avantages, j'ai choisie les batteries Lithium (voir partie précédente).
Une taille de 5000mAh pour la batterie m’a paru être un bon compromis capacité/taille/poids : on pourrait alors recharger environ 1.5 fois un smartphone récent. Cela m’a semblé suffisant étant donné que la batterie est un dispositif de secours dans le cas où le soleil vient à manquer au moment de recharger l’appareil connecté.

En parcourant les différents sites de commande de matériel, j'ai réalisé que les accus coûtaient relativement cher.

Dans un premier temps, j’ai donc choisi d’acheter une batterie externe moins coûteuse, et je l’ai démontée pour récupérer les accus et le système de recharge. Les accus récupérés avaient une capacité de stockage totale est de 5000mAh et se rechargeaient en 6-7 heures (soit en une bonne journée d'été) en 5V et 0,833mA. Ce dispositif était donc compatible avec la puissance des panneaux solaires retenus, qui produisent 5W en plein ensoleillement (voir #Choix du module solaire). A noter que la batterie pouvait aussi être rechargée sur secteur s’il n'y avait pas de soleil. Cependant, la batterie a été irrémédiablement endommagée lors du démontage, et ne pouvait plus être utilisée.

Dans un second temps, j’ai donc choisi d’utiliser trois petites batteries d’un drone de récupération (montés en parallèle) pour une capacité totale de 600mAh. Elles avaient l’avantage d’être plutôt légères (100g). La capacité de ma batterie de secours est donc au final plutôt réduite, mais cela m’a permis de montrer que le dispositif complet fonctionnait.

Le système de charge : Pour ce qui est du système de charge des batteries, il était prévu de récupérer le système de charge déjà présent dans les batteries de récupération. Cependant, comme j’ai utilisé une carte standard PCB qui possédait déjà son propre système de recharge de batterie, je n’ai pas eu besoin de récupérer celui des batteries.

Prévoir un circuit de charge pour la batterie

Etant donné que je récupère celui présent dans la batterie externe je n'ai pas besoin de le concevoir ou de l'acheter

La gestion d'énergie

Le régulateur de charge : MPPT

Mppt 45.png

Un système photovoltaïque est doté d’un étage d’adaptation DC-DC entre le module photovoltaïque et la charge. Il permet d’alimenter une batterie servant de stock d’énergie ou une charge qui ne supporte pas les fluctuations de tension. Cet étage d’adaptation dispose d’une commande MPPT, qui lui permet de rechercher le point de puissance maximal que peut fournir un ou plusieurs modules photovoltaïques. L’algorithme de recherche MPPT peut être plus ou moins complexe en fonction du type d’implémentation choisi et des performances recherchées.

La commande MPPT est une partie essentielle dans les systèmes photovoltaïques. Elle consiste en l’ajustement du convertisseur afin de récupérer le maximum d’énergie produite par les celuules solaires, c'est à dire minimiser les pertes d’énergie. Le modèle de la caractéristique courant-tension est non linéaire, avec des contraintes de température et d’ensoleillement qui varient d’une manière aléatoire ce qui nous confronte à un problème d’optimisation non linéaire.










Le système pourrait donc resembler a celui ci:

P45 MPPT.png



  • Les panneaux photovoltaïque : permettent l’alimentation de la charge.
  • Le convertisseur DC/DC : permet d’obtenir une tension continue variable a partir

d’une tension continue fixe.

  • Le MPPT : permet d’extraire la puissance maximale produite par les

modules photovoltaïques

  • Le système de gestion : assure la gestion du flux d’énergie en alimentant la charge et/ou la batterie tout en l'à protégeant contre la surcharge et la décharge profonde.














Le LT3652Permet de répondre a tous ces besoins puisqu'il possède les fonctionnalités suivantes:

Fonctionnalites 45.png

Choix des composants à additionner au LT3652:

Composant 45.png

En suivant la datasheet: [9], nous allons dimensionner les composant à ajouter au LT3652.

Le panneau solaire sera connecté au PCB via un header puis connecté a la broche Vin. Etant donné que le LT3652 est polarisé directement à partir de l’entrée par le biais de la broche VIN. Cette alimentation peut fournir des courants commutés importants. Il est donc recommandé d'utiliser un condensateur de découplage afin de minimiser les problèmes de tension sur le VIN. D'après la datasheet, 10µF est généralement suffisant pour la plupart des applications de chargeur.

La broche Vin_Reg permet la surveillance de la tension du panneau solaire, avec un diviseur de résistance suivant cette équation :

Formule Rin 45.png

Après calcul, avec Vin=12V et en posant Rin2=100kΩ. On obtient Rin1=345KΩ.

On programme la tension d'alimentation de crête du panneau solaire, puis le LT3652 asservit le courant de charge de sortie maximal afin de maintenir un puissance maximal en sortie.

La broche SHDN n'a pas d'utilité dans notre cas, d'après la datasheet, si l'on ne veut pas l'utiliser il suffit de la connecter au Vin.

Les broches CHRG et FAULT: le LT3652 contient deux sorties numériques à collecteur ouvert. Ces broches codées en binaires signalent les modes de charge, de veille ou d'arrêt de la batterie, les défauts de température de la batterie et les défaillances de batterie. Elles pourront être connecté a une entrée d'Arduino ou a des Leds témoins.

Toujours d'après la datasheet, on doit connecter un condensateur de <=1µF entre les broches SW et BOOST ainsi qu'une diode Zener avec la cathode vers le BOOST et l'anode vers la batterie.

De plus une bobine doit être connécté entre la broche SW et SENSE, le critère principal pour la sélection de la valeur de cette bobine est le courant ondulé créé dans celle-ci.

Indutor 45.png

Une fois que la valeur de la bobine est déterminée, on doit également avoir un courant de saturation égal ou supérieur au courant de crête maximum dans la bobine. C'est a dire un courant supérieur à cette formule :

Courant inductor 45.png

On obtient donc une bobine de 5,11uH soit environ L=5uH et qui doit avoir un courant max de saturation supérieur a Imax>1,20A.


On rajoute entre la broche SW et le GND, une diode Schottky qui fournit un chemin pour le courant de la bobine lorsque le LT3652, n'est pas en fonctionnement. Le redresseur est sélectionné en fonction de la tension directe, de la tension inverse et du courant maximal.

Zener 45.png

Ainsi, on obtient une diode avec: Imax>1,5A et V>=12V

Pour paramétrer la condition de charge de la batterie, cela se fait avec un diviseur de tension, en la broche BAT et Vfb, la résistance équivalente des trois résistance doit faire 250KΩ, et suivre les equations suivante:

Calc resistance 45.png

Après calcul, on obtient :
Rfb1= 40kΩ
Rfb2= 330kΩ
Rfb3= 215kΩ


Le courant de sortie max ce paramètre avec un résisatnce Rsense, connecté sur la broche SENSE. Elle se calcul en suivant la relation suivante :

Resistance courant 45.png

Donc si on veut un courant de sortie de 2A, il faut une resistance de :
Rsense= 0,1Ω

Le cahier des charges précise que la sacoche doit être ignifuge, cela tombe bien la broche NTC une fois connecté a une thermistances, permet de stopper le composant en cas de surchauffe, et donc de prévenir tout dégât.

Enfin entre la broche BAT et le GND on ajoute deux condensateurs, un de 10µF pour le découplage de la sortie, et une de 100µF en tantale à semi-conducteurs ou organiques à semi-conducteurs, qui va permettre d'après la datasheet de pouvoir recharger un appareil alors que la batterie sera retirée.

Concevoir le bloc de gestion d'énergie (avec une carte Arduino en microcontrôleur)

Ce système de gestion, a pour but de contrôler l'énergie produite par les panneaux photovoltaïques et de contrôler les échanges d’énergies entre les différents composants. Ce système de gestion permet aussi le contrôle de l’état de charge de la batterie, pour une protection contre les surcharges et les décharges profondes.

Bloque gestion.png

Ce système possède 6 modes en fonction de l'état de charges de la batterie et de la puissance fournie par le module solaire:

Mode 1:
Le module solaire fournie plus d'énergie que la charge en a besoin : Puissance_Solaire > Puissance_Charge
Le surplus recharge la batterie (Tant que: Pourcentage_Batt < 95%)

Mode 2:
Le module solaire ne suffit pas a la charge: Puissance_Solaire < Puissance_Charge
La batterie ajoute sa puissance pour combler le manque : Puissance_Charge = Puissance_Solaire + Puissance_Batt
On vérifie que la batterie à un niveau de charge suffisant pour ne pas l'endommager: Pourcentage_Batt > 10%

Mode 3:
Pas de soleil: Puissance_Solaire = 0W
La batterie fournie toute la puissance: Puissance_Charge = Puissance_Batt (Tant que: Pourcentage_Batt > 10%)

Mode 4:
Le module suffit a alimenter la charge: Puissance_Charge = Puissance_Solaire

Mode 5:
Plus de batterie: Pourcentage_Batt < 10%
Pas de soleil: Puissance_Solaire = 0W

Mode 6:
Pas de charge connécté: Puissance_Charge = 0%
La module solaire recharge la batterie


Récapitulation des modes en fonction des interrupteurs:

Mode K1 K2 K3 Courant de charge
Mode 1 ON ON OFF I_charge = I_solaire - I_batt
Mode 2 OFF ON ON I_charge = I_solaire + I_batt
Mode 3 OFF OFF ON I_charge = I_batt
Mode 4 OFF ON OFF I_charge = I_solaire
Mode 5 OFF OFF OFF I_charge = 0
Mode 6 ON OFF OFF I_batt = I_solaire


L'Arduino fera alors la lecture des capteurs (de charge de la batterie, de présence de la charge, du courant fournie par le panneau,...) et gérera en conséquence les interrupteurs.

Acheter un module tout en un, pour avoir une système viable et a comparer avec celui qui sera conçu

SunFlower.png

Datasheet du SunFlower:[[10]]

Cette carte SunFlower de DFRobot permet la charge d'un accu via un panneau solaire et dispose de sorties 3,3 - 5 - 9 - 12 Vcc et USB.

Ce module dispose de la fonction MPPT (Maximum Power Point Tracking) permettant d'obtenir une tension constante et une puissance optimale en sortie. Cette fonction peut être activée via un sélecteur.

Si la cellule solaire n'est pas suffisamment puissante l'accu peut être rechargé via le connecteur mini-USB. La carte comporte plusieurs protections contre les sur-intensités (accu LiPo et sorties), contre les courts-circuits/surchauffe en sortie et contre les inversions de raccordement sur l'entrée pour panneau solaire.


Fusionner les éléments

Schematic et Routage

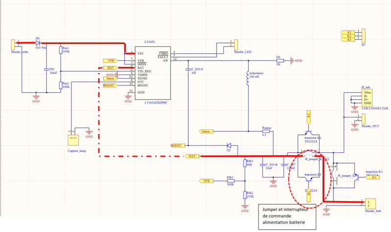
Le schéma électrique complet est le suivant :

Courbes
Schématic complet


Les principaux chemins d'énergies théoriques sont les suivants

La charge alimenté par la batterie (lorsque les modules solaires ne fournisse pas assez de puissance):

Courbes
Chemin d'énergie entre la batterie et la charge

La batterie alimentée par les modules solaires:

Courbes
Chemin d'énergie entre les modules solaire et la batterie

La charge directement par les panneaux solaires

Courbes
Chemin d'énergie entre les modules solaire et la charge

Cette liste n'est pas exhaustive, il y a en effet d'autres chemins d'énergie possible, ce sera donc à l'utilisateur de choisir, soit manuellement, soit automatiquement, le chemin d'énergie qu'il préfère. (voir tous les chemins d’énergie ici #Concevoir le bloc de gestion d'énergie (avec une carte Arduino en microcontrôleur))

Afin de pouvoir choisir manuellement ou automatiquement, les chemins d'énergie des jumpers et transistors ont été installé comme on peut le voir sur les illustrations ci-dessus.

Fabrication de la sacoche

Courbes
Sacoche et son intérieur rigide avant découpe
Courbes
Vu intérieur de la sacoche avec ses poches
Courbes
Découpe de la partie rigide intérieure
Courbes
Modules solaires ajoutés sur la partie rigide

Fonction additionnel

Jauge de batterie

Une jauge de batterie a été ajouté a l'application bluetooth, je calcule le pourcentage de batterie en mesurant la tension de la batterie (3V-> 0% et 4.2V ->100%). Si potentiellement j'installe des batteries avec un voltage plus élevé (Les entrée analogique de l'arduino n’accepte que du 5V au maximum) j'ai préféré mesurer cette tension a l'aide d'un pont diviseur de tension. J'ai utilisé une résistance de 1k.ohms et une de 10k.ohms, ainsi je peux mesurer des tensions allant jusque 50V.

P45 jauge batt.jpg
P45 Diviseur de tension.PNG
















Bandeau de LED, connecté a une application sur téléphone

P 45 led.jpg


Les leds clignotants sont contrôlés directement via l'application bluetooth (voir image partie précédente), ce sont deux transistors qui permette d'ouvrir l'alimentation au, deux fois six leds. Et un buzzer confirme l'activation des leds clignotantes a l'utilisateur.














Phase de tests

Module fabriqué

P45 carte maison.png

Il possède un module bluetooth low énergie relié a une arduino.

Module SunFlower

Liste des rendements en fonction des sorties utilisées (données fournie par la datasheet):
OUT1 (5V): 86%
OUT2 (3.3V): 92%
OUT3 (9V): 89%
Chargeur USB: 84%

Récapitulatif des caractéristiques de la sacoche

P45 final.jpg

Documents Rendus

biblio: [[11]]


Diapo présentation : [[12]]