Fichier:Schematique main s11.JPG
De Wiki de Projets IMA
Révision datée du 4 avril 2019 à 09:25 par Jobled (discussion | contributions) (Schématique du circuit principal à la semaine 11)
Taille de cet aperçu : 800 × 499 pixels. Autres résolutions : 320 × 200 pixels | 1 219 × 761 pixels.
Fichier d'origine (1 219 × 761 pixels, taille du fichier : 166 Kio, type MIME : image/jpeg)
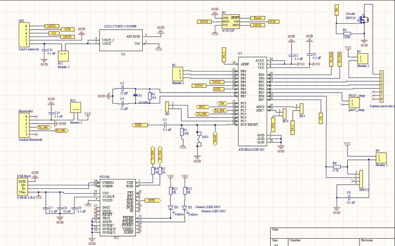
Schématique du circuit principal à la semaine 11
Historique du fichier
Cliquer sur une date et heure pour voir le fichier tel qu'il était à ce moment-là.
| Date et heure | Vignette | Dimensions | Utilisateur | Commentaire | |
|---|---|---|---|---|---|
| actuel | 4 avril 2019 à 09:25 | 1 219 × 761 (166 Kio) | Jobled (discussion | contributions) | Schématique du circuit principal à la semaine 11 |
- Vous ne pouvez pas remplacer ce fichier.
Utilisation du fichier
La page suivante utilise ce fichier :