Fichier:Schematique mars.JPG
De Wiki de Projets IMA
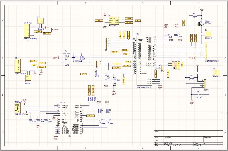
Révision datée du 4 mars 2019 à 17:53 par Jobled (discussion | contributions) (Schématique du circuit principal - début mars)
Taille de cet aperçu : 800 × 530 pixels. Autres résolutions : 320 × 212 pixels | 1 129 × 748 pixels.
Fichier d'origine (1 129 × 748 pixels, taille du fichier : 155 Kio, type MIME : image/jpeg)
Schématique du circuit principal - début mars
Historique du fichier
Cliquer sur une date et heure pour voir le fichier tel qu'il était à ce moment-là.
| Date et heure | Vignette | Dimensions | Utilisateur | Commentaire | |
|---|---|---|---|---|---|
| actuel | 4 mars 2019 à 17:53 | 1 129 × 748 (155 Kio) | Jobled (discussion | contributions) | Schématique du circuit principal - début mars |
- Vous ne pouvez pas remplacer ce fichier.
Utilisation du fichier
La page suivante utilise ce fichier :