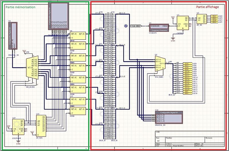
Fichier:Schema16seg.jpg
De Wiki de Projets IMA
Révision datée du 17 juin 2013 à 16:01 par Qsultana (discussion | contributions)
Taille de cet aperçu : 800 × 528 pixels. Autres résolutions : 320 × 211 pixels | 979 × 646 pixels.
Fichier d'origine (979 × 646 pixels, taille du fichier : 259 Kio, type MIME : image/jpeg)
Historique du fichier
Cliquer sur une date et heure pour voir le fichier tel qu'il était à ce moment-là.
| Date et heure | Vignette | Dimensions | Utilisateur | Commentaire | |
|---|---|---|---|---|---|
| actuel | 17 juin 2013 à 16:01 | 979 × 646 (259 Kio) | Qsultana (discussion | contributions) |
- Vous ne pouvez pas remplacer ce fichier.
Utilisation du fichier
La page suivante utilise ce fichier :