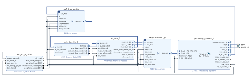
Fichier:Axi dma ex block design.png
De Wiki de Projets IMA
Révision datée du 8 février 2019 à 11:35 par Amachere (discussion | contributions)
Taille de cet aperçu : 800 × 269 pixels. Autres résolutions : 320 × 108 pixels | 1 583 × 532 pixels.
Fichier d'origine (1 583 × 532 pixels, taille du fichier : 67 Kio, type MIME : image/png)
Historique du fichier
Cliquer sur une date et heure pour voir le fichier tel qu'il était à ce moment-là.
| Date et heure | Vignette | Dimensions | Utilisateur | Commentaire | |
|---|---|---|---|---|---|
| actuel | 8 février 2019 à 11:35 | 1 583 × 532 (67 Kio) | Amachere (discussion | contributions) |
- Vous ne pouvez pas remplacer ce fichier.
Utilisation du fichier
La page suivante utilise ce fichier :