IMA4 2018/2019 P12

De Wiki de Projets IMA
Révision datée du 7 février 2019 à 11:19 par Cdanjou (discussion | contributions) (Suite de la réalisation du schématique pour notre schield Arduino)


Présentation générale

  • Nom du projet : Recyclage plastique pour imprimante 3D
  • Résumé : Le but du projet est de réaliser une machine permettant de recycler a minima le PLA (ou ABS si possible) afin d'en faire un nouveau filament réutilisable.
  • Etudiants : DANJOU Corentin et MULON Pol
  • Encadrants : Alexandre Boé, Xavier Redon, Thomas Vantroys

Description

Alors que le nombre d’utilisateurs d’imprimantes 3D ne cesse d’augmenter, certains apprennent à leurs dépends les difficultés d’une impression réussie. Entre les chutes d’impression ratées et les déchets liés aux supports et raft d’impression, le recyclage plastique apparaît comme une nécessité absolue ! C’est pourquoi durant ces dernières années plusieurs fabricants se sont lancés sur ce marché en proposant à leurs utilisateurs de s’affranchir des contraintes liées à l’achat de bobines de filament grâce à des machines bien particulières : les extrudeurs de filament. Un extrudeur de filament est tout simplement une machine à fabriquer du filament pour imprimantes 3D. Son fonctionnement est assez simple : on verse des granulés de plastique d’un côté et l’extrudeur produit du filament au diamètre souhaité.

Mais quels sont les réels avantages d'utiliser un extruder a filament pour imprimante 3D ?

  • Economique : le PLA et l’ABS sont moins onéreux sous forme de granulés que de filaments. Il est facile de se procurer sur internet des granulés de différents types de plastique.
  • Personnalisation : il est relativement facile de tester différents types de plastiques et diamètres pour obtenir le filament parfaitement adaptés aux besoins de l'utilisateur.
  • Ecologique : il est possible d’utiliser des granulés produits avec du plastique recyclé, rendant ainsi l’impression 3D beaucoup plus écologique. Il est même possible de recycler ses propres déchets plastiques issus de précédentes impressions en utilisant une broyeuse plastique afin de produire des granulés qui seront ensuite transformés en filament.


Objectifs

Nous proposons alors de réaliser une machine permettant de recycler à minima le PLA (ABS si possible), composée :

  • d'une unité de broyage et de stockage des déchets plastique ;
  • d'une unité permettant de faire fondre le plastique à la température souhaitée ;
  • d'une unité de filage du plastique fondu, avec contrôle du diamètre du fil.

Afin de mener ce projet, nous avons décidé de découper notre travail en 3 différentes phases.

Conception mécanique :

  • Nous devons concevoir un châssis de machine capable de supporter les différents éléments de celle ci.
  • Nous devons aussi réaliser un système mécanique de broyage permettant d'obtenir, à partir des déchets de PLA, des copeaux de plastique de taille convenue qui pourront par la suite être transformés en fil.
  • Il nous faut aussi concevoir un système d'acheminement entre les différentes parties de notre projet, ceci fait à partir d'une vis sans fin.

Conception électronique :

  • Dans cette partie nous devons gérer les servomoteurs qui permettront d'entraîner la vis sans fin du système d'acheminement des copeaux.
  • Nous devons notamment aussi mettre en place un système de fonte du plastique ainsi que la régulation de la température de ce système à l'aide de capteurs de températures.
  • Pour la partie broyage nous devons concevoir un moteur et l'alimenter pour faire tourner les lames du broyeur.

Développement :

  • Nous devons, dans cette partie, programmer un microcontrôleur qui gérera la mise en marche et l'arrêt de la machine. Il gérera aussi l'ajustement de la température de fonte ainsi que la vitesse de rotation des lames du broyeur et de la vis sans fin.
  • Nous envisageons aussi de pouvoir contrôler le diamètre du fil voulu en sortit à l'aide du microcontrôleur ajustant la taille de l'ouverture de sortit.


Analyse du projet

Positionnement par rapport à l'existant

Aujourd'hui plusieurs fabricants se sont lancés dans la conception d'extrudeur de filament. Cependant les produits restent encore assez chers et il faut avoir une utilisation intensive pour les rentabiliser. Il faut aussi une certaine expérience de l’impression 3D et des compétences techniques pour tirer le meilleur parti de ces machines. Il n’en reste pas moins que pour des utilisateurs avancés, des professionnels ou gérants de fablabs, l’investissement vaut la peine d’être étudié. En revanche il existe aussi des projets collaboratifs open source et gratuits permettant aux plus aguerries de fabriquer eux même leur propre extrudeur de filament. C'est dans cette même optique que nous allons réaliser notre projet en concevant une machine relativement simple, facile d'entretient et dont on pourra aisément changer les pièces défectueuses.

Analyse du premier concurrent

Original - Extrudeur de filament par Filabot

Filabot est une start-up basée dans l’état du Vermont aux Etats-Unis. Son fondateur Tyler McNaney a eu l’idée, en Décembre 2012, de recycler des déchets plastiques pour en faire du filament pour imprimantes 3D. Après une campagne Kick-starter couronnée de succès, la start-up se développe rapidement et vend aujourd’hui ses extrudeurs partout dans le monde. Leur premier modèle, le Filabot Original, coûte environ 850 € et leur modèle phare, le EX2, coûte lui environ 1920 € (il est aussi 5 fois plus rapide que le Original !). La technologie Filabot permet d’obtenir un filament d’un diamètre constant avec une grande fiabilité, c’est pourquoi de nombreux grands noms de l’industrie, comme la NASA ou Siemens, ont choisi ces extrudeurs pour produire leur filament.

Analyse du second concurrent

Pour les utilisateurs avancés qui désire réaliser leur propre extrudeur de filament, il existe plusieurs projets collaboratifs en open-source et gratuits. Voici 4 exemples de ces derniers facilement consultables sur internet :

3D printer filament factory
  • Plastic Bank Extruder v1.0
  • RecycleBot
  • 3D printer filament factory
  • Precious Plastic

Cependant nous avons retenu le projet 3D printer filament factory en tant que réel concurrent car il permet à l'aide de matériaux simples tels que le bois, le plastique, et quelques vis à recréer un extrudeur de filament. Le prototype décrit dans ce projet permet de recréer environ 1kg de filament par heure et il est estimé que pour 4 à 5 heures de fonctionnement pour la machine cela permettrait d'économiser 125 à 150$. Le coût de construction de la machine s'élève quant à lui entre 130 et 150$. Ce dernier pourrait donc nous concurrencé dans l'idée de concevoir et développer un concept "maker" pour ce type de machine.

Scénario d'usage du produit ou du concept envisagé

Pour le scénario d'usage replaçons tout d'abord le contexte; nous nous trouvons dans un fabricarium d'une école d'ingénieur. Dans ce fabricarium se trouve plusieurs imprimantes 3D qui sont très utilisées par les élèves. Cependant il y'a pas mal de déchets plastiques issues des impressions ratés ou des supports et des rafts d'impressions. Le gérant du fabricarium, que l'on va appeler le fab manager, ne sait pas quoi faire des ces déchets et cherche à s'en débarrasser. C'est alors que notre machine intervient ! Le fab manager peut alors récolter tous les déchets plastiques puis les insérer dans la broyeuse de la machine qui va alors produire des granulés. Une fois le plastique broyé, les granulés vont alors être transformés en filament à l'aide de l'extrudeuse. Le fab manager pourra donc récupérer le filament et le réutiliser pour les imprimantes 3D du fabricarium plutôt que de racheter des bobines de fils et ainsi économiser de l'argent.

Réponse à la question difficile

Question 1 - Comment quantifier et définir la vitesse de tirage du filament ?

La modélisation et la commande d'un procédé d'extrusion réactive sont très complexes et les équations sont explicités à travers ce mémoire : Mémoire sur l'extrusion réactive

Pour ce qui est de la quantification et la définition de la vitesse de tirage du filament, elle se fait selon le type de plastique utilisé, ainsi répertoriées dans le tableau ci-dessous avec les températures de fontes de ces mêmes plastiques.


Question 2 - Quelle est l'influence du diamètre d'ouverture variable sur la vitesse de tirage du filament ?

Suite à nos recherches, nous avons pu remarquer que la réalisation d'un embout à diamètre variable serait d'une complexité assez importante. En effet la réalisation d'un embout de type "diaphragme" poserait des problèmes d'étanchéité ou de résistance à la chaleur. Nous avons donc pris la décision de ne pas effectuer d'ouverture à taille variable.

Préparation du projet

Cahier des charges

Le cahier des charges est susceptible d'évoluer suite à la commande possible ou non de certaines pièces et matériaux qui constitueront notre machine et des technologies mise à notre disposition.

Périmètre

Dans une démarche à la fois orientée vers le développement durable mais également dans l'utilité réelle de notre réalisation, notre choix de projet s'est orienté vers ce dernier. De plus nous avons l'intention d'installer notre machine au Fabricarium de Polytech afin de pouvoir recycler les déchets plastiques et produire du filament.

Descriptions fonctionnelles des besoins

Broyer les chutes et les rafts d'impressions
Objectif Le but est d'obtenir à partir des chutes et rafts d'impressions des granulés de plastique suffisamment petit afin qu'il puisse être facilement acheminé dans l'extrudeur et ne pas obstruer la machine.
Description Nous allons réaliser une broyeuse plastique qui permettra de broyer le plastique et ainsi obtenir les granulés. La broyeuse sera composée de lame de différentes tailles tournantes autour d'un axe hexagonale afin d'exercer une certaine force sur le plastique qui sera ainsi broyé. Les granulés récupérés seront alors filtrés à l'aide d'un tamis.
Contraintes Les granulés obtenus doivent êtres d'environ 3 à 5 mm de diamètre.
Acheminer les granulés à travers la chambre de combustion
Objectif Le but est de mettre en place un système qui permettra aux granulés de transiter de la zone d'insertion des granulés jusqu'à la zone d'extrusion en passant par la chambre de combustion.
Description Nous allons utiliser une motoréducteur 12V qui contrôlera la rotation d'une vis sans fin qui permettra le parcours des granulés le long de l'axe principal de notre machine.
Contraintes Il est important de contrôler la vitesse de la vis sans fin.
Faire fondre les granulés de plastique
Objectif Le but est de faire fondre les granulés et d'obtenir une matière 'visqueuse' qui sera acheminé jusqu'à la buse de l'extrudeur .
Description Nous allons réaliser une chambre de combustion dans laquelle passeront les granulés de plastique. Ces derniers vont fondre et être acheminé jusqu'à la buse de la machine afin de sortir de filament qui refroidira à l'air ambiant.
Contraintes Les températures de fusion sont propres à chaque matériau utilisé. Pour le PLA elle est de 180° (+/- 10°) et pour l'ABS elle est de 200° (+/- 10°).
Alimenter électriquement notre machine
Objectif Le but est de limiter la consommation en énergie de notre machine.
Description Nous allons étudier les besoins pour l'alimentation et choisir les composants électroniques qui permettrons d'optimiser le circuit imprimé qui contrôlera l'ensemble de notre machine.
Contraintes /

Budget et délais

Nous avons un semestre pour réaliser ce projet. Quant à lui, le budget ne nous a toujours pas été communiqué.

Choix techniques : matériel et logiciel

Broyeur

Liste du matériel :

Ci-dessous vous pourrez retrouver la liste du matériel nécessaire à l'élaboration de notre broyeuse plastique. Attention cette liste n'est qu'à titre indicatif car nous ne savons pas quelles technologies sont à notre disposition (par exemple, une machine pour découper de l'acier). De plus les matériaux sont assez couteux, il faudrait essayer de trouver des alternatives pour chaque composants.

Éléments à découper en fonction de l'épaisseur de la tole d'acier

Élément constituant la machine

  • Tole en acier d'épaisseur 1mm
  • Tole en acier d'épaisseur 3mm
  • Tole en acier d'épaisseur 5mm
  • Tole en acier d'épaisseur 6mm
  • Barre héxagonale en acier de longueur 32cm
  • Profil d'angle en acier de taille 30x30x3mm (100cm)
  • Maille métallique 150x180x1,5mm

Partie Électronique

Choix techniques :

Notre broyeur est constitué uniquement de pièces métalliques car nous ne savons pas encore si un autre matériau pourra supporter les forces exercées par le couple moteur qui va broyer le plastique. Quant à elle, la partie électronique est assez simple, elle comporte simplement un switch qui permettra d'allumer ou éteindre le moteur et donc de mettre en route notre broyeuse.

Extrudeur

Liste du matériel :

Éléments constituants la machine


Partie électronique

Choix techniques :

Nous avons décidé de réaliser nous même le support de l'extrudeur à l'aide de l'imprimante 3D ainsi que l'entonnoir dans lequel seront versés les granulés. De plus nous allons réaliser nous même le circuit électronique qui permettra de contrôler la température, la vitesse du moteur et l'alimentation générale de la machine. Le tout sera installé dans un support rectangulaire en bois que nous fabriquerons à l'aide de la découpeuse laser.

Liste des tâches à effectuer

Calendrier prévisionnel

Réalisation du Projet

Feuille d'heures

Tâche Prélude Heures S1 Heures S2 Heures S3 Heures S4 Heures S5 Heures S6 Heures S7 Heures S8 Heures S9 Heures S10 Total
Analyse du projet 2 2 1
Recherche de solutions techniques 2 2 3
Conception électronique 1
Conception mécanique
Rédaction du wiki 1 2 1
Total de la semaine (heure) 5 6 6

Prologue

Notre projet consiste donc à réaliser deux machines : une broyeuse pour les chutes de PLA et un extrudeur de filament pour produire du filament réutilisable pour les imprimantes 3D du Fabricarium. Il y a donc une grosse partie conception mécanique dans ce projet et notamment au niveau de la partie broyeuse qui nécessite l'usinage de lame pour broyer le PLA. Nous avons donc décidé de nous concentrer tout d'abord sur la réalisation de l'extrudeur.

L'extrudeur comporte deux grosse parties :

  • Une partie électronique pour le contrôle des moteurs et la régulation du système en température.
  • Une partie mécanique qui consiste à designer le châssis et à déterminer quel matériau et solution nous allons utiliser.

Nous nous sommes donc réparti le travail en deux. Un de nous va travailler sur la partie électronique et l'autre sur la partie mécanique.

Semaine 1

Durant cette première semaine de projet, nous sommes concentré sur la recherche des solutions techniques que nous allons utiliser pour réaliser notre extrudeur de filament. Après de longues discussions avec notre tuteur de projet, plusieurs dilemmes et questions sont apparus. Ces derniers nécessitent donc d'être étudiés avec minutie car ils constituent des éléments clés dans la réalisation de notre projet.

Premier dilemme - Moteur à courant continu ou moteur pas à pas ?

Le principe de fonctionnement du moteur à courant continu est simple. Il est formé d'un stator qui crée un champ magnétique fixe. Grâce à ce champ magnétique, le rotor est alimenté à travers le système de contact balais - collecteur et le courant qui le traverse lui donne son mouvement de rotation. Cependant des perturbations peuvent faire varier la vitesse de rotation de notre moteur ce qui pourrait entraîner des perturbations dans la vitesse d'extrusion et des anomalies dans l'épaisseur du filament.


Les moteurs pas à pas ne sont pas des moteurs très rapides (les plus rapides d'entre eux ne dépassant pas les 3000tr/min) mais se sont des moteurs à durée de vie très élevée. Ils sont notamment utilisés dans les dispositifs nécessitant un contrôle de vitesse ou de position en boucle ouverte. Cependant l'utilisation de ces moteurs doit faire l'objet d'une étude assez approfondie sur la masse à déplacer dans le cas de couples potentiellement très élevés.

Second dilemme - Mise en place d'un correcteur PID pour l'asservissement en température de l'extruder

Semaine 2

Résolution du premier dilemme - Moteur à courant continu ou moteur pas à pas ?

Lors de la précédente séance nous nous étions demandé quel type de moteur était le plus adapté pour pouvoir entraîner notre vis sans fin. Suite à nos recherches nous avons pu constater qu'il nous fallait une vitesse de rotation assez peu élevée, aux alentours de 50 tours par minutes., cette vitesse n'est donc pas un facteur restrictif pour le choix du moteur. Nous avons donc vérifié les besoins en régulation et en précision de la vitesse de rotation de la vis. De ce fait nous avons pu mettre en évidence qu'une vitesse de rotation stable était optimale et permettait une meilleure extrusion du PLA, notre choix semble donc se porter vers le moteur pas à pas.

A la suite de ce premier choix et après discussion avec Monsieur Redon, il nous a fait découvrir les servomoteurs à rotation continue. Ces moteurs nous permettent un très bon compromis entre les deux moteurs vus précédemment. En effet, ceux-ci sont assez simples à réguler tout en mettant à disposition une précision de vitesse plus que suffisante pour ce qu'il nous faut. De plus nous avons pensé à rajouter un moteur en sortie de buse pour tirer le fil. C'est donc se moteur qui permettra d'obtenir un diamètre de fil constant, il évitera aussi les potentiels bouchons qui aurait pu se former en bout de notre extrudeur.

Pour le choix de ce moteur en particulier en revanche, les servomoteurs à rotation continue ne sont pas assez précis en vitesse. En effet, une toute petite variation de vitesse de ce moteur impacterait grandement la qualité du fil avec un diamètre irrégulier, et donc fragiliserait ce dernier. Il est donc tout naturel que notre choix se tourne vers le moteur pas à pas dans cette situation.

Résolution du second dilemme - Mise en place d'un correcteur PID pour l'asservissement en température de l'extruder

Afin d'optimiser la régulation en température de notre extrudeur de filament, nous allons mettre en place un correcteur PID.

Matériel utile à la réalisation du PID :

  • Arduino Uno
  • Convertisseur MAX6675
  • Thermocouple K
  • Résistance 10 kOhms
  • Transistor IRFZ44N
  • Transistor S8050
  • Écran LCD 16x2

Principe de fonctionnement :

Un thermocouple est simplement formé de 2 fils métalliques différents soudés ensemble. Le type K comporte une jonction entre chromel (alliage nickel + chrome) et alumel (alliage nickel + aluminium + silicium). Une faible différence de potentiel électrique apparaît à la jonction sous l'effet de la température. Le signal est faible, typiquement 50 microV par degré, la réponse est non linéaire, et il faut une compensation de soudure froide (on mesure un écart de température entre deux jonctions, pas une température absolue).

Malgré ces inconvénients, le thermocouple est très intéressant car il est simple d'emploi, robuste à la chaleur, il couvre une très grande plage de mesure de température avec une forte précision.

On amplifie puis on convertit la mesure analogique en signal numérique, une liaison SPI permet de transmettre facilement à un micro contrôleur (Arduino) le résultat. Le module d'interface de conversion utilisé ici est un MAX6675, il assure l'amplification et la conversion sur 12 bits.

  • GND -> Gnd masse Arduino
  • VCC -> Vcc arduino +5V
  • DO Data Output -> pin 4
  • CS Chip Select -> pin 5
  • CLK clock -> pin 6
  • Le bit 2, normalement à 0, passe à 1 si l'entrée thermocouple est ouverte, alarme possible en cas de rupture
  • Les bits 3 et 4 server à coder la résolution (souvent 0,25°)
  • Les bits 5 à 14 servent à coder la valeur de la température
  • Le bit 15 est à 0 car nous ne prenons pas en considération les températures négatives (Bit de poids fort)

Code Arduino correcteur PID :

Ci-dessous vous pouvez observer le code Arduino qui permettra de faire la régulation PID à partir des données analogiques reçues par le MAX6675. Le projet se divise en grandes parties. La première partie sert à initialiser les entrées et les sorties de l'Arduino ainsi que les variables des correcteurs P,I,D. Pour le moment ces variables sont choisies arbitrairement car ce ne sera qu'après une batterie de tests que nous pourrons déterminer la valeurs des correcteurs. Pour la seconde partie, elle constitue la fonction principale du programme qui effectue une boucle infinie. Tout d'abord nous lisons la température récupérée par le thermocouple K et nous la comparons avec la température de consigne initialisée précédemment; cela correspond donc à l'erreur de température. Nous appliquons ensuite les valeurs des correcteurs P, I et D. Puis on affiche sur le LCD les valeurs de la consigne et de la température lues et on envois la correction vers le chauffage. Enfin dans une troisième partie, on peut retrouver le code correspondant à la lecture des données correspondant à la température sur le MAX6675.

Semaine 3

Durant cette troisième semaine de projet, nous avons tenté de déterminer les différents matériaux à utiliser et les dimensions de ces derniers afin de les commander et pouvoir commencer le montage de la machine. D'autre part nous avons commencé la réalisation de la carte électronique qui permettra le contrôle des moteurs et la régulation de la température.

Tout on réalise le câblage du MAX6675.

Ensuite pour les moteurs pas à pas, on doit les utiliser avec les composants gérant la puissance. Tous les signaux sont tout ou rien et n’ont même pas besoin d’être des PWM.! Ce qui veut dire que les 4 broches de pilotage ont juste besoin d’être reliées à 4 broches numériques de la carte Arduino (2, 3, 4, 5 par exemple). Ce qui nous donne le schéma suivant.

Concernant le choix sur les deux moteurs relatifs à notre projet, nous avons donc pris la décision d'utiliser un servomoteur continu pour faire tourner notre foret ainsi qu'un moteur pas à pas pour tirer le fil en fin d'extrusion, ce qui nécessite un contrôle de la vitesse beaucoup plus précis. C'est choix vont donc naturellement impacter la réalisation de notre shield Arduino.

Semaine 4

Modélisation 3D de différentes parties de notre machine

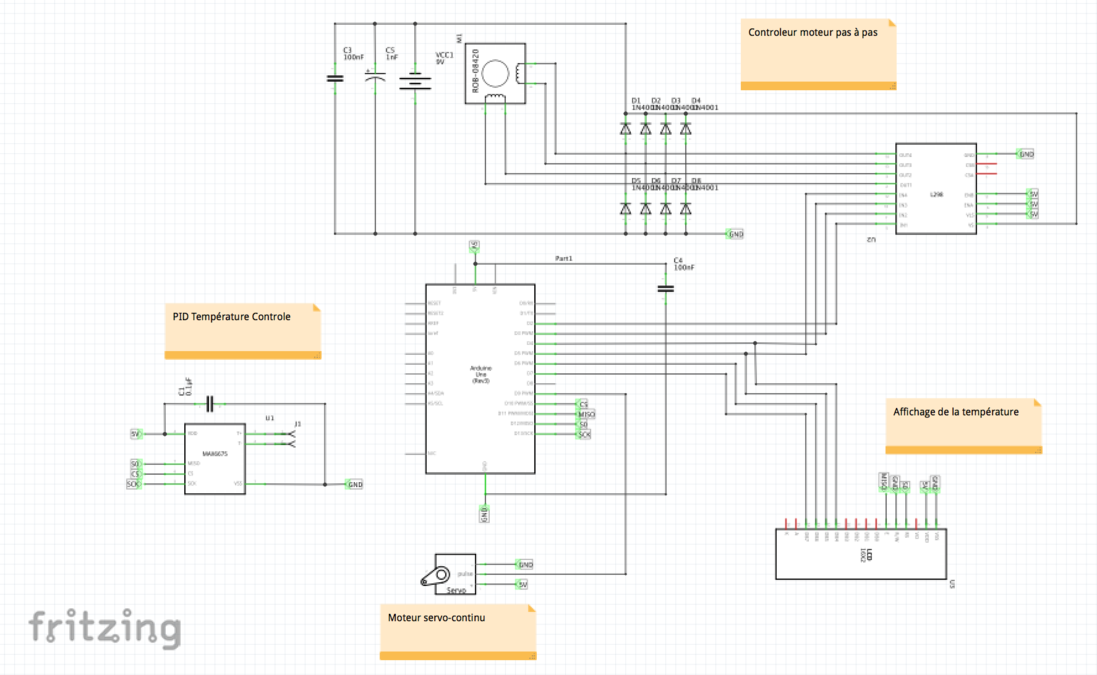
Suite de la réalisation du schématique pour notre schield Arduino

Cette semaine nous avons également continué la réalisation du schématique du shield Arduino et nous avons attaqué la partie contrôleur du moteur pas à pas. En effet nous allons utiliser un moteur pas à pas pour la partie enrouleur du filament car comme vu précédemment, nous avons besoin d'un contrôle de la vitesse beaucoup plus précis. Nous avons également prévu un emplacement pour un moteur servo-continu qui permettra lui de faire tourner la vis sans fin à une vitesse relativement constante et un couple suffisant.

Réponse au mail d'Alexandre Boé et solution pour la résistance chauffante

Suite à un mail d'Alexandre Boé concernant la commande des résistance chauffantes, nous avons dû réfléchir à la mise en place d'une protection car celle ci est câblé sur un 230V. Nous avons alors décidé d'utiliser un relais statique.

Qu'est ce qu'un relais statique ?

Un relais ou contacteur statique est un type de relais spécial qui est fabriqué avec des semi-conducteurs. Offrant les mêmes fonctionnalités de base, ils utilisent un faible signal de commande pour gérer et contrôler un courant ou une tension plus élevée. Ils intègrent un capteur qui répond au signal de commande et qui commute ensuite le courant sur le circuit de charge. Les relais statiques offrent plusieurs avantages. Ils sont extrêmement durables lorsqu'ils sont correctement utilisés, parce qu'ils ne contiennent aucun élément mécanique ou électromécanique mobile. Ils supportent des millions de cycles d'activation et de désactivation sans usure.

Comment fonctionne un relais statique ?

Les relais statiques combinent plusieurs composants. Ils doivent avoir un circuit d'entrée. Chaque circuit est alimenté par une gamme de tension spécifique. Ils doivent aussi avoir une puce optocoupleur, qui fournit une tension d'isolation et une fonction de commutation entre les fréquences hautes et basses. Ce fonctionnement est similaire à celui de l'armature sur d'autres types de relais. Un relais statique nécessite aussi un circuit de sortie, capable de sélectionner une tension CA ou CC.

Ce sont des composants très fréquemment utilisés dans les transformateurs, les systèmes de chauffage, les moteurs, les unités d'alimentation CC et CA, les éclairages fluorescents, les ordinateurs et un grand nombre de produits électroniques grand public. Les relais statiques sont très utiles pour contrôler les systèmes de chauffage.

Documents Rendus