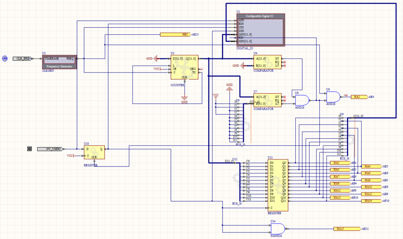
Fichier:Img11.PNG
De Wiki de Projets IMA
Révision datée du 6 juin 2013 à 11:03 par Shaddaou (discussion | contributions)
Taille de cet aperçu : 800 × 474 pixels. Autres résolutions : 320 × 190 pixels | 1 138 × 674 pixels.
Fichier d'origine (1 138 × 674 pixels, taille du fichier : 79 Kio, type MIME : image/png)
Historique du fichier
Cliquer sur une date et heure pour voir le fichier tel qu'il était à ce moment-là.
| Date et heure | Vignette | Dimensions | Utilisateur | Commentaire | |
|---|---|---|---|---|---|
| actuel | 6 juin 2013 à 11:03 | 1 138 × 674 (79 Kio) | Shaddaou (discussion | contributions) |
- Vous ne pouvez pas remplacer ce fichier.
Utilisation du fichier
La page suivante utilise ce fichier :