Fichier:Schema.png
De Wiki de Projets IMA
Révision datée du 10 mai 2013 à 20:59 par Itahry (discussion | contributions) (a téléversé une nouvelle version de « Fichier:Schema.png »)
Taille de cet aperçu : 800 × 477 pixels. Autres résolutions : 320 × 191 pixels | 1 045 × 623 pixels.
Fichier d'origine (1 045 × 623 pixels, taille du fichier : 42 Kio, type MIME : image/png)
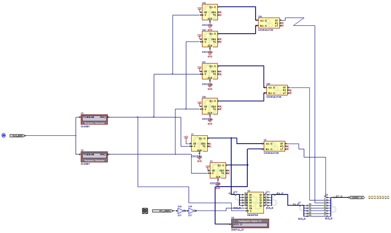
voici la partie numérique
Historique du fichier
Cliquer sur une date et heure pour voir le fichier tel qu'il était à ce moment-là.
| Date et heure | Vignette | Dimensions | Utilisateur | Commentaire | |
|---|---|---|---|---|---|
| actuel | 16 juin 2013 à 12:31 | 1 045 × 623 (42 Kio) | Ctache (discussion | contributions) | PWN fonctionel aplliqué aux 3 axes | |
| 11 mai 2013 à 01:36 | 600 × 451 (50 Kio) | Itahry (discussion | contributions) | |||
| 10 mai 2013 à 20:59 | 620 × 464 (67 Kio) | Itahry (discussion | contributions) | |||
| 15 mai 2011 à 18:45 | 1 354 × 631 (66 Kio) | Creal (discussion | contributions) | voici la partie numérique |
- Vous ne pouvez pas remplacer ce fichier.
Utilisation du fichier
Les 2 pages suivantes utilisent ce fichier :