P15 Réseau de capteurs temps réel
- Etudiant : Edmur Lopes
- Encadrants : Alexandre Boé / Xavier Redon / Thomas Vantroys
Sommaire
- 1 Cahier des charges
- 2 Première semaine (18/09/17 : 24/09/17)
- 3 Deuxième semaine (25/09/17 : 01/10/17)
- 4 Travail réalisé
- 4.1 Récupération du code et installation des outils de compilation
- 4.2 Prise en main de RIOT OS et STM32F4discovery
- 4.3 Mise en place d'un réseau statique entre 3 nœuds
- 4.4 Test, communication réseau
- 4.5 Routage dynamique avec le protocole RPL
- 4.6 Implémentation d'un driver sur RIOT OS
- 4.7 Conception d'un nouveau module RF
- 4.8 Mesure du Round Trip Time
- 5 Conclusion
- 6 Archive Git
Cahier des charges
Contexte
L'industrie 4.0 propose d'organiser les moyens de production de façon agile et autonome. Pour cela, on peut envisager de créer des ilots de travail interconnectés. Chaque ilot pourrait être déplacé pour optimiser soit l'utilisation des ressources soit la production. Dans le cas d'ilots identiques, pour faciliter la mise à jour des systèmes et le contrôle des machines, il peut être intéressant de faire la régulation sur un système "serveur". Les ilots deviennent alors les clients et envoient leurs données au serveur qui renvoie par la suite la commande.
Description du projet
Ce projet consiste à évaluer la possibilité de contrôler en temps réel un robot par liaison sans fil. Cela sera possible avec la mise en place d'un réseau sans fil de capteurs temps réel, afin d'échanger des informations entre les nœuds. Ce réseau va devoir être capable d'effectuer le chemin le plus court vers la cible dans le but de diminuer le temps de propagation de l'information, comme montre la figure ci-après:
Objectif du projet
L'objectif est donc la mise en place d'un réseau avec des cartes stm32 équipées d'un module radio at86rf231, plus précisément:
- Faire des recherches bibliographiques: temps réel, MAC, RIOT OS...
- Prise en main de RIOT OS et de la carte STM32F4
- Mettre en Place un réseau non temps réel
- Étudier les caractéristiques de ce réseau non temps réel: le temps de latence, des éventuels erreurs lors de l'émission...
- Rendre le réseau non temps réel en réseau temps réel
- Mise en place d'une commande automatique en cas de défaut sur le réseau
Première semaine (18/09/17 : 24/09/17)
- Premier Rendez-vous de présentation du projet avec les encadrants
- Analyse du besoin et élaboration du cahier des charges
Deuxième semaine (25/09/17 : 01/10/17)
- Élaboration de la page wiki (présentation du projet)
- Initiation à la recherche bibliographique (RIOT OS, Réseau temps réel, microcontrôleurs ARM (stm32), MAC protocol, RPL, etc.)
Calendrier prévisionnel
Travail réalisé
Récupération du code et installation des outils de compilation
Avant de commencer à programmer une application, il faut tout d'abord cloner le code source de RIOT OS depuis GitHub:
git clone https://github.com/RIOT-OS/RIOT.git RIOT
Il faudra aussi installer les outils nécessaires à la compilation et au débogage de la famille de microcontrôleurs ARM:
sudo apt-get install build-essential g++-multilib gtkterm openocd
Le paquetage g++-multilib est uniquement nécessaire si le système hôte est 64bits.
Installation des compilateurs et ses outils associés:
sudo apt-get install gcc-arm-none-eabi gdb-arm-none-eabi binutils-arm-linux-gnueabi
Prise en main de RIOT OS et STM32F4discovery
RIOT est un système d'exploitation construit autour d'un micro-noyau temps-réel, développé pour les besoins de l'Internet des objets et des réseaux sans fil. Initialement lancé en Europe par INRIA, Freie Universität Berlin, et l'Université de Hambourg en 2013, RIOT est actuellement développé par une large communauté du logiciel libre rassemblant des développeurs du monde entier.
Pour prendre à main RIOT et la carte STM32, On a commencé par réaliser une application basé sur l'exemple "hello_world" de RIOT: cette simple application "gpio_to_serial" est capable d'allumer/éteindre une led dès qu'une interruptions est générée lors qu'on appuie sur le bouton "user" et affiche l'état de la led au terminal:
# GPIO Callback # Message received, LED is ON # GPIO Callback # Message received, LED is OFF # GPIO Callback # Message received, LED is ON # GPIO Callback # Message received, LED is OFF # GPIO Callback # Message received, LED is ON # GPIO Callback # Message received, LED is OFF
Cette application m'a permit de comprendre comment fonctionne le système riot et de passer à la mise en place d'un premier réseau.
Mise en place d'un réseau statique entre 3 nœuds
Maintenant on vais réaliser la mise en place d'un réseau multi-point avec 3 nœuds (2 sauts); Pour que cela soit possible chaque carte ayant un module radio doit avoir son adresse ipv6 global qui va permettre d'échanger des paquets entre elles. On a défini une adresse global du type baad:a555::Hwaddr.
Le réseau statique à 3 nœuds se comporte comme un réseau linéaire avec un nœud central se chargeant uniquement de router les paquets vers la destination:
Pour mettre en place cette structure réseau, RIOT OS dispose des nombreuses fonctions telles quelles:
- ifconfig: permet configurer l'interface réseau.
- fibroute: table dynamique qui lie les adresses MAC aux ports
- pingv6: permet de tester l'accessibilité d'une autre machine à travers un réseau IP en envoyant de paquet ICMPv6
- udp: permet de démarrer un serveur udp et d'envoyer des paquets via le protocole udp sur un port prédéfini
L'exemple gnrc_networking de RIOT, permet de mettre en place la pile réseau GNRC IPv6/6LoWPAN qui est dédié à l'internet des objets. Cet exemple agit comme un routeur et permet de définir des routes statiques ainsi que d'utiliser RPL. On va donc utiliser cet exemple afin de mettre en place le réseau, il suffira de rajouter le module at86rf231 dans le Makefile.
Le node1/client, enverra des paquets avec des ordres de commande vers le node3/serveur (qui correspond au robot avec des moteurs). Ces informations vont tout d'abord passer par le node2 qui est responsable au routage de ces paquets vers le node2. Le node2 va aussi pouvoir retourner des informations vers le node1, par exemple la vitesse de rotation des roues.
Test, communication réseau
Une fois le réseau mis en place, on a fait des tests afin de voir si les cartes arrivaient à communiquer entre-elles. Les résultats ont étés satisfaisants comme le montre les figures ci-dessous:
Après on a éteint node2 et on a essayé de faire un ping à nouveau afin de tester si les paquets ne passaient pas directement du node1 vers node3, sans passer par le deuxième. D'après l'image on voit bien qu'il maintenant impossible de faire un ping:
Server/Client UDP
Tout d'abord on a démarré un serveur upd au node3:
> udp server start 12345 # udp server start 12345 # Success: started UDP server on port 12345
Ensuite on a envoyé un message ("test") UDP du node1 vers le node3:
udp send baad:a555::1736 12345 test # udp send baad:a555::1736 12345 test # Success: sent 4 byte(s) to [baad:a555::1736]:12345
Le message a été bien reçu par le node3, cela montre que le réseau a été bien mis en place:
# PKTDUMP: data received: # ~~ SNIP 0 - size: 4 byte, type: NETTYPE_UNDEF (0) # 00000000 74 65 73 74 # ~~ SNIP 1 - size: 8 byte, type: NETTYPE_UDP (4) # src-port: 12345 dst-port: 12345 # length: 12 cksum: 0xc94b # ~~ SNIP 2 - size: 40 byte, type: NETTYPE_IPV6 (2) # traffic class: 0x00 (ECN: 0x0, DSCP: 0x00) # flow label: 0x00000 # length: 12 next header: 17 hop limit: 63 # source address: baad:a555::1702 # destination address: baad:a555::1736 # ~~ SNIP 3 - size: 24 byte, type: NETTYPE_NETIF (-1) # if_pid: 7 rssi: 21 lqi: 255 # flags: 0x0 # src_l2addr: 10:10:64:32:14:0f:17:32 # dst_l2addr: 10:10:64:2d:14:39:17:36 # ~~ PKT - 4 snips, total size: 76 byte
Routage dynamique avec le protocole RPL
Les progrès technologiques permettent maintenant d’envisager la connexion des objets du quotidien à l’Internet. Des solutions ouvertes et interopérables doivent cependant être utilisées pour garantir une communication optimum entre ces objets. Le protocole de routage est un élément clé de cet objectif, car il permet pour chaque objet de décider comment joindre un autre objet. Les contraintes s’appliquant aux objets (faible puissance, communications instables) doivent être prises en compte pour le développement de protocole de routages adaptés.
Brève introduction du protocole RPL
Les périphériques réseau exécutant le protocole RPL sont connectés de manière acyclique. Ainsi, un graphe acyclique DODAG (Destination-Oriented Directed Acyclic Graph) est crée comme montre la figure ci-après:
Chaque nœud choisit le meilleur chemin pour arriver jusqu'au nœud racine, chaque nœud utilise un objectif function (OF) afin de trouver le mieux chemin pour arriver au nœud racine, cette fonction définie le metric de routage qui va être appliqué.
Le processus de routage commence avec la création d'un DAG, le nœud racine envoie son DODAG à tout les noeuds accessible. A chaque niveau de l'arbre de routage les nœuds font le routage en se basant sur l'OF. Une fois qu'un noeud joint le DODAG, il choisit une racine comme son parent et calcule son rank, ce rank correspond au metric qui indique les coordonnées du nœud dans la hiérarchie du réseau. Les autres nœuds vont répéter ce processus de sélection des parents et de notification des informations DODAG pour de nouveaux appareils possibles. Lorsque ce processus se stabilise, le routage des données peut alors commencer. Le processus crée des routes ascendantes (des nœuds à une racine). Pour construire les routes descendantes, le protocole RPL envoie des messages ICMPv6 telles que:
- DAG Information Object (DIO) - transmet des informations qui permettent à un nœud de découvrir une instance RPL, d'apprendre ses paramètres de configuration et de choisir des parents dans le DODAG
- DAG Information Solicitation (DIS) - sollicite un DIO à partir d'un nœud RPL
- Destination Advertisement Object (DAO) - utilisé pour propager les informations de destination vers le haut le long du DODAG.
Application dans RIOT OS
Le protocole RPL est présent dans RIOT OS. On s'est basé sur le travail de nos collègues de l'année dernier (PFE 7) pour mettre en place ce réseau dynamique. En effet ils ont changé les fichiers de base de l’implémentation du protocole RPL dans RIOT OS afin d'améliorer le choix du parent avec lequel un nœud communique. Le fichier sont les suivant:
Dans RIOT/sys/net/gnrc/routing/rpl:
gnrc_rpl.c
gnrc_rpl_control_messages.c
of0.c
Dans RIOT/sys/include/net/gnrc/rpl:
struct.h
La fonction qui calcul le rang d'un nœud, en fonction des indicateurs LQI (Link Quality Indicator) et le RSSI (Received Signal Strength Indication):
//Avec base_rank=256, rssi <= 28 et <=255 add = 256 - (parent->mc.rssi + parent->mc.lqi)/10; my_rank = base_rank + add;
De cette manière, on se rendre mieux compte de la distance d'un nœud par rapport au DODAG racine diminuant son rang en fonction de ces deux facteurs.
Pour lancer le routage RPL dans sur le cartes il suffit de choisir un nœud comme racine (avec la fonction gnrc_rpl_root_init ) et ajouter les lignes suivant dans le fichier Makefile du projet:
USEMODULE += gnrc_rpl USEMODULE += auto_init_gnrc_rpl
Une telle solution permet de choisir le parent avec le rang le plus faible et autorise un choix plus objectif du parent:
# rpl # instance table: [X] # parent table: [X] [ ] [ ] # # instance [1 | Iface: 7 | mop: 2 | ocp: 0 | mhri: 229 | mri 0] # dodag [baad:a555::1702 | R: 485 | OP: Router | PIO: on | CL: 0s | TR(I=[8,20], k=10, c=11, TC=4088s)] # parent [addr: fe80::1210:642c:1432:1702 | rank: 256 | lifetime: 256s]
Implémentation d'un driver sur RIOT OS
Les cartes STM32 n'ont pas la puissance nécessaire pour piloter les deux moteurs DC utilisés sur le robot. Pour cela on utilise un module driver de moteur afin d'accomplir cette tâche.
Le driver TB6612FNG est un driver de moteur à courant continue, qui possède deux entrées IN1 et IN2 permettant de choisir l'un de quatre mode suivant: mode CW ( tourner dans le sens des aiguilles de la montre), mode CCW (tourner dans le sens anti horaire), frein court et mode d'arrêt.
Dans RIOT OS, on trouve plusieurs driver déjà implémenté mais le TB6612FNG n'en fait pas partie. Alors on a mise en place un module qui l'on a appelé robot incluant le driver de moteur + un codeur infrarouge. Le codeur infrarouge va nos permettre, avec la roue codeuse, de donner la distance que le robot va devoir parcourir.
Dans RIOT OS, les drivers de trouver dans les répertoires: RIOT/drivers/ pour la définit des fonction (.c) et RIOT/drivers/include pour le prototypage de fonctions (.h). On a inclut un fichier robotcar.c et robotcar.h, pour l'utiliser, il suffit d'ajouter dans le fichier Makefile la ligne suivante: USEMODULE += robotcar.
Les fonctions implémentées
Sur la première fonction on doit mettre en paramètre les pins sur lesquels le driver/moteur est connecté.
initialisation robot_init(robot_t *dev, pwm_t pwm, int pwm_channel, gpio_t in1, gpio_t in2, gpio_t stby, gpio_t encoder,int id) permet de guider le robot en choisissant la direction souhaité robot_drive( robot_t *dev, uint16_t speed, int direction)
aller tout droit robot_move_forward(robot_t *dev1, robot_t *dev2, uint16_t speed,int steps)
aller en arrière robot_move_reverse( robot_t *dev1, robot_t *dev2, uint16_t speed,int steps) tourner à droite robot_spin_right( robot_t *dev1, robot_t *dev2, uint16_t speed,int steps)
tourner à gauche robot_spin_left( robot_t *dev1, robot_t *dev2, uint16_t speed,int steps)
arreter le robot robot_stop(robot_t *dev1, robot_t *dev2)
convertir des centimètres en pas cm_to_steps(uint8_t cm)
Le robot peut être pilote manuel au automatiquement. A ce qui concerne le pilotage manuel, on a utilisé le shell de RIOT OS et on a créé des lignes de commandes. Par exemple pour aller tout droit il suffit de taper la commande sur le shell côté client: motor move forward 500 50. Ici on a demandé au robot d'aller tout droit avec une vitesse de 500 jusqu'à 50 cm.
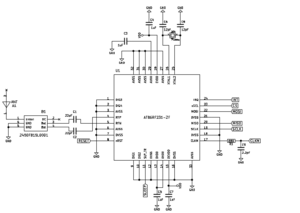
Conception d'un nouveau module RF
Les modules radios que l'on utilise maintenant, ne sont pas directement fixés sur les cartes stm32 et on doit à chaque fois faire les câblage lors de tests. Les cartes stm32 n'ont pas aussi un trou permettant de la fixer sur le robot. Alors pour rendre les tâches moins difficiles, on a décidé d'en concevoir des nouveaux.
Commande des composants
Réalisation du schematic sous KiCad
On s'est basé, sur la datasheet du composant AT86RF231, pour réaliser le schéma électrique de la carte. On peut y trouver plusieurs notes d'application ainsi qu'un BOM pour la réalisation du module radio. On a choisit de réaliser la carte avec KiCad car, est un logiciel facile à utiliser et gratuit.
Mesure du Round Trip Time
La latence, fait référence au RTT (Round Trip Time/Delay) d'une requête c'est à dire le temps que met un signal pour parcourir l'ensemble d'un circuit fermé. En particulier ça correspond à l'heure à laquelle le paquet doit atteindre la destination. La machine de destination doit répondre à cette requête et cette réponse doit parvenir au demandeur.
Chaque réseau a une latence. La quantité totale de latence, que l'on obtient lors de la connexion à un hôte distant donné, peut varier considérablement en fonction des conditions du réseau. C'est alors que on s’intéresse dans cette partie à l'étude de la latence du notre réseau (le temps de transmission d'un paquet à partir de la couche MAC jusqu'au récepteur en fonction de la taille du paquet ou de la distance émetteur/récepteur).
Il faut savoir qu'il y a plusieurs autres facteurs qui peuvent ajouter une latence supplémentaire en plus de la latence de la couche MAC:
- les délais de routage: Si les paquets doivent passer par un saut de réseau très encombré, ce délai de buffer peut ajouter une latence considérable.
- la retransmission des paquets
- retards de propagation du signal dans le matériel qui reçoit, transmet ou répète des paquets.
Afin de calculer la latence du réseau on a procédé de la manière suivante:
- Lors de l'envoi d'un paquet, le client calcule le temps T1 (en milliseconde) et attend la réponse du serveur (temps d'attente = 1 seconde).
- Le serveur reçoit le message et le retransmet au client.
- Lors que le client reçoit la réponse du client il calcule le temps de réception T2 du paquet (en milliseconde). Si la réponse arrive après 1 seconde, on considère que le paquet a été perdu.
- le round-trip time est calculé donc de cette manière: rtt = T2 - T1
Les fonctions implémentées, pour le calcul du temps de latence:
calculate the time diff between start and end (in ms)
float delay(uint32_t t1, uint32_t t2)
{
float d;
d = (float)(t2 - t1)/1000000;
return(d);
}
calculate the min/max/average value from an array
void rttd(float t[], int size, uint32_t time)
{
float avg;
float min = t[0];
float max = 0.0;
float sum=0.0;
int i;
for(i=0; i< size; i++){
sum += t[i];
if(t[i] > max) {max = t[i];}
if(t[i] < min) {min = t[i];}
}
avg = sum/(float)size;
if(size!=0)printf("Round-trip delay: min/avg/max = %f/%f/%f ms, time = %f s\n",min*1000,avg*1000,max*1000,(float)time/1000000);
}
Le temps de latence entre 2 et 3 nœuds dans réseau statique
Afin d'obtenir un meilleur résultat, le rtt a été calculer à partir de la moyenne de l'envoie de 100 paquets à la fois. On calcule aussi le temps minimum et maximum sur le 100 paquets:
# Packets: Size: 1 bytes, Sent = 100, Received = 100, Lost = 0 # Round-trip delay: min/avg/max = 7.919001/9.907592/12.389999 ms, time = 0.990927 s
# Packets: Size: 32 bytes, Sent = 100, Received = 100, Lost = 0 # Round-trip delay: min/avg/max = 10.057000/12.173100/14.198999 ms, time = 1.217735 s
# Packets: Size: 1024 bytes, Sent = 100, Received = 99, Lost = 1 # Round-trip delay: min/avg/max = 130.070007/144.760742/157.856995 ms, time = 14.486991 s
# Packets: Size: 2048 bytes, Sent = 100, Received = 0, Lost = 100
D'après le résultat ci-dessus, on constate que le temps de latence augmente selon la taille du message. A partir de 1024 bytes on commence à perdre quelques paquets et à 2048 bytes il n'y en plus des paquets qui sont envoyés.
Pour mieux comprendre la latence de ce réseau, on a fait plusieurs mesures et on a trace la courbe du rtt en fonction de la taille du paquet:
On compte envoyer des requêtes avec une taille de 32 octets, ayant le message suivant: [cmd,speed,distance], la commande (cmd) a une taille de 8 bytes, la vitesse (speed) 16 octets et la distance que le robot doit parcourir, a une taille de 8 octets. Le temps total qu'un paquet de 32 octets met pour faire le tour d'un réseau avec de 2 nœuds est compris entre 10 et 14 millisecondes; Pour un réseau avec 3 noeuds le temps de latence est le double de celui avec 2, si un rajoute un quatrième noued il va falloir multiplier le temps de basse par trois et ainsi de suite.
Temps N nœuds = (N-1) x Temps de 2 nœuds

