Fichier:Schematique.png

De Wiki de Projets IMA
Révision datée du 1 juillet 2016 à 09:41 par Hzhang (discussion | contributions) (schématique)
(diff) ← Version précédente | Voir la version actuelle (diff) | Version suivante → (diff)
Fichier d'origine(902 × 667 pixels, taille du fichier : 194 Kio, type MIME : image/png)

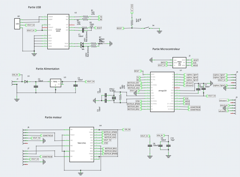
schématique

Historique du fichier

Cliquer sur une date et heure pour voir le fichier tel qu'il était à ce moment-là.

Date et heureVignetteDimensionsUtilisateurCommentaire
actuel1 juillet 2016 à 09:41Vignette pour la version du 1 juillet 2016 à 09:41902 × 667 (194 Kio)Hzhang (discussion | contributions)schématique
  • Vous ne pouvez pas remplacer ce fichier.

La page suivante utilise ce fichier :