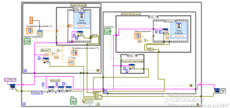
Fichier:Diagramme Labview V2.PNG
De Wiki de Projets IMA
Révision datée du 22 mai 2016 à 16:58 par Sverdonc (discussion | contributions)
Taille de cet aperçu : 800 × 378 pixels. Autres résolutions : 320 × 151 pixels | 1 343 × 635 pixels.
Fichier d'origine (1 343 × 635 pixels, taille du fichier : 73 Kio, type MIME : image/png)
Historique du fichier
Cliquer sur une date et heure pour voir le fichier tel qu'il était à ce moment-là.
| Date et heure | Vignette | Dimensions | Utilisateur | Commentaire | |
|---|---|---|---|---|---|
| actuel | 22 mai 2016 à 16:58 | 1 343 × 635 (73 Kio) | Sverdonc (discussion | contributions) |
- Vous ne pouvez pas remplacer ce fichier.
Utilisation du fichier
La page suivante utilise ce fichier :