Fichier:Matrice 2 anote merci audrey final.png
De Wiki de Projets IMA
Révision datée du 13 avril 2015 à 08:49 par Jdebock1 (discussion | contributions)
Taille de cet aperçu : 800 × 497 pixels. Autres résolutions : 320 × 199 pixels | 1 102 × 684 pixels.
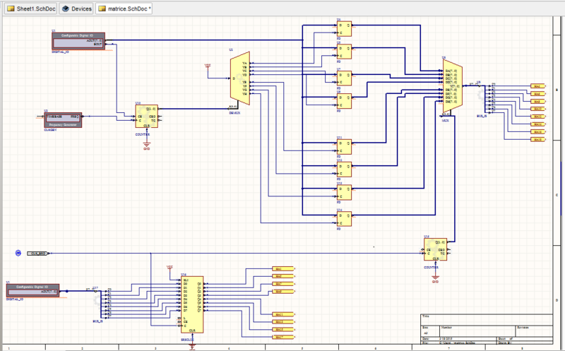
Fichier d'origine (1 102 × 684 pixels, taille du fichier : 59 Kio, type MIME : image/png)
Historique du fichier
Cliquer sur une date et heure pour voir le fichier tel qu'il était à ce moment-là.
| Date et heure | Vignette | Dimensions | Utilisateur | Commentaire | |
|---|---|---|---|---|---|
| actuel | 13 avril 2015 à 08:49 | 1 102 × 684 (59 Kio) | Jdebock1 (discussion | contributions) |
- Vous ne pouvez pas remplacer ce fichier.
Utilisation du fichier
La page suivante utilise ce fichier :