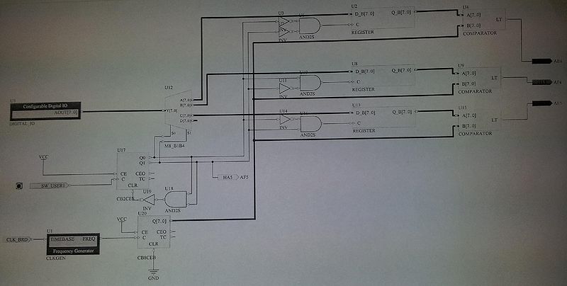
Fichier:SchemaBlocRVB1 S6 2014 TD1.jpg
De Wiki de Projets IMA
Révision datée du 11 juin 2014 à 09:45 par Avinot (discussion | contributions)
Taille de cet aperçu : 800 × 404 pixels. Autre résolution : 320 × 162 pixels.
Fichier d'origine (2 536 × 1 280 pixels, taille du fichier : 265 Kio, type MIME : image/jpeg)
Historique du fichier
Cliquer sur une date et heure pour voir le fichier tel qu'il était à ce moment-là.
| Date et heure | Vignette | Dimensions | Utilisateur | Commentaire | |
|---|---|---|---|---|---|
| actuel | 11 juin 2014 à 09:45 | 2 536 × 1 280 (265 Kio) | Avinot (discussion | contributions) |
- Vous ne pouvez pas remplacer ce fichier.
Utilisation du fichier
La page suivante utilise ce fichier :