IMA3/IMA4 2018/2020 P16 : Différence entre versions
(→Application smartphone) |
(→Application smartphone) |
||
| Ligne 767 : | Ligne 767 : | ||
{| style="float: center; height: 250px; margin-left:0.6em; border: 0px solid #bbb;" | {| style="float: center; height: 250px; margin-left:0.6em; border: 0px solid #bbb;" | ||
| − | | style="border: | + | | style="border: 0.5px solid #bbb;" valign="top" |[[Fichier:P16_Apllication_CapteurToucheForce0.png]] |
| − | | style="border: | + | | style="border: 0.5px solid #bbb;" valign="top" |[[Fichier:P16_Apllication_CapteurToucheForce1.png]] |
|} | |} | ||
Version du 1 avril 2020 à 13:06
Sommaire
- 1 Présentation générale
- 2 Analyse du projet
- 3 Préparation du projet
- 4 Réalisation du Projet
- 4.1 Projet S6
- 4.2 Projet S7
- 4.3 Projet S8
Présentation générale
Description
Ce projet entre dans le cadre de la lutte contre le harcèlement. Le harcèlement contre lequel nous voulons lutter est le harcèlement physique ou bien contre des comportements qui peuvent dériver vers du harcèlement.
Le harcèlement est un phénomène très largement répandu dans notre société, particulièrement dans les soirées ou encore dans les transports en commun. Certaines personnes prétendes qu'il n'est pas possible de d'éradiquer ce phénomène. Nous souhaitons répondre à cette demande et pouvoir au moins détecter les zones où le harcèlement est plus fréquent pour pouvoir y agir en conséquence.
Le but de ce projet est dans un premier temps de concevoir un dispositif permettant de détection d'un contact entre la peau et une main ou un bras d'une autre personne avec la remontée et le suivi en temps réel des informations. Puis dans un second temps, la mise en place de ce système dans un vêtement tel une robe ou un pantalon. On peut imaginer lors d'un attouchement, l'envois d'une notification pour demander de l'aide ou pour prévenir une personne de se rendre sur place et d'agir.
Le dispositif que nous souhaitons concevoir n'est pas à destination que d'un seul type d'individu mais bien à tous, homme et femme confondus.
Objectifs
Le principal objectif de ce projet est de pouvoir lutter contre le harcèlement physique visant les hommes ou les femmes.
Pour cela, ce projet a été découpé en plusieurs objectifs que nous allons nous efforcer de respecter et d'accomplir.
- Conception d'un dispositif sensitif pour les attouchements.
- Visualisation de ces attouchements en temps réel.
- Gestion des alarmes (envoie d'un SMS ou autre).
Ces premiers objectifs vont nous permettre de concevoir notre cahier des charges et par la suite nous guider dans le choix des technologies à choisir et utiliser.
Analyse du projet
Positionnement par rapport à l'existant
Pour lutter contre ce type harcèlement, certaines associations et certaines marques ont pu développé des actions anti-harcèlement (campagne de prévention/sensibilisation, slogan porté sur des vêtements,...)
Nous allons vous présenter deux concurrents vis à vis de notre projet.
Analyse du premier concurrent
Schweppes (Ogilvy) : The Dress for Respect
Au Brésil, 86% des femmes ont déclaré avoir été harcelées ou touchées sans leur consentement dans les boîtes de nuit. Pour remédier à cela, Schweppes fait appel à Ogilvy Brasil et présente une nouvelle campagne. La marque invite 3 femmes à porter la robe du respect, un vêtement connecté qui réagit au touché, afin de détecter un geste non-désiré. Les trois femmes se rendent en boîte de nuit pour se prêter à l’expérience. Les résultats en fin de soirée sont révélateurs avec au total 157 contacts ont été répertoriés pour seulement 3h47 de soirée.
Par le biais de cette action, Schweppes se sert de ce nombre impressionnant pour dénoncer un fait souvent difficile à aborder sur le moment. L’enseigne de boissons gazeuses souligne le simple fait qu’une femme n’est pas un objet et encourage les hommes à avoir un comportement plus courtois envers elles. Schweppes souhaite ainsi se positionner comme partenaire des bonnes soirées pour tout le monde.
| Avantage | Inconvénient |
|---|---|
|
|
Analyse du second concurrent
Un second concurrent peut-être un garde du corps. En effet afin d'éviter de se faire harceler au cours d'une soirée ou autre, une personne peut engager un garde du corps pour se faire accompagner et ainsi éviter tous problèmes avec des comportements non-désirés.
Les avantages d'un garde du corps sont que lors d'un déplacement ou d'une sortie dans le métro, les personnes qui viendront vers le client, seront rembarrées directement et n'importuneront pas la personne en question.
Par contre, ce système comporte des inconvénients qui ne sont pas des moindres. Un garde du corps est un service qui peut revenir cher de part la sécurité qu'il apporte. De plus, elle peut aussi être une gène dans le cas d'une soirée où l'on veut rencontrer de nouvelles personnes empêchant la discussion.
| Avantages | Inconvénients |
|---|---|
|
|
Scénario d'usage du produit ou du concept envisagé
Dans notre scénario d'usage, nous prenons le cas d'une jeune fille, nommée Nina, qui veut rejoindre des amis dans une soirée.
Elle porte sur elle la robe "anti-harcèlement" qu'elle va signaler à l'accueil afin de renseigner son code d'identification permettant son suivi au cours de la soirée.
La boite dans laquelle Nina se rend, est reconnue pour l'utilisation de ce type de vêtement. La boite est équipée d'une salle de surveillance possédant un système de visualisation en temps réel des vêtements intégrant le dispositif anti-harcelemnt grâce au code d'identification donné par Nina à son entrée. Au cours de la soirée, en cas d'abus, Nina va recevoir une notification lui demandant de valider si elle est actuellement victime d'attouchements. Si elle ne valide pas la notification au bout d'un certain délai, une personne interne de la boite va intervenir en sanctionnant le harceleur et en excluant de la soirée. De telles mesures s'appliquent élégamment si Nina valide la notification.
Ainsi Nina peut tranquillement profiter de la soirée avec ses amis en évitant les lieux auxquelles elle aurait pu être victime d'attouchements.
Réponse à la question difficile
A la suite de la présentation de notre sujet devant un jury d'enseignants et d'étudiants, nous avons retenu deux questions que nous allons prendre en compte dans la réalisation de se projet.
- Comment allez vous faire pour éliminer les "bruits" et les contacts amicaux ?
-> Voir pour étalonner les capteurs et voir pour ajouter une fonction "mode silencieux".
seuil + metrique (durée repetion du contact et force + zone et déplacement si reponse inadentu) non attentionnel et attentinnel (non et problematique) lien des sénariots
- Allez vous permettre une géo-localisation du vêtement ?
-> La géo-localisation est une option que nous pouvons prendre en compte via le smartphone.
Préparation du projet
Avant de pouvoir passer à la partie réalisation, nous devons :
- Definir le type capteur à utiliser.
- Definir le type de localisation.
- Définir l'interface pour la visualisation des points de contact.
Cahier des charges
A partir de l'étude de notre sujet, nous avons pu établir notre cahier des charges.
- Besoin Fonctionnel
Le système à concevoir doit permettre de visualiser les points de contact sur le corps d’une personne. Les informations doivent être visionnées en temps réel, nous devons donc traiter les données et les rendre disponible immédiatement.
Une interface à développer pourra être utile pour communiquer avec le système et afficher les résultats du traitement des données. Aussi, elle doit informer son utilisateur s’il est en situation de harcèlement. Nous avons fait le choix de développer une application pour smartphone Android.
- Contraintes Techniques
Notre système comporte tout d’abord des spécificités. En effet, il sera composé d’un grand nombre de capteur pour la détection des points de contact. Il devra donc être léger, simple à porter sans gêner son utilisateur et surtout être discret.
Ensuite les contraintes de réalisation sont l’utilisation de l’environnement Arduino pour exploitation des informations délivrées par les capteurs de force. Pour le développement de l’application Android, on utilisera l’utilitaire MIT App Inventor. Un module de communication Bluetooth sera employé pour la communication entre le système et l’application.
A l'issue du semestre 6, nous devons être en mesure de présenter un prototype capable de détecter des touches, d'indiquer la zone concernée et aussi de prévenir l'utilisateur.
Choix techniques : matériel et logiciel
Matériel :
- Arduino
- Module Bluetooth
- Capteur de force
- Batterie
Logiciel :
- MIT App Inventor 2
- Arduino
Liste des tâches à effectuer
- Déterminer le type des capteurs à utiliser (tactile, force, pression).
- Tester les capteurs.
- Concevoir du code pour intégrer les capteurs.
- Positionner des capteurs.
- Visualiser sur une application les points de contact sur le corps.
Calendrier prévisionnel
Le calendrier prévisionnel peut se concrétiser sous la forme d'un diagramme de GANTT.
Réalisation du Projet
Projet S6
Les différentes parties suivantes vont présenter le travail effectué pendant nos séances de projet semaine par semaine.
Semaine 5
Cette séance marque le commencement de notre projet. Avant de pouvoir coder ou encore de rechercher les composants qui nous seront utiles, nous avons, en tout premier lieu, pris connaissance du sujet. A partir de notre sujet, nous avons élaboré une première ébauche de notre cahier des charges, les objectifs à réaliser et aussi un planning prévisionnel.
La première heure s'est donc dérouler sous la forme d'un brainstorming qui nous a permis de rassembler les grandes idées du projet sans parler des fonctionnalités :
- Que peut il apporter ?
- Comment s'en servir ?
- Où l'utiliser ?
A partir de ces idées, le groupe a pu se diviser en trois pour se concentrer sur :
- la description et les objectifs (Tanguy)
- l'analyse par rapport aux concurrents (Paul)
- le scénario d'usage (Julien)
Semaine 6
Avant d'arriver à cette séance, nous avons finalisé la description et la définition des objectifs du projet. En effet, nous avons pu présenter aux autres groupes notre projet mais seulement du point de vue des objectifs et du scénario d'usage.
A la suite de cette séance de présentation des projets, un jury composé d'enseignants et d'étudiants nous a donné deux questions auxquelles nous allons devoir répondre. Ces deux questions avaient pour but de nous guider pour la deuxième partie du projet (réalisation).
Ces deux questions portaient sur l'étalonnage des capteurs et la géo-localisation de l'utilisateur.
Semaine 7
Cette séance fait suite à l’amphithéâtre de présentation des projets, c'est pourquoi nous n'avons pas réellement plus avancé sur le projet.
Par contre, nous avons réfléchi à des moyens techniques pour résoudre les deux questions que le jury nous avait exposé la semaine d'avant.
- Pour la géolocalisation, il nous suffira d'utiliser celle du téléphone.
- Pour tous les bruits que les capteurs peuvent émettre, il faudra les tester pour déterminer différentes valeurs en fonction du type de contact (caresse, tape..)
Semaine 9
A partir de cette séance, nous avons réellement pu travailler sur la réalisation du projet en lui-même.
L'ensemble du groupe s'est attelé à la recherche des différents composants nécessaires.
- Microcontrôleur type carte Arduino.
- Matériel de communication bluetooth.
- Détecteur de touche ou force.
- Composants d'électroniques (diode, résistance, ...)
Nous avons réalisé un petit fichier pour nous permettre de comparer les différents prix en fonction des fournisseurs agréés par l'école. Ainsi après avoir trouvé le matériel, nous avons transmis notre fichier aux enseignants afin de pouvoir passer commande.
Semaine 10 & 11
Nous avons pu faire avec notre tuteur un point sur l'avancement du projet pour connaître & identifier nos besoins mais aussi voir à quelle étape nous nous trouvions.
Avant de commencer à coder notre projet, nous avons réfléchi aux différentes méthodes de codage que nous pouvions utiliser. Une des questions posées par le jury se basait sur l'utilisation de nos capteurs de force. En effet, comment pouvons nous reconnaître un cas de harcèlement d'un cas tout à fait banal. Comment peut on différentier une dance avec un ami d'une caresse d'un inconnu ? Comment interpréter les contacts dans les transports en commun ?
Pour répondre à ces problèmes, nous avons établit différents mini-scénarios pour simplifier la partie programmation. Par la suite, nous ferons des tests sur les capteurs pour vérifier ces mini-scénarios. Aussi nous pourrons déterminer la zone d'action autour des capteurs ou encore les valeurs minimum et maximum.
Nous avons donc déterminé certains critères pour identifier les différents cas de figure que nous pouvons rencontrer.
- la répétition
- la durée
- la force
Semaine 12
A partir de cette séance, nous sommes passés sur la conception & la réalisation de notre projet.
Nous avons avons commencé par créer une application pour smartphone Android. Pour concevoir cette application, nous avons utilisé l'utilitaire MIT App Invertor 2. MIT est un outil pour concevoir simplement des applications Android. La conception d'une application se fait via des blocs similaires au langage Scratch. Pour la réaliser, nous avons suivit le cahier des charges que nous avons établit.
Tout d'abord, on a cherché à gérer la gestion des Appels/SMS. Pour tester et voir comment fonctionne l'envoie d'un SMS ou d'un appel, on utilise un bouton. Lorsque ce bouton est à 1, une boite de dialogue donne le choix d'appeler une personne pour obtenir de l'aide. On utilise un bloc Notifier pour générer une boite de dialogue et un bloc PhoneCall pour composer un numéro enregistré au préalable.
Après quelques petits problèmes, nous sommes passé sur la gestion de la connexion Bluetooth entre le système et l'application. Nous avons juste ajouté un composant Bluetooth et deux boutons. l'un pour sélectionner le Bluetooth et l'autre pour se déconnecter. Un petit message permet de savoir si la liaison est bien établit.
Nous n'avons pas pu tester cette connexion car nous ne disposons pas encore du module Bluetooth. Néanmoins elle est fonctionnelle car elle est similaire à un ancien projet de DUT.
Semaine 13
Pendant cette séance, nous avons poursuivi nos tests pour réussir à appeler une autre personne. Pour continuer sur la réception et l'envoi des données, nous envoyons toutes les valeurs des capteurs à la suite puis dans l'application, nous les décomposons pour retrouver la valeur en fonction de son capteur.
[[Fichier:]]
Nous pourrons tester l'application avec le programme Arduino à la prochaine séance, séance où nous devons recevoir les capteurs.
Semaine 14
Nous avons reçu les deux modèles de capteur commandés. La différence entre ces deux capteurs est leur taille. L'un est un carré d'une surface de 14.44 cm² et l'autre un rond de 1.32 cm². Nous pensons utiliser les capteurs carrés pour détecter les touches sur des grandes zones plutôt exposées (hanches, dos, extérieur des bras..) et les petits sur des zones où les risques de touches sont moindres (intérieur des bras, poitrine, intérieur des cuisses..).
|
|
Nous avons pour tester ces différents capteurs créé un programme Arduino pour afficher différentes informations (valeur, force..) lorsque l'on touche le capteur. Le tableau suivant va synthétiser nos tests.
| Type de contact | Caresse | Touche | Main sérrée |
|---|---|---|---|
| Valeur en mV | 250 - 400 | 500 - 700 | > 800 |
| Force en Newton | 0 | 1 - 3 | > 4 |
Semaine 17
Après nos différents tests, nous avons pu voir qu'en dessous d'une valeur de 300, on se trouve dans une plage de "bruits". Dans notre programme, nous ignorons donc toutes valeurs en dessous de cette plage.
On s'est rendu compte que notre application n'arrivait pas à prendre en compte l'activation de plusieurs capteurs en même temps.
Ensuite, nous avons mis à jour l'application et le code Arduino pour prendre en compte l'utilisation de plusieurs capteurs et la plage sans les bruits.
Semaine 18
Suite à des soucis de visualisation des touches sur l'application, nous avons repensé cette dernière mais aussi notre programme.
En effet, nous ne sommes pas arrivé à observer différentes touches en même temps. Or l'intérêt du projet se trouve là.
Nous avons donc changé notre application tout en gardant certains éléments que nous avons développé (Appel et Connexion Bluetooth). Après quelque changements, nous obtenons la vue suivante :
Pour résoudre notre soucis, nous envoyons une seule trame de données. Dans cette trame, on peut savoir si oui ou non un capteur est activé. La trame est composé de plusieurs chiffres (1 ou 0). Sa longueur dépend du nombre de capteur. Par exemple, avec 3 capteurs, on peut recevoir la trame suivante : 011. On sait alors que le capteur 1 n'est pas touché mais que le 2 et le 3 le sont. Le gros soucis avec cette méthode est qu'elle est très lourde à traiter mais en utilisant MIT, nous n'avons pas trouvé d'autres solutions. Si un capteur est vue comme étant actif, on modifie la couleur d'un des boutons pour le rendre visible.
On peut voir dans la vidéo suivante comment on visualise les points de contact.
Semaine 19
Après de nombreux tests concluant sur la visualisation de nos tests, nous nous sommes consacré sur l'ajout de fonctionnalité. Nous avons donc optimisé et développé les points suivants :
- Contrôle du temps d'une touche. Si la durée du point de contact est de 4 secondes consécutives, on transmet dans la trame un 2 qui demande à l'utilisateur s'il est en danger ou pas.
- Rajout d'identifiant et de mot de passe. L'utilisateur doit pour accéder à l'application se connecter à l'aide de son identifiant et de son mot de passe.
- Donner le droit à l'utilisateur d'ajouter des numéros de téléphone et de choisir la personne à contacter parmi une liste.
- Agrémentation de l'application. Le but est de rendre l'application plus attractive et plus intuitive.
Perspective du projet
Pour la suite de notre projet, nous comptons réaliser nous même notre propre application. Aussi le prototype sera développé à plus grande échelle sur un vêtement entier. Notre système devra alors être miniaturisé pour rester discret et simple à porter. Nous comptons aussi revoir notre choix de technologie des capteurs. Nous regarderons aussi comment alerter l'utilisateur d'une situation de harcèlement (Ajout d'un vibreur).
Documents Rendus
Vous pourrez trouver dans cette partie les différents fichiers de notre projet.
- Rapport de projet: Fichier:P16 Rapport.pdf
- Diaporama de présentation : Fichier:Diapo presentation.pdf
- Code test des capteurs : Fichier:P16 Tests des capteur de force.pdf ou [[1]]
- Code final du projet : Fichier:P16 Code projet.pdf ou [[2]]
- Application Android : [[3]]
Bilan
Ce projet nous a beaucoup intéressé de part son actualité mais aussi par le développement que nous avons fait. Nous avons conçu un prototype fonctionnel répondant à notre cahier des charges. Nous avons pu concevoir une application, coder une carte Arduino et réaliser un prototype.
Projet S7
Etat du projet en début du S7
En ce début d'année, nous avons pour notre première séance du S7 fait un bilan sur l'état d'avancement de notre projet. Avec les différentes remarques que nous avons eu lors notre oral de présentation finale au S6 et lors de la petite entrevue avec nos enseignants encadrants pendant cette première séance, nous devons modifier et repenser certains points vitaux de ce projet.
Ces remarques concernent principalement notre système de détection et la méthode employée pour traiter les données.
- La détection n'est pas parfaite. En effet, nous n'utilisons pas correctement nos capteurs de force car nous ne nous servons pas des données analogiques mais d'une information binaire afin de savoir si la personne est touchée. Or ces capteurs sont utilisés pour détecter une certaine pression et dans le cas d'une caresse (souvent le cas dans un harcèlement), nous sommes presque incapable de la détecter. Ce point critique est donc à revoir pour visualiser correctement une touche.
- Par rapport à notre méthode de traitement des données, nous devons clairement identifier un cadre d'utilisation pour valider ou non les différents cas de figure que nous avons pensé. Mais alors comment arriver à différencier une touche tout à fait banale ou amicale d'un harcèlement sachant que la force exercée est exactement la même. Monsieur Boé nous a parlé de mettre en place le DeepLearning. Nous allons donc étudier la question.
Pour ce semestre, nous allons donc repenser notre prototype afin de proposer un véritable dispositif de détection. Dans un même temps, une équipe se concentrera à réalisation d'une nouvelle application. Et pour finir, nous proposerons une liste de matériel répondant au mieux à notre cahier des charges pour la réalisation finale de notre prototype au S8.
Amélioration du prototype
Etat de l'art
FabricKeyboard du MIT
Le FabricKeyboard du MIT est un tissu doté de différents capteurs. Il dispose de capteurs pour détecter le toucher, la proximité, les champs électriques, ainsi que les déformations telles que l’étirement.
Cette invention est intéressante, cependant son fonctionnement est assez complexe, et pour notre projet nous n'avons besoin que de détecter un toucher. C'est pour cela que nous n'avons pas retenu le FabricKeyboard, et avons fait d'autres recherches.
En continuant nos recherches, nous avons trouvés un moyen de faire un capteur de touche avec de simples résistances et une carte Arduino.
Conception de capteur dit tactile
Afin de détecter plus précisément et efficacement les touches sur une personne, nous avons décidé de changer nos détecteurs de force avec d'autres capteurs basés sur le principe d'un écran tactile. Nous avons commencé par effectuer des recherches pour comprendre plus en détail le fonctionnement d'un tel écran. Nous avons pu voir qu'il s'agit d'une technologie capacitive fonctionnant sur la décharge du corps humain en travers une résistance symbolisée par l'écran.
Après ces recherches, nous nous sommes demandé comment mettre en place un tel système. Pour simuler ces capteurs "tactiles", nous avons découpé des bandes d'aluminium pour les fixer sur un support. Chaque bande d'aluminium est connecté à une pin d'entrée/sortie de notre arduino avec une résistance de type pull-up.
La résistance est une résistance de pull-up et la capacité correspond au capteur tactile qui est une bande d'aluminium. Un courant vient charger la résistance de pull-up. Lorsqu'on vient toucher la bande d'aluminium, le corps humain vient se décharger au travers de la résistance et ainsi peut voir que le capteur est actif.
Les premières tests étaient concluant mais nous avons pu observer que des latences survenaient lorsque deux capteurs étaient touchés en même temps et aussi lorsqu'ils s'étaient en contact.
Pour palier à ce problème, nous avons vu que nous pouvions mettre une pin commune avec nos capteurs. On utilise une pin d'envoie et une autre de réception. Le schéma de réalisation change légèrement et donne ceci.
On peut voir sur le moniteur série d'Arduino différentes valeurs. Pour obtenir ces valeurs, nous avons utilisé la bibliothèque CapacitiveSensor qui permet de détecter la capacité du corps humain. On a implémenté la méthode suivante pour utiliser cette bibliothèque. On fait basculer la pin d'envoi vers un nouvel état et on attend que la pin de réception change aussi d'état. Une variable est incrémentée pour calculer le temps de changement d'état. Lorsque l'on touche notre capteur, on obtient par conversion la valeur de notre capacité.
On peut voir que cette valeur est importante quand on ne touche qu'un capteur et diminue quand plusieurs capteurs sont touchés en même temps par quelqu'un. Dans le cas de figure où les capteurs sont en contact, la valeur ne dépassent pas les 1000. Ce point nous permet donc isolé ces valeurs et de donc de savoir comment gérer l'un des problème que nous avons pu évoquer lors de notre soutenance.
Cette méthode est concluante car on peut bien visualiser la touche sur un des capteurs. Pour chaque capteur, nous avons donc besoin d'une pin commune et de n pins (n est le nombre de capteurs). On peut envisager de mettre en place cette méthode. Par contre, la lenteur de l'arduino peut nous poser problème. On peut donc mettre en pratique nos cours de microprocesseur et de système pour optimiser les cycles du CPU et ainsi être plus rapide.
Intégration au prototype
Maintenant que nous avons trouvé la méthode idéale pour la détection de touche sur une personne, nous devons penser à la manière d'intégrer ce système au mieux tout en respectant les contraintes techniques de notre cahier des charges à savoir le point sur la discrétion du système.
La mise en place de bande de papier aluminium dans un vêtement n'est pas vraiment idéale et discrète. Nous allons donc réfléchi à une solution permettant d'intégrer au mieux notre nouveau système de détection.
- La première idée consistait à utiliser des bandes autocollante cuivre provenant d'une bobine. Mais les soucis de cette idée sont d'une part esthétique (on peut voir ces bandes sous le vêtement, et d'autre part technique, à la long les bandes peuvent se décoller voir se déchirer.
- La second idée nous est venu avec nos recherche sur les tissus tactiles. En effet, l'équipe ATAP de Google a réalisé le projet Jacquart qui consiste à intégrer de la technologie dans les vêtements afin de pouvoir avec des gestes répondre à un appel, écouter de la musique, lire un SMS et bien d'autres fonctions. Pour cela, ils utilisent un fil conducteur intégré au tissus. Nous allons donc nous baser sur cette solution avec des zones délimitées sur le vêtement. Chaque zone pourra donc vérifier une partie du corps avec un seul capteur tactile sur la zone en question. Bien évidement, le vêtement sera doubler pour éviter de prendre en compte la propre impédance de son corps.
Pour compléter notre dispositif, nous avons décidé de conserver nos ancien capteur de force. En effet, avec les valeurs qu'ils peuvent envoyer, nous pouvons affiner l'analyse de la touche. Pour de grosses valeurs, on peut par exemple savoir qu'un ami nous fait une accolade ou quand on s'assoit. Dans le cas d'un harcèlement, on se base sur le fait que cela soit de la discrétion avec donc de petites touches faibles en intensité. On pourra donc être capable de différencier les différents cas de figure qui se présentent à nous.
Pour intégrer tout notre système dans un vêtement, nous avons vu qu'il existait des modules conçus pour une utilisation sur vêtement. Il s'agit des modules Lilypad. Le module principal est composé d'un atmega328, de 14 entrées/sorties et de 6 entrées analogiques. La carte vient s'enrichir d'autres modules comme des boutons, des Leds, un vibreur, un support de pile. Ces modules se présentent sous la forme suivante. L'avantage de ces modules est qu'ils sont très simples à intégrer et les options que nous voulons rajouter correspondent à des modules existants.
Nouvelle application
Nous avons commencé à développer notre application après les différents tests des capteurs tactiles. Pour cette nouvelle application, nous avons arrêté d'utiliser MIT App Inventor au profit du logiciel AndroidStudio. Il s'agit d'un IDE de développement basé sur Intellij. Pour commencer à utiliser ce nouvel environnement, nous avons suivi un cours provenant d'un master informatique du campus.
Le principe de l'application est le suivant :
Tout d'abord nous avons un programme arduino qui détecte lorsqu'une zone du vêtement est touchée. Par exemple, si la zone numéro '1' est touchée, le bit numéro '1' de la trame de donnée bluetooth prend la valeur 1 (1 = touche / 0 = pas de touche). Ensuite, on envoie la trame complète au téléphone par liaison bluetooth, et sur l'application Android on traite les données. On regarde quels bits sont à '1', et on affiche les zones correspondantes sur l'interface graphique. En parallèle avec l'affichage graphique, on lance un Timer pour chaque capteurs afin d'afficher le temps de touche par zone, ainsi que le temps total de touche toutes zones confondues. Ces différents Timers permettent ensuite d'avoir un aperçu des zones qui sont le plus souvent touchées.
D'autres fonctionnalités sont aussi présentes : l'une d'entres-elles est l'envoi d'un SMS ou l'appel d'une personne. L'utilisateur peut choisir d'activer l'envoi de SMS, ou l'appel, à un numéro préalablement enregistré dans une page de configuration. Cette fonctionnalité s'effectue alors si la personne se sent en danger.
Connexion au Bluetooth
Pour commencer, nous avons établit la liaison Bluetooth entre l'arduino et la nouvelle application. On a tout d'abord déclarer deux permissions, une pour effectuer la communication et se connecter et l'autre pour récupérer des informations de l'utilisation telles que la localisation.
<uses-permission android:name="android.permission.BLUETOOTH"/> <uses-permission android:name="android.permission.BLUETOOTH_ADMIN"/>
Après avoir initialisé l'application, la fonction initiaBluetoothProcess() vient établir la liaison avec le module Bluetooth. Les informations envoyées et reçues sont stockées à partir de la fonction ConnectedThread().
Nous avons aussi pris le temps de développer une fonction permettant d'annuler la connexion Bluetooth.
Appel et SMS
Nous avons ajouté comme fonctionnalité le paramétrage pour prévenir ou demander de l'aide. On peut choisir entre émettre un appel et envoyer un SMS avec le numéro de notre choix. Nous avons pensé à sauvegarder le choix car nous avons vu que lorsque l'on quittait l'application, le numéro de téléphone n'est pas enregistré. Il fallait donc le noter à chaque utilisation ce qui n'est pas vraiment pratique.
Aussi nous avons mis en place un moyen de prévenir quelqu'un lorsque l'on se sent en insécurité. Pour prévenir une personne suivant le choix fait dans les paramétrages de l'application, lorsque l'on appuie cinq fois sur un intervalle de temps de 0,5 secondes l'appel ou le sms est automatiquement envoyé.
On peut alors penser envoyer seulement un sms avec les informations de localisation pour recevoir de l'aide.
Partie Graphique
Avec AndroidStudio, on pouvait à l'aide d'un simulateur voir en direct les modifications que l'on effectuait ce qui nous a été très pratique pour la conception graphique de cette dernière.
On a donc créé plusieurs pages pour pouvoir :
- Se connecter au Bluetooth.
- Visualiser son corps et les touches
- Paramétrer le numéro de téléphone et choisir entre SMS et Appel
- Voir les détails des touches en temps ou en pourcentage.
Une fois que nous avons compris la méthode de conception, il nous était simple de la dupliquer pour en faire d'autres.
Les fonctions de bases ont été codé avec succès. Il ne nous reste plus grand chose à faire du côté de l'application. On peut ajouter une page de connexion avec un login et un mot de passe, choisir les informations à envoyer par SMS, un mode silencieux pour désactiver pendant une durée définie ou indéterminée. On prévoira aussi une nouvelle phase de design pour rendre l'application plus attractive et simple d'utilisation.
Nouvelle liste de matériel et explication de nos choix
A la suite de nos tests, nous pouvons donc concevoir une nouvelle liste de matériel nécessaire pour la réalisation de notre prototype final au S8 sachant que nous devons réaliser :
- Un PCB avec arduino, composants passifs (résistance, condensateur, ...), borniers, et module vibrant
- Notre prototype avec capteurs de force et zone avec fil conducteur
Concernant l'arduino, nous avons besoin de :
- 6 pins analogiques pour les capteurs de force.
- 2 pins digitales pour la liaison Bluetooth.
- 14 pins digitales + 2 pins communes pour les zones tactiles.
- 1 pin digitale pour un module vibrant.
- 1 pin digitale pour un bouton.
Soit au total 6 pins analogiques et 20 pins digitales. Nous ne retenons pas la solution des modules Lilypad car le nombre d'entrées digitales est trop juste. De plus, la solution d'un PCB va nous permettre d'avoir une carte encore plus fonctionnelle et répondant parfaitement à nos besoins.
Pour le PCB :
- Un arduino micro
- Résistances CMS de 10MΩ | 0603
- Capacités CMS de 0.33µF | 1206
- Capacités CMS de 0.1µF | 1206
- Un régulateur de tension CMS LM7805MPX si on intègre directement un microcontrôleur sur le PCB
- Borniers
Pour le prototype :
- Bobines de fils conducteur.
- 2 capteurs de force FSR02CE.
- 10 capteurs de force FSR402S.
- Module Vibrant.
- Bouton discret.
Objectif au S8
Maintenant que nous savons comment réaliser notre système, il ne nous reste plus qu'à le mettre en place et de trouver la bonne méthode d'exploitation des données. Nous n'arrivons pas bien à voir comment développer le DeepLearning avec notre projet mais avec les différents capteurs et les scénarios, nous pensions avoir trouvé un début de solution.
Pour le S8, nous allons donc :
- Concevoir un PCB | 1 personne | 2-3 séances
- Souder les composants à notre PCB | 1 personne | 1 séance
- Définir et mettre en place les capteurs | Le groupe pour bien les définir et 1 personne pour la mise en place | 1 séance
- Ajouter le reste des fonctionnalités sur l'application | 2 personnes | 2 séances
- Terminer la partie graphique de l'application | 1 personne | A la fin
- Ajouter la méthode de traitement des données | 1-2 personnes | Toutes les séances
- Tester le prototype final avec tous les éléments ou partiellement | Le groupe après chaque modification | Toutes les séances
REF
https://dam-prod.media.mit.edu/x/2017/06/15/paper0066.pdf
https://www.media.mit.edu/projects/sensorknits/overview/
https://www.media.mit.edu/research/?filter=everything&tag=wearable-computing
Documents Rendus
Projet S8
Pour continuer notre projet au S8, nous avons trois objectifs.
- Concevoir et réaliser un PCB.
- Programmer notre système de detection.
- Finaliser l'application.
Modification du système
En ce début de semestre, nous avons pris une décision qui va modifier notre dispositif. Avec de grandes zones à couvrir sur le corps, nous avons besoin d'un grand nombre d'entrées digitales et analogiques. Nous pensons créer un PC à partir d'un atmega 2560. En effet, ce microcontrôleur dispose de 54 pins digitales et de 16 pins analogiques.
Mais ce dispositif a de nombreux inconvénients :
- Le système est central et la longueur des différents câbles va apporter des perturbations dues aux impédances.
- Le grand nombre d'entrées va ralentir le dispositif.
Pour palier à ce problème, nous avons repenser notre système. Nous avons eu comme idée d'implanter un système maître - esclave avec une liaison I2C.
Le maître va contrôler le système et recevoir les différentes informations transmises par les esclaves. Les esclaves vont eu être connectés avec les différents capteurs capacitifs et de force. Les informations seront transmises par une trame et le maître analysera si on se trouve dans un cas d'harcèlement.
De ce fait, un esclave sera assigné à une zone du corps et on aura autant d'esclaves que de zones définies.
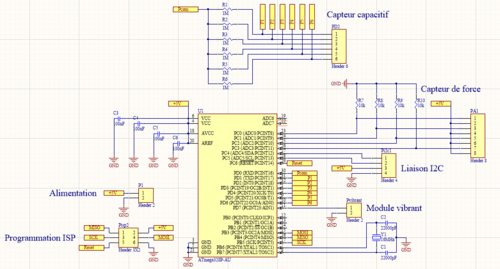
PCB
Après avoir modifier notre système, on va pouvoir réaliser notre PCB avec ALTIUM DESIGNER
On aura donc deux PCB différents : un pour le maître et un autre pour les esclaves. Dans la conception du PCB esclave, nous avons décidé qu'il seront tous identiques. En effet, dans le cas où l'on souhaite ajouter des capteurs sur un module pas assez précis, on va penser à prévoir la place et le matériel nécessaire pour les accueillir.
Pour la programmation de ces modules, on utilisera des ATmega 328p.
Le maître est composé de :
- Un Atmega 328p.
- Un régulateur de tension.
- Un module Bluetooth.
- Un moyen de programmation.
Et les esclaves seront donc tous composés de :
- Un atmega 328p.
- Capteurs capacitifs
- Capteurs de forces.
- Un module vibrant (Seulement pour un seul)
Au départ nous avons choisis d'intégrer un bouton mais pour des soucis d'encombrement mais aussi d'efficacité, on a choisit de le remplacer par une séquence de détection sur les capteurs de touche. En effet, dans le feu de l'action, la personne n'arrivera pas forcément à trouver le petit bouton pour demander de l'aide.
Les esclaves seront donc déportés du maître et proches de leur zone afin d'éviter les impédances et les erreurs de détection. On réalise les PCB suivant les différents câblages que nous avons effectué sur notre breadboard.
Gestion des empreintes
Après la conception des schémas électriques, nous avons pu voir que certaines empreintes n'étaient pas disponible. Il a donc fallu recréer ces différentes empreintes (Quartz | Régulateur de tension). Grâce à la datasheet, on va pouvoir réaliser nous même les empreintes.
Dans Altium, on vient ajouter au projet une librairie PCB puis on peut commencer notre empreinte en travaillant par symétrie. Pour le quartz, le schéma était existant mais il manquait la partie PCB.
- Quartz
A partir de la datasheet, on retrouve les informations sur le dimensionnement du composant.
Ensuite. on vient positionner une pastille sur la feuille. Grâce à l'onglet Size and Shape, on vient régler sa taille puis sa position sur la feuille. Pour la seconde pastille, il suffit de faire une symétrie par rapport la position de l'autre. Il suffit ensuite d'ajouter un contour pour indiquer l'encombrement du composant.
- Régulateur de tension
PCB du maître
PCB des esclaves
Réalisation des PCB
Programmation
Modification du programme
mettre les changements
Protocole de communication Maître - Esclave
On connecte la carte maître et les cartes escalves part la liaison I2C disponible sur les atmega328p. Chaque carte escalve dispose de 1 à 6 capteurs tactile ainsi que de 0 à 2 capteurs de force.
Le maître envoie une requête a chacun des esclaves pour obtenir l'état des capteurs et il envoie ensuite les données via une liaison bluetooth vers le téléphone qui dispose de l'application.
Les différents états des capteurs de chaque atmega328p esclave sont envoyés sous forme de trame d'octets de la forme suivante :
On voit sur la gauche les états des capteurs de touche (ici 2 capteurs) qui peuvent prendre deux valeurs : 0 si le capteur n'est pas touché et 1 si quelqu'un touche le capteur. Sur la droite on a la valeur des capteurs de force (sur 4 bits).
Ensuite l'atmega328p maître réceptionne toutes les informations provenant de ses atmega328p esclaves et les envoie par bluetooth au téléphone :
On voit sur la gauche l'état de tous les capteurs confondus, sous forme décimal, puis nous avons la trame de donnée qui va être envoyée au téléphone par bluetooth. Cette trame ce décompose en deux partie, tout d'abord on aperçoit la caractère 'f' qui est utilisé comme caractère de début de trame, ce caractère est suivi de l'état des capteurs de touche. Ensuite, on a une deuxième partie commençant par le caractère 'd' est qui est suivi des valeurs des capteurs de force (sur 4 bits : l'intensité de la force est mesurée sur une échelle de 0 à 15).
Téléversement sur les PCB
Application smartphone
Sur l'application, nous visualisons toujours les différentes zones touchées sur le vêtement, et nous avons ajouté des capteurs de force pour visualiser l'intensité du touché.
Comme expliqué précédemment, la carte avec l'atmega328p maître envoie sous trame constituée de 2 messages, un message contenant les informations des capteurs de touche, et un seconde contenant les informations des capteurs de force.
Nous découpons ces 2 trames et stockons les informations dans des variables (coté application Android) et nous faisons un lien entre les capteurs de touche et les capteurs de force en fonction des zones.
Pour l'effet visuel dans capteurs de force, nous avons décidé de jouer sur l'opacité et l'intensité de la couleurs de la zone touchée, plus on appuie fort sur la zone touchée, plus la couleurs sera intense sur l'application.
|
|
Phase de tests
Présentation du prototype
Synthèse Chat
Suite à l'actualité qui nous pousse à rester confiner chez nous, nous utilisons le chat de polytech pour communiquer avec les enseignants.
1ere Synthèse
Nous avons énoncé les différents points d'avancement de notre projet ainsi que la répartition des rôles. Julien : PCB | Tanguy : Arduino | Paul : Application
- Partie PCB :
Carte fille quasiment fini. il ne manque plus que l'empreinte du quartz. Carte mère il faut des empreintes spécifiques.
- Partie Arduino :
Nous avons pu dire que nous avons résolu la partie "débuggage". La gestion multicouche est donc bonne. Les capteurs de force ont été rajouté dans le code. Il nous reste à voir la forme de la trame.
- Partie Application :
Elle se fait en même temps que le code arduino pour valider nos solutions.
2eme Synthèse
- Partie Arduino :
La trame a été mise en forme. Il nous reste finaliser nos tests et vérifier le bon comportement du code.
- Partie Application :
L'application est mise à jour en fonction des modifications apportées sur la partie Arduino. Une fois que le code est fonctionnel et vérifié, on pourra terminer l'aspect visuel de l'application.
- Partie PCB :
Petits soucis dans la conception des empreintes. Une fois ce problème réglé, le routage de la carte mère sera à faire et la partie PCB sera terminé.




