IMA4 2017/2018 P32 : Différence entre versions
(→Partie Mobile : banderole) |
(→Semaine 1) |
||
| Ligne 230 : | Ligne 230 : | ||
==Semaine 1== | ==Semaine 1== | ||
| + | |||
| + | Avant de nous lancer dans les différentes simulations et réalisation, nous devions passer par une phase de réflexion. En effet, afin d'être en mesure de passer les commandes de matériel, il nous fallait réfléchir à chaque bloc fonctionnel et adopter la solution la plus appropriée. | ||
| + | |||
| + | Dans un premier temps nous avons élaboré une vue d'ensemble du système, avant d'étudier les blocs fonctionnels indépendamment : | ||
| + | |||
| + | [[Fichier:Global_view_version1.jpg|600px|center]] | ||
| + | |||
| + | Le choix des oscillateurs étant déjà fait, nous nous sommes donc penchés sur le circuit de commande photo-résistif. | ||
| + | |||
| + | ===Circuit de commande photo-résistif=== | ||
| + | |||
| + | |||
| + | Après avoir analysé plusieurs solutions nous avons retenu celle-ci, de part sa simplicité et son efficacité dans notre application : | ||
| + | |||
| + | [[Fichier:LDR_command.jpg|300px|center]] | ||
| + | |||
| + | Le principe de ce montage est assez simple : | ||
| + | * La cellule photorésistante est associée à une résistance afin de former un pont diviseur résistif qui fournit une tension dont la valeur est fonction de l'éclairement. | ||
| + | |||
| + | * Le potentiomètre, monté en pont diviseur également, fourni une tension dont la valeur est ajustable et permet d'ajuster la sensibilité, c'est à dire de modifier le seuil de luminosité à partir duquel le montage entre en action. | ||
| + | |||
| + | * Nous disposons donc d'une part une tension dont la valeur dépend du taux d'éclairement, et d'autre part d'une tension dont la valeur est déterminée par la position du curseur de P1. Ces deux tensions sont comparées par l'AOP U1. Par exemple, si que le potentiomètre P1 est en position centrale, la tension sur son curseur est donc d'environ 6V par rapport à la masse (la moitié de la tension d'alimentation générale). Lorsque la cellule photo-résistante est dans le noir, sa résistivité est très grande, la tension présente sur l'entrée non inverseuse de l'AOP est donc grande aussi, supérieure à la tension de référence. Ainsi, la sortie de l'AOP est positive et le transistor Q1 conduit. | ||
| + | Si la cellule est éclairée, sa résistance ohmique chute énormément et la tension à ses bornes diminue en conséquence, suffisamment pour passer en-dessous du seuil de commutation. Dans ces conditions, la sortie de l'AOP passe à 0V (à 1V en réalité car le circuit n'est pas parfait), et le transistor se bloque. | ||
| + | |||
| + | <u>Remarques :</u> | ||
| + | |||
| + | * En l'absence de la résistance R4, nous aurions la présence d'une tension suffisante sur la base du transistor pour le mettre en conduction (car l'AOP sort 1V et non 0V). La résistance R4 forme avec R3 un pont diviseur résistif qui divise environ par 5 ou 6 la tension fournie par l'AOP. Quand ce dernier sort 1V, il ne reste qu'environ 200 mV sur la base de Q1, ce qui est insuffisant pour le faire conduire. | ||
| + | |||
| + | * Dans les montages que nous avons étudié, nous avons remarqué la possibilité d'ajouter une boucle de contre réaction. Cette dernière permettrait de gérer la transition passant/bloqué du transistor. En effet en jouant sur le taux de contre réaction on peut faire travailler l'AOP plutôt en mode comparateur (transition brutale) ou en mode amplicateur (transition progressive). Dans notre cas, nous voulons une transition brutale, atteinte à l'aide d'une résistance élevée sur la boucle de contre réaction. Supprimer cette boucle revient à imposer une résistance quasi-infinie, et convient donc dans notre cas. | ||
Version du 5 février 2018 à 19:29
Sommaire
Présentation générale
- Titre : Tribute to Peter Vogel - musique cybernétique
- Description : Conception et réalisation d'une "oeuvre d'art" interactive sur le modèle des oeuvres de Peter Vogel.
Objectifs
Peter Vogel est un physicien allemand, décédé en mai 2017. Celui-ci consacra sa vie à la réalisation d'oeuvres cybernétiques. il attachait une importance particulière à l'interaction entre l'oeuvre et l'homme. Notre objectif est de rendre hommage a son travail. Pour cela, nous allons construire une sculpture munie de capteurs photo-sensibles qui permettront à l'usager d'altérer une séquence musicale qui serait émise grâce à des haut-parleurs.
Positionnement par rapport à l'existant
L'oeuvre de Peter Vogel est complexe. Nous utiliserons les moyens qui nous sont mis à disposition afin de lui être le plus fidèle. Notre oeuvre, contrairement à celles de Peter Vogel, sera centrée autour d'un micro-contrôleur.
Analyse du projet
Analyse de la concurrence
Notre projet est un hommage à Peter Vogel. Notre but n'est pas d'entrer en concurrence avec ce dernier, mais de construire une oeuvre originale dans laquelle son travail se reflètera.
Scénario d'usage du produit ou du concept envisagé
Deux étudiants passionnés de musique cherchent désespérément un moyen d’allier leur passion pour la musique à leurs connaissances acquises lors de la formation ima à polytech.
Ces derniers tombent par hasard lors de l’une de leur sorties culturelles à Dunkerque sur une exposition rétrospective de Peter Vogel, décédé en début d’année 2017.
Intéressé par ce travail atypique mêlant la dimension de temps représentée par l’interaction de l’utilisateur aux deux dimensions spatiales sur lesquelles se projette l’oeuvre, ils se renseignent sur son travail. Ils décident alors de rendre hommage à cet artiste en réalisant une sculpture interactive à leur manière. Ils décident de réaliser cette structure à l’effigie de l’école qui leur a apportée les connaissances nécessaires à la réalisation de ce projet.
Cette structure utilisera les ombres de l’utilisateur pour son fonctionnement afin d’être fidèle à péter vogel. Elle mêlera électronique musique et automatisme.
Kevin, étudiant dépressif en classe préparatoire sera alors heureux de découvrir aux portes ouvertes de l’école une expérience musicale interactive mettant en valeur la filière Ima. Il décidera alors de s’inscrire dans cette filière après ses concours.
Réponse à la question difficile
Comment assurer la sécurité de l'usager ? ( la structure étant continuellement alimentée)
- perimètre de sécurité.
- placer la structure derrière une vitre.
Préparation du projet
Cahier des charges
Choix techniques : matériel et logiciel
Partie matériel
La description du matériel nécessaire se fait en séparant notre oeuvre en plusieurs bloc fonctionnels :
Structure + Alimentation
- 2* Barres en Aluminium (à déterminer)
- 1* Alimentation PS1220N 12Vcc/2A [1]
Commande 1 : Photorésistances
- 20* Amplificateur opérationnel LM358N [2]
- 15* Résistances 68Kohm [3]
- 15* Photorésistances LDR04 [4]
- 12* Potentiomètres linéaires 100k [5]
- 15* Résistances 4,7Kohm [6]
- 15* Résistances 1Kohm [7]
- 15* Transistors NPN 2N3904 [8]
Commande 2 : Séquenceur Arduino
- 1* Socket Solder Trail [9]
- 1* Atmega 328p [10]
- 1* Led verte [11]
- 1* Résistance 330ohms 1/6th Watt Pth[12]
- 1* bouton poussoir [13]
- 2* Condensateurs découplages 10µF [14]
- 2* Condensateurs céramiques 22pF [15]
- 1* Régulateur de tension [16]
- 1* Cristal 16Mhz [17]
- 3* Female headers [18]
Oscillateurs + Haut parleur(VCO)
- 10* Résistances 1Kohm [19]
- 10* Potentiomètres linéaires 10k [20]
- 10* Résistances 100Kohm [21]
- 10* Condensateurs 10µF [22]
- 10* Transistors NPN 2N3904 [23]
- 70* Leds rouges [24]
- 2* Haut-parleur 2W [25]
Filtre Passe-bas
Partie mobile
- 2* Petits moteurs [29]
La méthode de contrôle des moteurs et les composants nécessaires sont encore à déterminer. Nous nous concentrerons sur cette partie en dernier. Cette fonctionnalité étant indépendante du reste de circuit, cela ne pose pas de problème.
Partie logiciel
Arduino IDE, Altium Designer, Atmega 328p Programmer
Liste des tâches à effectuer
1. Dimensionnement : Analyse de la puissance totale nécessaire et de la mise en cascade des différentes parties.
2. Simulation logicielle (LTspice) : phase de Test, vérification de l'étude théorique.
3. Réalisation des 8 oscillateurs
4. Réalisation de la commande basée sur les photorésistances
5. Conception de l'arduino Uno
6. Programme de contrôle séquencé des oscillateurs
7. Création du circuit de sélection (Commande manuelle/Commande automatique)
8. Réalisation + test du filtre RC à fréquence de coupure variable
9. Gestion de l'alimentation des LED
10. Alimentation de la partie moteur
11. Alimentation du Haut-parleur
12. Réalisation de la structure métallique
13. Soudure des différents blocs fonctionnels sur la structure + phases de test
Calendrier prévisionnel
Réalisation du Projet
Feuille d'heures
| Tâche | Prélude | Heures S1 | Heures S2 | Heures S3 | Heures S4 | Heures S5 | Heures S6 | Heures S7 | Heures S8 | Heures S9 | Heures S10 | Total |
|---|---|---|---|---|---|---|---|---|---|---|---|---|
| Analyse du projet | 8 | 6 | 8 | |||||||||
| Rédaction du wiki | 5 | 5 |
Prologue
Lorsque nous avions choisi le sujet nous ne savions pas exactement dans quoi nous étions en train de nous embarquer. Nous savions que Peter Vogel était un artiste cybernétique mêlant l'électronique à la musique dans le but de créer des œuvres interactives. C'était alors à nous de proposer une oeuvre qui, au-delà de son aspect technique, représenterait l'école.
Très vite notre choix de forme de la structure s'est portée vers le "P", logo officiel du réseau Polytech. Nous avons donc, en vue d'une présentation devant nos tuteurs, commencé à réfléchir aux différentes fonctionnalités qu'aurait notre sculpture. De cette réflexion est sortie une première ébauche de notre oeuvre :
Voici les différentes fonctionnalités que devait avoir notre sculpture selon notre première réflexion :
Les oscillateurs
Les oscillateurs sont la base même de notre oeuvre. En effet, ce sont eux qui vont produire le son lorsqu'ils seront alimentés. Il sont au nombre de 8 (équivalent à une gamme) et répartis tout autour de l'oeuvre. Il existe plusieurs manière de réaliser un VCO pour une une application audio. Notre choix s'est porté vers une solution simple proposée par un artiste anglais (Look Mum No Computer):
En travaillant dans la zone d'avalanche du transistor, il nous est possible de récupérer un signal triangulaire aux bornes de la capacité. Le potentiomètre permet à l'utilisateur de régler la tonalité de chaque oscillateur.
La commande des oscillateurs
Le but premier de notre oeuvre est d'introduire l'interactivité avec l'usager à la manière de Peter Vogel. Pour rappel ce dernier se servait de photorésistances afin d'utiliser l'ombre de l'utilisateur pour activer/désactiver certains sons/mouvements. La présence de photo résistances était donc indispensable.
Nous avons cependant décidé d'introduire un second mode de fonctionnement. Il sera alors possible de changer d'un mode à l'autre à l'aide d'un switch présent sur la structure même.
Commande n°1 : Circuit photo-résistif
Dans ce mode, il sera possible pour l'utilisateur d'activer les notes comme un synthétiseur lorsque son ombre passera sur l'une des photorésistance. Comme vous l'aurez compris, chaque oscillateur aura son propre circuit de commande photo-résistif. Il sera possible en théorie de faire plusieurs notes en même temps. La sculpture se présentera alors comme un clavier sans fil sur lequel le musicien jouera à l'aide de son ombre.
Commande n°2 : Le séquenceur
En musique, un séquenceur est un outil capable d'enregistrer et exécuter une séquence de commandes (par exemple une partition) permettant de piloter des instruments de musique électronique. Il ne produit aucun son par lui-même, mais sert à automatiser l’exécution d'une séquence musicale.
Notre but dans ce mode de fonctionnement est alors de faire jouer les 8 notes de manière séquencée. La séquence peut prendre plusieurs formes : sens trigonométrique, anti-trigonométrique, aléatoire. Le moyen le plus simple pour faire cela est d'utiliser une micro-contrôleur programmable (type Atmega328p). Ce dernier enverra alors, selon la séquence programmée, une tension de 5v à l'oscillateur concerné afin de l'activer. Il faudra prendre soin de programmer toutes les séquences voulu avant l'installation sur la structure. En effet, comme nous soudons tout les composants à même la structure (comme nous l'impose l'oeuvre de Peter Vogel), il sera difficile voir impossible de retirer l'Atmega pour le reprogrammer.
Une photo-résistance sera présente pour changer le mode de séquençage.
Et les LEDS dans tout ça ?
Les leds présentes sur le schéma (formant les lettres de Polytech) seront commandées en même temps que les oscillateurs. Lorsqu'une note sera active, la lettre correspondante sera illuminée.
Le Filtre RC
Nous n'étions pas certains d'ajouter cette fonctionnalité au départ. En effet le filtre RC est un simple filtre passe-bas permettant de couper les hautes fréquences du son, provoquant alors un effet d'atténuation, d'étouffement. Nous pensions juste inclure ce filtre au circuit et de commander son activation/désactivation à l'aide d'une photo-résistance. Mais cela n'avait pas de grand intérêt, si ce n'est d'ajouter un fonctionnalité.
Puis nous avons pensé à une réalisation différente (encore une fois grâce au site de Look Mum No Computer). En effet, la fréquence de coupure étant définie par la valeur de la capacité et la résistance, celle si peut être modifiée si on change une de ces deux dernières valeurs. Réaliser une capacité variable est possible, mais bien plus compliqué qu'une résistance variable. Pour cette dernière, il suffit de mettre un potentiomètre ou... une photo résistance !
Le principe est simple, à l'aide d'un oscillateur basse fréquence on alimente une led blanche, qui clignotera à la fréquence de l'oscillateur. En mettant cette led en face d'une photorésistance, on récupère une résistance variant à la fréquence de l'oscillateur également. Cela fera "osciller" la fréquence de coupure dans une certaine plage de fréquence, produisant alors sur le son un effet oscillant.
Ce montage permet de faire un usage différent des photorésistances.
Partie Mobile : banderole
Afin d'ajouter la notion de mouvement (présente chez Peter Vogel comme sur l'oeuvre Shadow Orchestra), nous voulions créer une banderole défilante. Nous avons imaginé plusieurs petit panneaux portant des inscriptions défilants à l'aide de deux moteurs. Attachés par des chaines, ils seraient fixés à un système de deux pivots permettant le défilement.
Nous n'avons pas étudié cette fonctionnalité en profondeur, le temps de travail pour le reste étant déjà conséquent. Ce système peut être vu comme un "bonus" qui sera réalisé si l'aspect musical de l'oeuvre est fonctionnel.
Semaine 1
Avant de nous lancer dans les différentes simulations et réalisation, nous devions passer par une phase de réflexion. En effet, afin d'être en mesure de passer les commandes de matériel, il nous fallait réfléchir à chaque bloc fonctionnel et adopter la solution la plus appropriée.
Dans un premier temps nous avons élaboré une vue d'ensemble du système, avant d'étudier les blocs fonctionnels indépendamment :
Le choix des oscillateurs étant déjà fait, nous nous sommes donc penchés sur le circuit de commande photo-résistif.
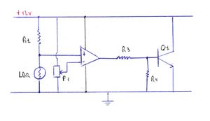
Circuit de commande photo-résistif
Après avoir analysé plusieurs solutions nous avons retenu celle-ci, de part sa simplicité et son efficacité dans notre application :
Le principe de ce montage est assez simple :
- La cellule photorésistante est associée à une résistance afin de former un pont diviseur résistif qui fournit une tension dont la valeur est fonction de l'éclairement.
- Le potentiomètre, monté en pont diviseur également, fourni une tension dont la valeur est ajustable et permet d'ajuster la sensibilité, c'est à dire de modifier le seuil de luminosité à partir duquel le montage entre en action.
- Nous disposons donc d'une part une tension dont la valeur dépend du taux d'éclairement, et d'autre part d'une tension dont la valeur est déterminée par la position du curseur de P1. Ces deux tensions sont comparées par l'AOP U1. Par exemple, si que le potentiomètre P1 est en position centrale, la tension sur son curseur est donc d'environ 6V par rapport à la masse (la moitié de la tension d'alimentation générale). Lorsque la cellule photo-résistante est dans le noir, sa résistivité est très grande, la tension présente sur l'entrée non inverseuse de l'AOP est donc grande aussi, supérieure à la tension de référence. Ainsi, la sortie de l'AOP est positive et le transistor Q1 conduit.
Si la cellule est éclairée, sa résistance ohmique chute énormément et la tension à ses bornes diminue en conséquence, suffisamment pour passer en-dessous du seuil de commutation. Dans ces conditions, la sortie de l'AOP passe à 0V (à 1V en réalité car le circuit n'est pas parfait), et le transistor se bloque.
Remarques :
- En l'absence de la résistance R4, nous aurions la présence d'une tension suffisante sur la base du transistor pour le mettre en conduction (car l'AOP sort 1V et non 0V). La résistance R4 forme avec R3 un pont diviseur résistif qui divise environ par 5 ou 6 la tension fournie par l'AOP. Quand ce dernier sort 1V, il ne reste qu'environ 200 mV sur la base de Q1, ce qui est insuffisant pour le faire conduire.
- Dans les montages que nous avons étudié, nous avons remarqué la possibilité d'ajouter une boucle de contre réaction. Cette dernière permettrait de gérer la transition passant/bloqué du transistor. En effet en jouant sur le taux de contre réaction on peut faire travailler l'AOP plutôt en mode comparateur (transition brutale) ou en mode amplicateur (transition progressive). Dans notre cas, nous voulons une transition brutale, atteinte à l'aide d'une résistance élevée sur la boucle de contre réaction. Supprimer cette boucle revient à imposer une résistance quasi-infinie, et convient donc dans notre cas.
Recherche des composants utiles à la réalisation du projet.
Elaboration des circuits des différentes fonctions électriques du montage.
Réflexion et recherche de solutions pour établir les différentes commandes du dispositif:
> différents modes de fonctionnement demandent l'utilisation de buffers, de composants permettant d'établir les liens entre les étages.
> Choix des commandes : ampli op, transistors...
Réalisation du schéma de fonctionnement global du circuit.
Calcul approximatif des puissances nécessaires pour le circuit.
