Contrôle de sonar, 2011/2012, TD1 : Différence entre versions

De Wiki de Projets IMA
(Câblage du sonar)
(Partie Analogique)
Ligne 154 : Ligne 154 :
 
rédaction en cours
 
rédaction en cours
  
== Partie Analogique ==
 
 
= Schéma du câblage =
 
= Schéma du câblage =
 
[[Fichier:Sonar5.png|750px|thumb|left|texte descriptif]]
 
[[Fichier:Sonar5.png|750px|thumb|left|texte descriptif]]

Version du 12 avril 2012 à 17:06

Projet sonar

Participants

Membre de l'équipe: Bonvalet Quentin, Boudjema Samir, Robin Gouenard

Objectif global

A travers ce projet, nous devons réaliser la partie électronique d'un sonar dans le cadre de l'emission et la reception d'un signal mais aussi pouvoir communiquer avec ce sonar par l'intermédiaire d'une interface (PC puis foxboard), afin d'effectuer une action ou recevoir une information par exemple.

Avancement du projet

Objectif de la séance 1

Partie électronique

Le premier objectif de cette séance est de comprendre le sujet ; puis dans un deuxième temps nous devons nous familiariser avec Altium et la nanoboard.


A partir d'Altium et d'une nanoboard, nous devons donc simuler le fonctionnement du "sonar" en envoyant des impulsions à 40kHz via un émetteur et les recevoir via un récepteur;

Nous devons donc réfléchir à la conception d'une partie FPGA et d'une partie analogique :

- La partie FPGA nous permettra d'envoyer des trains d'impulsions à 40KHz, qui une fois amplifiée seront connectées à l'émetteur.

- La partie analogique nous permettra d'amplifier et de distinguer les différents signaux reçus.

Partie informatique

Comprendre les objectifs, installer les bibliothèques nécessaires (prototype, phildget etc...), découvrir et utiliser le matériel, Coder en C des premiers programmes nécessaires. Etudier l'utilisation de javascript ( a l'aide du wiki par exemple) et comprendre le site php à realiser.

Bilan séance 1

Partie informatique

Projet compris, étude des exemples fournies pour controler le Servo-moteur, création d'un programme de pilotage par position, reflexion pour balayage. Compréhension faite de la bibliothèque prototype, début de rédaction des pages html nécessaires (avec appel du programme en C et du programme php)

Partie électronique

Le sujet est compris dans son ensemble; la plupart des difficultés du système à concevoir ont été identifiés.

Les différents amplificateurs nécessaires pour la partie analogique sont définis.

Nous avons réfléchi au sujet et commencé à écrire des schémas concernant la conception de notre système.

Puis nous avons commencer à mettre en place les composants sur Altium.

Nous avons émis une première version de notre système via le FPGA de la nanoboard, pour le moment la compilation n'émet aucune erreur

Objectif séance 2

Partie électronique

Après une semaine de réflexion suite à notre premier système, nous devons mettre en place des améliorations:

            => un moyen technique permettant d'arrêter le compteur lorsque le signal de retour est détecté
            => relier les deux compteurs à la même horloge
            => mettre une porte & entre le circuit de l'emetteur et du recepteur afin que le récepteur ne fonctionne pas quand on emet nos impulsions
	    => Effectuer un schéma électrique de la partie analogique afin de faciliter le câblage

Partie informatique

Le but de cette séance est de communiquer entre la plateforme phidget et le sonar (utilisation de requete AJAX aidée par la bibliothèque Prototype). Realisation de modification de l'orientation a partir du site, puis récupération de la distance.

Bilan séance 2

Partie électronique

Voici le bilan de cette séance :


=> Le moyen technique permettant d'arrêter le compteur lors du retour du signal émis a été trouvé : nous utiliserons une horloge de période 1 secondes, qui sera notre temps de référence pour la mise à jour des données du sonar.


=> Les modifications concernant le fichier Altium ont été effectuées; le câblage a été optimisé (voir le bilan de la derniere séance)


=> Les ébauches des câblages de la partie analogique ont été montré à l'équipe pédagogique; il y aura des modifications a effectuées notamment concernant la valeur des composants

Partie informatique

Les fichiers html pour le site sont faits, les fichiers en C et php communiquant avec la plateforme phidget sont réalisés, une phase de débuggage est nécessaire en début de séance suivante.

Objectifs de la séance 3

Partie électronique

rédaction en cours

Partie informatique

Le but de cette dernière séance est de faire fonctionner le site correctement( en réalisant un debuggage), c'est à dire avoir l'émission d'une orientation et la réception de la distance obtenue par le sonar (affichée sur le site) . Enfin l'implémentation sur la foxboard doit être réalisée.


Partie informatique

en cours de rédaction

Partie électronique

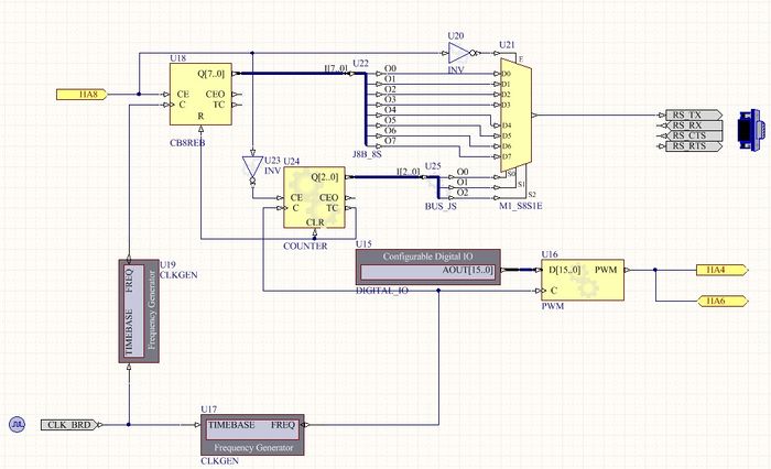
Partie FPGA

rédaction en cours

Fichier:Sonar0.png
texte descriptif






















Partie analogique

rédaction en cours

Schéma du câblage

texte descriptif













Câblage du sonar

texte descriptif
texte descriptif