IMA3/IMA4 2021/2023 P10 : Différence entre versions

De Wiki de Projets IMA
(Etude Automatique)
(Etude Automatique)
Ligne 123 : Ligne 123 :
 
l’angle de consigne est de 0deg,nous employons un PID pour corriger l’angle de mesure,à sa sortie,on aura une tension W(p).Les blocs Km et W(p) assurent le passage tension->couple->angle ,il faut ensuite retirer  pour ne garder que l’angle d’inclinaison du châssis  .Km=0.0125N.m.V-1(d’après la datasheet du moteur)
 
l’angle de consigne est de 0deg,nous employons un PID pour corriger l’angle de mesure,à sa sortie,on aura une tension W(p).Les blocs Km et W(p) assurent le passage tension->couple->angle ,il faut ensuite retirer  pour ne garder que l’angle d’inclinaison du châssis  .Km=0.0125N.m.V-1(d’après la datasheet du moteur)
  
[[Fichier:Bcle.png |800px|Asservissement]]
+
[[Fichier:Bcle.png |800px|Asservissement]]         [[Fichier:Matuu.png|800px|Asservissement]] 
  
 
Les équations obtenues sont les suivantes (Le détail des calculs a été précisé dans le Rapport):  
 
Les équations obtenues sont les suivantes (Le détail des calculs a été précisé dans le Rapport):  
Ligne 134 : Ligne 134 :
 
[[Fichier:Eqlin.png |300px|Asservissement]]
 
[[Fichier:Eqlin.png |300px|Asservissement]]
  
[[Fichier:Crbe.png|300px|Courbe]]
+
[[Fichier:Crbe.png|800px|Courbe]]
  
 
==<span style="color:#000080">'''Bilan'''</span>==
 
==<span style="color:#000080">'''Bilan'''</span>==

Version du 8 mai 2023 à 00:05

Résumé

Exemple de robot similaire au notre

Notre projet est de concevoir un robot mobile à deux roues ayant la faculté de s'équilibrer automatiquement. En effet, ne possédant que deux roues, l'équilibre du robot sur son axe vertical est compromis, a la manière d'un segway. Afin d'empecher ce désequilibre, nous avons pensé à intégrer au robot un système de contrôle de son angle vertical, utilisant des capteurs et des actionneurs mis en relation par une boucle de régulation automatique. Les composants electroniques et mécaniques du robot nous étant fournis, notre travail consiste donc surtout à étudier ce système, pour ensuite concevoir un asservissement, et l'implémenter dans notre robot.

L'intégralité de notre programme est disponible sur le dépôt git à l'adresse: https://gitlab.com/remi_farault/self-balanced-robot

Présentation générale

🌏Contexte

Les moyens de transport actuels reposent principalement sur le principe du robot à deux roues, c'est la raison pour laquelle l'étude de celui ci s'avère importante, en effet l'étude de sa conception et son contrôle va nous permettre de développer des outils innovants qui pourraient potentiellement intéresser des sociétés de transport .

🎯Objectif

Notre objectif principal est de commander le robot, de là interviennent d'autres objectifs tel que la stabilité ,développer un code robuste qui assure cette fonctionnalité et aussi le contrôler pour réaliser des fonctionnalités de déplacement et d'éviter des obstacles . Des objectifs secondaires sont de créer un site web à travers lequel nous allons mener toutes les opérations de contrôle .

🔍Expression du besoin

Un robot autoéquilibré à deux roues est un type de robot qui peut se maintenir en équilibre sur deux roues sans tomber. Pour réaliser cette fonctionnalité, le robot utilise un ensemble de capteurs, d'algorithmes de contrôle et de moteurs pour ajuster sa position en temps réel.


Bete a corne SBR


Le diagramme interacteurs permet en fait de visualiser les fonctions services assurées par le système

DGI SBR
DGI SBR

Réalisations et Résultats

Exemple de commande désirée

Après mis en place notre stratégie de gestion de projet en s6 à travers le diagramme de GANTT et le cahier de charges fonctionnels, nous nous sommes focalisés sur l'étude technique.


Organisation de notre programme


Tout d'abord, étudier à travers des outils automatiques la stabilité du robot en faisant appel à des modèles théoriques et pratiques et commencer par un raisonnement par niveaux, d'abord le niveau 1 du moteur à courant continu et les équations correspondantes puis le niveau 2 assurant la stabilité du robot directement, on avait la possibilité de passer directement au niveau 2 à travers le modèle du pendule inversé et les équations qui en découlent sauf que celui-ci ne nous permettra pas de revenir au niveau 1 et asservir le moteur à travers les codeurs incrémentales ,la deuxième partie consistait à réaliser les codes informatiques en s'appuyant sur les structures de données en C vues l'année dernière et conduire un même raisonnement(par niveaux) s'appuyant d'abord sur les codes sources correspondants à la génération d'un signal PWM pour les deux moteurs avec un rapport cyclique modifiable, et aussi les codes sources correspondants à la gestion des moteurs, en effet, ceux-ci tournent dans un sens ou dans un autre ou ne tournent pas en fonction de la variable in1 et in2 pour faire tourner les moteurs .


Compilateur utilisé


Cependant, nous avons rencontré quelques problèmes en automatique notamment pour trouver des valeurs des constantes théoriques pour les références du moteur entre les mains, ce qui nous a obligé à prendre des valeurs issues d'autres applications, nous avons rencontré aussi quelques problèmes choisir une modélisation parmi celles qui sont disponibles sur Internet .


Les problèmes rencontrés en Informatique étaient de tester les codes de la PWM pratiquement sur les moteurs DC,...


Etude Automatique

En plus de programmer notre système sur la carte Arduino, nous avons également créé une simulation complète de notre système robotisé sur SIMULINK. Cependant, avant cela, nous avons dû déterminer les équations qui régissent notre système en trouvant les matrices d'inertie de chaque composant de notre robot, à savoir la masse transportée par le robot (M), le châssis constitué de deux plateaux et de la motorisation (les piliers et leur inertie ont été négligés car leur masse est très faible), ainsi que les roues (roue droite et roue gauche). Vous trouverez ci-dessous les matrices d'inertie que nous avons obtenues pour chaque composant.

Masse M :

Matrice de la masse M










Les coefficients seront notés dans la suite pour simplifier : AM,BM,CM

Chassis:

Matrice du chassis



Les coefficients de la diagonale seront notés dans la suite pour simplifier : AH,BH,CH

Roue gauche:


Matrice de RG


Les coefficients de la diagonale seront notés dans la suite pour simplifier : AD,BD,CD

Roue droite:

Matrice RD

Les coefficients de la diagonale seront notés dans la suite pour simplifier : AD,BD,CD

Ci-dessous un paramétrage de notre système : Chaque angle détermine un repère

Le repère R0 est supposé galliléen.

Le repère R1 est en rotation ,appelé angle de virage par rapport à R0.

Le repère R2 est en rotation ,appelé angle d’inclinaison du châssis par rapport à R0 .

Le repère R3 est en rotation ,appelé angle d’inclinaison arrière-avant de la masse par rapport à R0 .

Le repère R4 est en rotation ,appelé angle d’inclinaison droite-gauche de la masse par rapport à R0 .


Matrice du chassis

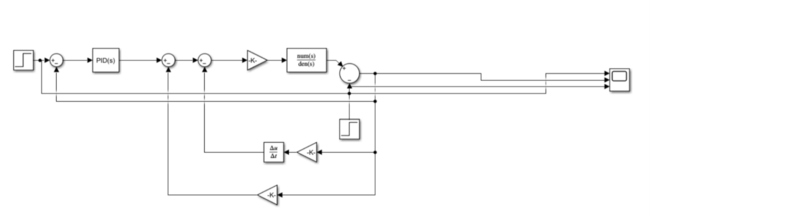
l’angle de consigne est de 0deg,nous employons un PID pour corriger l’angle de mesure,à sa sortie,on aura une tension W(p).Les blocs Km et W(p) assurent le passage tension->couple->angle ,il faut ensuite retirer pour ne garder que l’angle d’inclinaison du châssis .Km=0.0125N.m.V-1(d’après la datasheet du moteur)

Asservissement Asservissement

Les équations obtenues sont les suivantes (Le détail des calculs a été précisé dans le Rapport):

Asservissement


Après linéarisation : Considérer l'approximations des petits angles pour le sinus et cosinus,et négliger aussi la vitesse angulaire quadratique devant la vitesse angulaire,nous obtenons :

Asservissement

Courbe

Bilan

Gestion de projet

- Google Drive

texte descriptif

Rapport séance 18/01

Mohamed:

Developpement et documentation sur les encodeurs des moteurs

Rémi:

Documentation sur le MPU6050 et i2c