IMA4 2018/2019 P10 : Différence entre versions
(→Semaine 3: Quel microcontrôleur? Gestion de l'alimentation de la carte?) |
(→Choix du microcontrôleur) |
||
| Ligne 379 : | Ligne 379 : | ||
*STM32Lx, la série "Low" servant pour des applications nécessitant une faible consommation d'énergie. | *STM32Lx, la série "Low" servant pour des applications nécessitant une faible consommation d'énergie. | ||
| − | Mon choix s'est donc orienté vers la série | + | Mon choix s'est donc orienté vers la série STM32Lx. Après des recherches j'ai aussi vu qu'il existait des cartes de développement "Nucleo" qui utilise cette série de microcontrôleur. |
=Documents Rendus= | =Documents Rendus= | ||
Version du 18 février 2019 à 16:17
Sommaire
- 1 Présentation générale : Réalisation d'un capteur de pollution dans l'eau.
- 2 Analyse du projet
- 3 Préparation du projet
- 4 Réalisation du Projet
- 5 Documents Rendus
Présentation générale : Réalisation d'un capteur de pollution dans l'eau.
- Élève : Branquart Antoine
- Encadrants : Alexandre Boé / Xavier Redon / Thomas Vantroys
Description
La pollution de l'eau entraîne une mauvaise qualité de l'eau qui provoquerait des maladies à l'origine de près de deux millions de décès par an dans le monde. Cette pollution peut se présenter sous différentes formes : chimiques, bactériologiques mais aussi thermiques et atteint toutes les sortes d'eaux.
Elle est difficile à détecter puisque ce qui est au fond de l'eau, ou dilué dans l'eau est souvent invisible, et que certains toxiques infiltrés dans le sol ne produisent souvent leur effet qu'après un long délai.
De plus on a du mal à se prévenir des épisodes de pollution (quand la concentration d’un ou plusieurs polluants dépasse les seuils réglementaires horaires ou journaliers) puisque les tests de la qualité des eaux sont souvent ponctuels et ont longtemps nécessité des équipements coûteux : les échantillons d'eau devaient en effet être envoyés à des laboratoires spécialisés le plus souvent distants.
La réalisation d'un capteur autonome permettrait de se prévenir de ces épisodes de pollution de manière beaucoup plus régulière.
Objectifs
Le système autonome en énergie devra pouvoir être déployé et fixé afin que la source d'énergie renouvelable rattachée au capteur ne voit pas son rendement chuté en cas de déplacement qui engendrerait des mauvaises conditions de récupération d'énergie et tout cela dans n'importe quelles eaux.
La fixation du capteur évitera aussi la perte de celui-ci si il est coincé proche des berges nécessitant une intervention humaine.
Il devra être capable de récupérer les dosages d’éléments chimiques significatifs d'une pollution ainsi que le niveau de salinité de l'eau et d'envoyer ces informations par un protocole de communication longue distance à une station de base.
Ce capteur complet assurera donc les fonctions de:
- Mesures de salinité de l'eau et de densités chimiques grâce à des capteurs du type galvanostat et conductimètre.
- Traitement de données grâce à un microprocesseur.
- Transmission de données par le protocole de communication radiofréquence "LoRa" à une station d'analyse.
- Alimentation par batterie rechargeable par un panneau photovoltaïque.
Bien sûr ce capteur devra être protégé par un packaging imperméable permettant le maintien en service du système pour de longues durées, idéalement sur plusieurs années.
Voici le synoptique du système:
Ce système sera déployé dans les eaux aux alentours de Lille ou bien dans la rivière Saïgon au Vietnam.
Par la suite il sera possible de continuer ce projet au Vietnam après validation du capteur en apportant une interface graphique ainsi qu'une base de données à la station de base qui serviront à la visualisation des données à n'importe quel moment.
Analyse du projet
Positionnement par rapport à l'existant
On trouve beaucoup plus souvent, en effectuant des recherches, des laboratoires ou des universités qui développent des prototypes se rapprochant de ce projet mais il existe en réalité peu d'industries qui commercialisent des capteurs de niveau de pollution de l'eau.
Les quelques entreprises qui possèdent des produit de ce style mettent à disposition des capteurs avec des mesures ponctuelles ainsi qu'une interface qui est câblée à la sonde et qui nécessite donc de se déplacer au point d'eau que l'on souhaite analyser.
Il existe aussi des capteurs autonomes vendus par ces sociétés mais à des prix onéreux, qui mesurent de nombreux paramètres inutiles dans notre cas et qui semblent être difficile à utiliser.
L'avantage du système développé dans ce projet par rapport au marché actuel serait l'autonomie du capteur ainsi que sa capacité de transmission de données. En effet le système une fois installé n’entraînerait plus par la suite des déplacements vers le point d'eau que l'on souhaite analyser.
Le coût du capteur développé serait lui aussi un avantage puisque de nombreux paramètres inutiles comme la mesure de propriétés physiques optiques ou la mesure de la température ajouteraient des technologies à notre système et augmenteraient le prix. Ici on ne recueillera que les informations de la salinité de l'eau ainsi que la densité des éléments chimiques présents dans l'eau.
Analyse du premier concurrent
La sonde paramètres AP-7000 de la société SDEC spécialiste pour les solutions technologiques pour l'environnement.Cette sonde a été conçu pour effectuer des mesures continues fiables et précises des paramètres physico-chimiques dans l'eau.
Elle permet la mesure de paramètres standard (voir: [1]).
Avantages:
- De nombreux paramètres physico-chimiques mesurées.
- Nettoyage des capteurs par système de balai-brosse programmable.
- Corps de sonde en aluminium anodisé (Qualité Marine) pour supporter tous les environnements.
Inconvénients:
- On doit ajouter des modules de communication AP-PC-KIT (pour la calibration des capteurs et la prise de mesures ponctuelles) et un enregistreur(pour le suivi et l'enregistrement de longue durée des paramètres physico-chimiques).
- Des paramètres comme la température ou la profondeur de l'eau sont mesurés alors que dans notre cas ils ne sont pas nécessaires.
- Le prix sans doute élevé au vu des technologies employées et il faut demander des devis pour les obtenir.
Objectifs pour le système recherché par rapport à ce concurrent:
- Offrir la possibilité d'effectuer des mesures de longue duré sans que le système n'est besoins d'être complété par différents modules.
- Offrir un produit à un prix attractif.
Analyse du second concurrent
Sonde U-50 de la société HORIBA spécialisée dans le process et l'environnement.La sonde multi-paramètres U-50 est capable en un seul appareil de mesurer et d'afficher simultanément les résultats de 11 paramètres d'indication de qualité des eaux.
Elle est utilisée sur des sites tels que pour le contrôle des eaux souterraines, eaux de rivières, eaux de ruissellement, etc...(voir: [2]).
Avantages:
- Simplicité d'utilisation.
- De nombreux paramètres en simultanés.
Inconvénients:
- Obligation de se déplacer sur les points d'eau pour l'utiliser.
- Communication par USB avec un PC pour visualiser les données sous format EXCEL.
- Systèmes non autonomes.
Objectifs pour le système par rapport à ce concurrent:
- Offrir une communication sans-fil avec une station à distance pour l'analyse des données.
- Offrir la même simplicité d'utilisation.
- Offrir un système autonome sur une longue durée.
Scénario d'usage du produit ou du concept envisagé
Monsieur Haddock, directeur du ponton Belem port de plaisance situé à NANTES à décider de s'engager en faveur de Ports propres qui est la première et la seule démarche de gestion environnementale des ports de plaisance à l'échelle européenne.
Cette démarche traduit une volonté forte de la part des gestionnaires de port de plaisance de prendre des engagements concrets pour lutter en faveur de la préservation des milieux aquatiques et du développement durable des activités littorales et marines.
Monsieur Haddock pour suivre cette démarche décide de faire appel à un laboratoire d'analyse de la qualité de l'eau, le laboratoire Inovalys situé lui aussi à NANTES.
Ce laboratoire est spécialisé dans les analyses physico-chimiques, microbiologiques et biologiques, sur tous les types de produits liés à l’environnement.
L'équipe de recherche d'Inovalys à développé un tout nouveau type de capteur, le capteur "ClearWater".
Ce capteur imperméable et robuste à un environnement hostile une fois déployé dans l'eau est capable de mesurer les valeurs de densités chimiques dans l'eau ainsi que sa salinité et de transmettre ces valeurs directement par liaison sans fil à la station d'analyse à distance situé à 5 km du point d'eau. Son alimentation s'effectuant par le biais d'une source d'énergie renouvelable, "ClearWater" possède une durée de vie d'environ 5 ans et permets donc d'acquérir des données de manière très régulière sans aucun impact sur l'environnement.
Ce capteur est idéal pour observer l'évolution de la qualité de l'eau à distance, au fil du temps, sur de longues périodes, sans intervention de l'homme.
Grâce à ce capteur, Inovalys propose à monsieur Haddock d'assurer la surveillance de la qualité de l'eau du ponton Belem pour 5 ans, et d'assurer la communication d'épisode de pollution au directeur du port.
Monsieur Haddock pourra par la suite prendre les mesures sanitaires nécessaires pour respecter son engagement envers "Ports Propres".
Site web du laboratoire Inovalys Site web du ponton Belem Site web de la démarche ports propres
Réponse à la question difficile
- Comment réaliser le packaging complet du capteur et comment assurer son déploiement dans l'environnement ?
Le capteur sera déployé au bord du point d'eau que l'on veut analyser lié à un piquet de robinier, bois avec lesquels sont construit les pontons en contact permanent avec l'eau, qui serait lui-même implanter dans la berge.
Au niveau du packaging, le capteur sera installé dans une boîte en PEHD (Polyéthylène à Haute Densité). Le PEHD est un polyéthylène qui est un des polymères le plus simple et le moins cher. Il est régénéré et recyclé sous forme de granulés. Il est par exemple utilisé pour produire des caisses en plastique hautement résistantes, des canoës-kayaks, câbles enterrés et des tubes pour le transport de gaz ou d'eau.
Un couvercle de cette même matière sera réalisé qui recouvrerait la boîte et qui sera lié avec de la colle époxy. Un moule en plâtre devra être créé afin de pouvoir couler le PEHD préalablement chauffer.
Il reste encore à résoudre le problème de transport d'électricité entre le panneau et le capteur.
- Quelle est l'autonomie énergétique et quelles sont les solutions pour la récupération d'énergie ?
Sans parler de la solution de récupération d'énergie qui a été proposé précédemment, si on a une pile de capacité de 3700 mAh et que si l'on regarde la consommation du microcontrôleur + la consommation du module émetteur-récepteur on a une consommation pour 100 envois de données en une heure:
- Pour une consommation du module de 28 mA par émission soit 280 mA par heure
- Pour une Consommation de 3,70 mA donc 37 mA par heure du microcontrôleur pour une alimentation à 3,3 Volts et une horloge interne de 8Hz
- 3700 / 37+280 = 380 heures soit 15 jours ce qui est trop faible. Calculs inspirés de ce site : [3]
En ne prenant pas en compte la consommation des deux capteurs l'autonomie du système est beaucoup trop faible pour répondre aux objectifs donnés, la solution de la récupération de l'énergie par énergie solaire, l'optimisation de l'utilisation du microcontrôleur ainsi qu'un choix judicieux d'un nombre d'envoi par heures peuvent être acceptable pour améliorer l'autonomie du système.
Préparation du projet
Cahier des charges
| Fonctions | Critères d'appréciation | Niveaux d'exigence |
|---|---|---|
| FP1 Indiquer de façon autonome le taux de pollution de l'eau | La durée de vie du système | Autonome |
| FC1 Donner des mesures fiables | Le potentiel électrique d'une cellule électrochimique | +/- 10% d'erreur |
| FC2 S'intégrer de façon harmonieuse dans l'environnement | Le taux de rejet de déchets du système | Aucun rejet de déchets polluant |
| FC3 Transmettre les données sur une longue distance | La distance de communication | +/- 5km |
| FC4 Établir une communication fiable | La réception des données | Aucune pertes de données |
| FC5 Être autonome en énergie | La consommation d'énergie du système | Durée de vie des batteries |
| FC6 Être imperméable | L’imperméabilité du packaging | Taux d'humidité à l'intérieur du packaging ~ 0% |
| FC7 Nécessiter aucune intervention de l'homme | La perte du système sur le point d'eau | Aucune perte |
| FC8 Ne perturber aucun autre systèmes aux alentours | Niveau de bruit sur le signal transmis | Aucun bruit |
Choix techniques : matériel et logiciel
Choix matériel :
- 1 Carte STM32L031K6 Nucleo ->Lien direct vers la référence du produit
- 2 Microcontrôleurs STM32L051K8T6 ->Lien direct vers la référence du produit
- 2 Modules radio RF-LoRa-868-SO -> Lien direct vers la référence du produit
- 1 Batterie portable 5V -> Lien direct vers la référence du produit
- 1 Électrode au calomel saturé (fournit par M. Boé)
- 2 Électrode de platine (fournit par M. Boé)
- 2 Ports micro USB-B -> Lien direct vers la référence du produit
- 2 Régulateurs de tension -> Lien direct vers la référence du produit
- 1 Digital to analog converter DAC1220E-> Lien direct vers la référence du produit
- 2 LM324 -> Lien direct vers la référence du produit
Choix logiciel :
- STM32CubeL0 Logiciel embarqué sur la carte Nucleo -> Packages
Liste des tâches à effectuer
- Réalisation du PCB qui reliera le microcontrôleur, l'émetteur radio, le capteur type galvanostat, capteur type conductimètre et l'alimentation.
- Réalisation du PCB qui reliera le microcontrôleur, un port USB pour la communication avec le PC et le récepteur radio.
- Programmation du microcontrôleur pour le traitement des données reçu par le capteur.
- Programmation du microcontrôleur pour la gestion de l'envoie de données via l'émetteur radio.
- Programmation du microcontrôleur pour la gestion de la réception des données via le récepteur radio.
- Réalisation base de données pour stockage des données des capteurs sur le PC.
- Réalisation d'une interface pour la consultation des données.
Réalisation du Projet
Feuille d'heures
| Tâche | Prélude | Heures S1 | Heures S2 | Heures S3 | Heures S4 | Heures S5 | Heures S6 | Heures S7 | Heures S8 | Heures S9 | Heures S10 | Total |
|---|---|---|---|---|---|---|---|---|---|---|---|---|
| Analyse du projet | 15 | 2 | 0 | 0 | ||||||||
| Rédaction du wiki | 12 | 2 | 2 |
Prologue
La phase préparation du projet m'a permis de réfléchir sur ce que devra remplir comme fonctions le système et sur les choix matériels pour tout les aspects du systèmes:
- Le choix pour le traitement, l'envoi et la réception des données.
- Le choix pour obtenir une autonomie en énergie.
- Le choix pour que le packaging soit imperméable
Durant la phase réalisation, après discussion avec les encadrants, je me consacre pour cette partie sur l'aspect conception et réalisation de la carte qui contient:
- Un capteur de type potentiostat
- Un module radio émetteur
- Un microcontrôleur qui gérera le traitement des données reçu par le capteur et la transmission de ces données au module émetteur
- Une alimentation
Cette carte doit recevoir les données du capteur et de les transmettre à une seconde carte électronique.
Cette seconde carte contiendra:
- Un module radio récepteur
- Un microcontrôleur
- Une alimentation
Cette carte doit recevoir les données de l'autre capteur et les transmettre au PC auquel la carte sera connectée.
En résumé la partie réalisation portera et se limitera sur la conception et réalisation de ces deux cartes électroniques, l'objectif étant d'obtenir des mesures correctes du potentiostat sur un pc à distance.
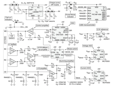
Semaine 1: Comment faire un potentiostat ?
Recherche sur la technologie du capteur de type potentiostat
Le premier PCB a réaliser en priorité est celui ou le capteur sera intégrer. Pour pouvoir établir le schématique du PCB il faut d'abord comprendre le fonctionnement du capteur et trouver des exemples déjà réalisé pour adapter la technologie pour mon utilisation.
Principe de fonctionnement
Un capteur de type potentiostat est composé de 3 électrodes :
- Électrode de travail "ET" (en platine)
- Électrode de référence "ECS" (au calomel saturé)
- Contre-électrode "CE" (en platine)
De manière à ne pas polluer la contre-électrode avec le métal de l'électrode de travail, il faut prendre le même matériaux que pour les deux électrodes
L'électrode de référence sert à mesurer le potentiel de l'électrode de travail.
L'électrode de travail ne doit être parcouru par aucun courant pour que le potentiel de cette électrode reste constant. Pour fermer le circuit on doit donc utiliser une troisième électrode la contre-électrode.
Ici le capteur aura pour objectif de pouvoir tracer une courbe intensité-potentiel grâce aux mesures effectuées sur les eaux.
La réalisation de cette courbe nécessite d'imposer une différence de potentiel entre l'ET et L'ER et de mesurer le courant traversant l'ET.
Schéma de principe
L'amplificateur opérationnel AO sert à maintenir la différence de potentiel entre la référence et l'électrode de travail aussi proche que possible du potentiel d'entrée de la source Ei. Il ajuste sa sortie pour contrôler automatiquement le courant dans la cellule de telle sorte que la différence de potentiel entre référence et travail soit aussi proche que possible de Ei.
Pour maintenir la différence de potentiel entre la référence et l'électrode de travail, j'utiliserai un convertisseur DAC (Digital to analog) comme c'est le cas dans beaucoup de schéma électrique de projets équivalents que j'ai observé.
Exemple de schéma
Apres plusieurs recherches, j'ai trouvé plusieurs projets avec des explications sur la réalisation d'un potentiostat et plusieurs schéma de réalisation qui devrait être utile pour la réalisation de ma carte:
Le point commun de ces trois montages c'est qu'ils utilisent à chaque fois 4 amplificateurs opérationnel pour la partie capteur. Pour ce qui est de fixer le potentiel entre l'électrode de travail et celle de référence, les trois schémas utilisent trois technologies différentes:
Celui de gauche utilise une sortie PWM de l'arduino pour générer une rampe à une certaines fréquence, celui du milieu utilise un pont diviseur de tension avec une source d'alimentation externe +15/-15, celui de droite utilise un DAC pour générer une rampe.
Les voltmètres de tension présent sur le schéma du milieu représenteront dans mon cas les entrées CAN du microcontrôleur.
En résumé pour réaliser mon capteur il me faut :
- Un DAC en entrée du capteur
- Deux CAN en sortie du capteur vers le microcontôleur
- 5 AOP
- Des composants passifs (résistances, condensateurs)
En reprenant les idées de ces trois schémas je devrais pouvoir réaliser le pcb comprenant le capteur une fois que j'aurai la solution technique pour le choix du microcontrôleur ainsi que pour la transmission radio sans fil.
Semaine 2: La communication sans fil ?
Choix de la technologie sans fil
Pour pouvoir communiquer les données recueillit par le potentiostat à la station à distance, les deux cartes devront donc comporter chacune un module de communication sans fil. La carte contenant le capteur contiendra donc un module d'émission et la carte qui sera relié au PC de la station contiendra un module de réception.
La communication entre le capteur et la station doit pouvoir s'effectuer sur une distance d'à peu près 5 km. Cela élimine donc de nombreux choix de protocole de communication sans fil.
On peut voir sur ce graphique les différentes technologies disponible :
Le choix de protocole se restreint donc entre la technologie GSM, Sigfox ou LoRa. Pour notre système, les protocoles de type GSM ne correspondent pas aux besoins. Le capteur transmettra peu de données et le protocole de communication devra faible en terme de consommation d'énergie.
Il ne reste plus que deux choix :
- Sigfox
- LoRa
LoRa est un réseau open-source pouvant être développé et exploité par n'importe qui dès lors qu'on achète des puces LoRa. Sigfox lui est un réseau propriétaire.
Mon choix se dirige donc vers des modules de communication LoRa.
Quelle fréquence d'émission?
Pour trouver quelles puces utiliser, il faut connaître la fréquence à laquelle le système de communication pourra être développer sans licence. Pour cela je me suis projeté dans le cas ou mon projet continuera au Vietnam. La fréquence utilisable pour développer un système sans licence est la fréquence 868 MHz comme en France comme l'indique ce document [4].
Module sélectionné, exemples d'utilisation
Pendant la préparation mon choix était porté sur le module Grove du fabricant Seed. Mais après discussion avec M.Boé, il m'a dit qu'il était préférable que le module de communication ne comporte pas de microcontrôleur puisque je devais créer une carte avec le capteur, le microcontrôleur et le module de communication.Je m'étais d'ailleurs aussi trompé sur le choix de fréquence (le module sur présent sur la liste était un module communiquant à 433MHz).
Mon choix s'est donc porté sur le module RF-LORA-868-SO qui communique à 868Mhz,ne contient que le module de communication et n'est associé avec aucun microcontrôleur.
Il existe plusieurs exemple d'utilisation du module RF-LORA-868-SO dans la fiche technique du produit:
L'objectif pour moi est donc de réaliser deux cartes qui reprendrait les éléments de cette exemple pour tester le module de communication, ou bien tout simplement d'utiliser deux breadboards. Pour cela il faut tout d'abord que je choisisse quel microcontrôleur choisir à la place du PIC présent dans l'exemple ci-dessus.
Pour réaliser les deux cartes, je suis aussi parvenu à récupérer le symbole, et le footprint du composant que je pourrais utiliser sur Frietzing.
Semaine 3: Quel microcontrôleur? Gestion de l'alimentation de la carte?
Choix du microcontrôleur
Lors de la préparation du projet, je m'étais orienté sur le choix d'un ATMEGA328P comme microcontrôleur puisque la programmation de l'ATMEGA328P nous est familière, l'ATMEGA est le microcontrôleur de la carte ARDUINO UNO que nous avons déjà programmé plusieurs fois.
Mais après discussion avec M.Boé, il m'a orienté vers des microcontrôleur STM32 de chez STMicroelectronics qui consomme moins d'énergie que l'ATMEGA et donc qui correspond plus aux besoins du projet.
Les STM32 sont disponibles sous différentes séries:
- STM32Fx,la série "Fast" servant pour des applications nécessitant des hautes performances.
- STM32Lx, la série "Low" servant pour des applications nécessitant une faible consommation d'énergie.
Mon choix s'est donc orienté vers la série STM32Lx. Après des recherches j'ai aussi vu qu'il existait des cartes de développement "Nucleo" qui utilise cette série de microcontrôleur.



