Micro-robots communicants : Différence entre versions
(→Semaine 4) |
(→Semaine 3) |
||
| Ligne 323 : | Ligne 323 : | ||
=== <span style="color:#6FB7B7">Semaine 3</span> === | === <span style="color:#6FB7B7">Semaine 3</span> === | ||
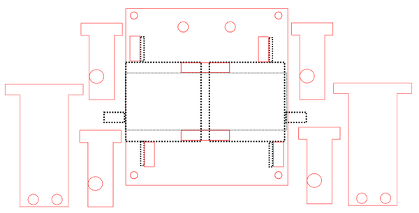
| − | *Après beaucoup d' | + | *Après beaucoup d'essais j'ai fabriqué le chassis comme montré sur la figure suivante : |
[[Fichier:xxy18.png|thumb|500px|left|Chassis servo-moteurs]] | [[Fichier:xxy18.png|thumb|500px|left|Chassis servo-moteurs]] | ||
Version du 28 juin 2017 à 14:08
Sommaire
Cahier des charges
Présentation générale du projet
Objectif du stage
L'objet de ce projet est de concevoir et fabriquer des robots mobiles relativement petits, simples et peu coûteux. Les robots devront pouvoir communiquer entre eux par infrarouge. La simplicité et le bas côut de fabrication des robots doit permettre d'en fabriquer en nombre suffisant pour simuler des comportements d'essaim d'insectes.
Description du stage
L'objectif de mon stage est de réaliser une petite carte de contrôle de robot mobile. Les robots pourront avoir trois types de motorisations : vibreurs, servo-moteurs continus et micro-moteurs.
I faut d'abord concevoir la carte en se basant sur les cartes déjà conçues à l'école. Il m'est demandé de partir d'une carte basée sur un ATMega328p et un contrôleur Ethernet. J'ai retiré ce dernier, le convertisseur de niveaux et d'autres composants inutiles pour mon projet. Il faut ajouter un contrôleur de moteur (TB6612), des détecteurs infrarouges (3 TSOP IR) , une LED infrarouge et des lignes pour les servo-moteurs. La carte doit être la plus petite possible, il a été un temps envisagé de positionner le contrôleur de moteurs sur la face inférieure.
Par la suite, il faudra écrire le code ATMega328p pour générer les PWM nécessaires aux servo-moteurs ou au contrôleur de moteurs. Pour la communication nous utiliserons le protocole RC5 qui permet une certaine immunité à la lumière ambiante.
Enfin, nous allons tester les trois motorisations: vibreurs, servo-moteurs continus et micro-moteurs pour vérifier le bon fonctionnement de la carte. Si plusieurs robots fonctionnent certains seront programmés pour repérer les autres et les poursuivre.
Avancement du stage
Semaine 1
Durant la première semaine, j'ai d'abord consulté quelques documents pour mieux comprendre ce projet.
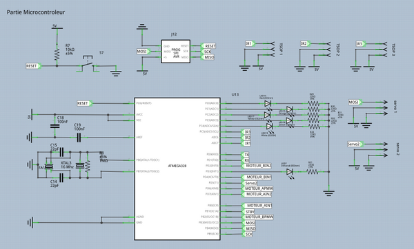
Ensuite j'ai réalisé le schématique de la carte contrôleur à l'aide du logiciel Fritzing principalement en ajoutant la partie contrôle de moteurs.
Les figures suivantes constituent la schématique de la carte :
Après la schématique, je me suis attaqué au routage de la carte.
Semaine 2
Dans la deuxième semaine, j'ai modifié un peu la partie micro-contrôleur de la schématique pour ajouter un quartz de plus faibles dimensions, comme ça, lors du soudage de la carte on pourra choisir de souder l'un ou l'autre.
Et j'ai ajouté les leds aussi.
J'ai ensuite terminé le routage.
Liste de composants
Il m'a été demandé la liste exhaustive des composants nécessaires pour les micro-robots.
Le micro servo-moteur a rotation continue sélectionné est un FS90 [1]. Ses dimensions sont 23,2 X 12,5 X 22 mm.
Chassis
Après avoir établie la liste des composants, j'ai commencé à concevoir les 2 chassis :
- un chassis pour le robot avec servo-moteurs ;
- un chassis pour le robot avec les vibreurs.
Les chassis ont été réalisés avec une découpeuse laser sur du plexiglass. Les découpes ont été dessinées avec le logiciel inkscape.
Semaine 3
- Après beaucoup d'essais j'ai fabriqué le chassis comme montré sur la figure suivante :
- Dans la troisième semaine, j'ai soudé les composants de la carte.
Semaine 4
- Dans la quatrième semaine, j'ai assemblé le robot et testé les fonctionnements des servo-moteurs et les vibreurs. Et ça marche bien.
- J'ai étudié les codes de servo-moteur continu et les protocoles infrarouge.
- J'ai écrit les codes et réalisé le contrôle de mouvement avec une télécommande IR de PHILIPS.
- J'ai rencontré des problèmes :
- L'orientation de TSOP1 est inversée sur le PCB, il faut le souder en croisant des pattes.
- les TSOPs doivent être liés à des broches d'interruption mais ils sont liés à des broches ADC, il faut modifier.
- Pour la partie d'alimentation, il faut ajouter un interrupteur pour économiser la pile.
- On va lier le VCC de chaque TSOP directement sur des sorties de l'ATmega pour choisir celui à utiliser.
Semaine 5
* Parce que le chassi de servo moteur n'est pas très stable, chaque fois si on le commande de avancer et reculer très rapide, il va tomber.
Donc j'ai modifier le chassi de servo moteur pour inverser le direction de battery et j'ai changé les roues qui ont les tailles plus petites:![]()
* J'ai aussi modifié le chassi de vibreur, j'ai mis les dentes dans le chassi de vibreur pour que le vibreur pouvoir faire le movement dans les directions commandé.
* J'ai conçu un chassi pour le motor aussi, pour le motor, c'est à peu près de chassi servo moteur, mais juste le taille de moteur est un peu plus grand que le servo moteur:![]()
Semaine 6
- Dans la dernière semaine, j'ai soudé 2 cartes qui sont même que la carte principale. Un pour le robot de vibreur et l'autre pour le robot de moteur à courant continu.
- J'ai aussi essayé de écrit les codes en C pour le robot de moteur à courant continu.
Fiches rendus
Rapport
*Fichier:Rapport de stage de XUXinyue.pdf
Les fichiers
* Fichier:3 châssis des robots.zip * Fichier:Code infra servo.zip






