Gestion afficheurs, 2011/2012, TD3 : Différence entre versions
(→Rapport) |
(→Qualité de la réalisation) |
||
| (13 révisions intermédiaires par 3 utilisateurs non affichées) | |||
| Ligne 5 : | Ligne 5 : | ||
=== Gestion de projet / rédaction Wiki === | === Gestion de projet / rédaction Wiki === | ||
| − | Rédaction correcte du Wiki (avec illustration) | + | Rédaction correcte du Wiki (avec illustration). La partie gestion de projet est abordé. Une vidéo relativement correcte fournie. |
| − | Note | + | |
| + | * Informatique : Trop de coquilles dans le dernier paragraphe. Note 80%. | ||
| + | * Electronique : Manque de détails. Note 75%. | ||
=== Test fonctionnels === | === Test fonctionnels === | ||
| − | * Sous-système : Le système est fonctionnel | + | * Sous-système : Le système est fonctionnel. Interconnexion FoxBoard/NanoBoard (voir vidéo). Note 120%. |
| − | |||
=== Qualité de la réalisation === | === Qualité de la réalisation === | ||
| − | * Informatique : | + | * Informatique : Note : 70%. |
| − | ** procédure de test : Pas de <tt>README</tt> sur la FoxBoard. Un site web mais la régulation de vitesse ne | + | ** procédure de test : Pas de <tt>README</tt> sur la FoxBoard, cependant le fichier a été ajouté ensuite sur la page du Wiki. Un site web mais la régulation de vitesse ne fonctionne pas. Note 75%. |
** pages HTML et Javascript : Page HTML correcte, script JS correct mais copie conforme du projet du TD1. Note 50%. | ** pages HTML et Javascript : Page HTML correcte, script JS correct mais copie conforme du projet du TD1. Note 50%. | ||
| − | ** scripts PHP ou programmes C : Programme non | + | ** scripts PHP ou programmes C : Programme non plagié, coté affichage correct mais la gestion de la vitesse de défilement n'est pas vraiment abordée. Note 75%. |
| − | ** installation sur FoxBoard : Pas de tentative de démarrage automatique du démon série. | + | ** installation sur FoxBoard : Pas de tentative de démarrage automatique du démon série. Deux sources : le source pour le banc d'essai et le source pour la NanoBoard. Note 75%. |
| − | * Electronique : | + | * Electronique : Note : 85%. |
| − | ** qualité de la réalisation : | + | ** qualité de la réalisation : La conception est correcte. Peu d'informations dans le wiki sur le fonctionnement de votre schéma électrique. Note 70%. |
| − | ** tests autonomes : | + | ** tests autonomes : Test de la partie électronique fonctionnel, mais aucun rapport de test. Note 90%. |
=== Bilan === | === Bilan === | ||
| − | + | Note finale : 90% => 18/20 | |
| − | + | == Vidéo == | |
| + | <include nopre noesc src="/home/pedago/pimasc/include/video-Afficheurs7segments2011TD3-iframe.html" /> | ||
| + | Vidéo du projet. | ||
| + | <br style="clear: both;"> | ||
== Le 20 avril 2012: == | == Le 20 avril 2012: == | ||
Version actuelle datée du 22 juin 2012 à 15:21
Sommaire
Gestion d'afficheurs 7-segments
Evaluation informatique et électronique
Gestion de projet / rédaction Wiki
Rédaction correcte du Wiki (avec illustration). La partie gestion de projet est abordé. Une vidéo relativement correcte fournie.
- Informatique : Trop de coquilles dans le dernier paragraphe. Note 80%.
- Electronique : Manque de détails. Note 75%.
Test fonctionnels
- Sous-système : Le système est fonctionnel. Interconnexion FoxBoard/NanoBoard (voir vidéo). Note 120%.
Qualité de la réalisation
- Informatique : Note : 70%.
- procédure de test : Pas de README sur la FoxBoard, cependant le fichier a été ajouté ensuite sur la page du Wiki. Un site web mais la régulation de vitesse ne fonctionne pas. Note 75%.
- pages HTML et Javascript : Page HTML correcte, script JS correct mais copie conforme du projet du TD1. Note 50%.
- scripts PHP ou programmes C : Programme non plagié, coté affichage correct mais la gestion de la vitesse de défilement n'est pas vraiment abordée. Note 75%.
- installation sur FoxBoard : Pas de tentative de démarrage automatique du démon série. Deux sources : le source pour le banc d'essai et le source pour la NanoBoard. Note 75%.
- Electronique : Note : 85%.
- qualité de la réalisation : La conception est correcte. Peu d'informations dans le wiki sur le fonctionnement de votre schéma électrique. Note 70%.
- tests autonomes : Test de la partie électronique fonctionnel, mais aucun rapport de test. Note 90%.
Bilan
Note finale : 90% => 18/20
Vidéo
Vidéo du projet.
Le 20 avril 2012:
Lors de cette séance, nous avons divisé le groupe en deux: Nicolas Husse, s'occupant de la partie informatique et Mathieu Lenormand et Matthias Debie pour la partie électronique. Pour la partie informatique, le programme conçu permet actuellement d'envoyer, à partir d'un tableau de caractère converti en 7 segments, chaque caractère de ce tableau. Pour la partie électronique, nous avons commencé à concevoir un schéma électronique qui permet de recevoir 4 octets via une liaison série. Nous avons câblé ensemble plusieurs composants déjà vu en cours (comme : démultiplexeur, multiplexeur, bascule D....). Nous l'avons testé, toutes les étapes de compilation ont aboutis mais à la simulation nous avons eu un problème d'affichage (les caractères s'affichaient sur un afficheur à la fois au lieu de tous ensembles). Le but de cette séance est de remédier à cela.
Le 11 mai 2012:
Prévisions:
Le but de séance pour la partie informatique est de concevoir l'interface utilisateur afin d'afficher la chaîne de caractère rentré par l'utilisateur sur les afficheurs 7 segments.
Travail effectué:
L'interface utilisateur est fonctionnel ainsi que le codage du code ASCII vers les 7 segments (sauf caractères spéciaux et K, M, V, W, X, Z)
Pour la partie électronique, nous avons fait les modifications nécessaires pour résoudre l'affichage sur les 4 afficheurs simultanément. Ensuite nous avons cablé la maquette des 4 afficheurs au FPGA et nous testé sont bon fonctionnement. Ensuite nous avons amélioré notre cablage pour qu'il corresponde aux codes de la partie logicielle (le trait du haut représente le bit 0 et ainsi de suite comme sur un afficheur standard).
Le 21 mai 2012
Prévision:
Pour la partie informatique, le programme doit être intégré et adapté à la FoxBoard. Pour la partie électronique, pour faciliter l'intégration du programme nous allons rajouter des portes inverseuses car le programme a été fait en logique inverse (0 pour allumer, 1 pour éteindre).
Travail effectué:
Pour la partie électronique, en accord avec la partie informatique nous n'avons pas rajouté de porte inverseuse, le code sera changé dans la partie informatique. Cependant nous avons rajouté le bloc réception pour pouvoir utiliser la foxbord dicrectement reliée au FPGA par liaison série. Nous avons testé le code de la partie informatique et remarqué des caractères qui ne correspondaient pas au message envoyé car nous n'avions pas encore la mise à jour de la partie informatique. Pour la partie informatique, après quelques difficultés pour prendre en main la FoxBoard et envoyé le programme dessus, celui-ci a directement était fonctionnel avec l'Arduino. Cependant comme dit précédemment, la mise en commun avec la partie électronique n'a pas été un succès car le tableau de conversion n’est pas le même.
Le 24 mai 2012
Prévision:
Le but de cette séance supplémentaire est de terminer la fusion entre la partie informatique et la partie électronique.
Travail effectué:
Le nouveau tableau de conversion du programme est fonctionnel cependant lorsque l'on dépasse quatre caractères dans le message à afficher, le défilement pose problème. Un essai de régulation de la vitesse ainsi que de l'arrêt du programme par l'interface web a été testé mais le résultat n'a pas été probent et l'affichage n'était plus fonctionnel. Il a été décidé de l'enlever pour fournir un programme fonctionnel.
Rapport
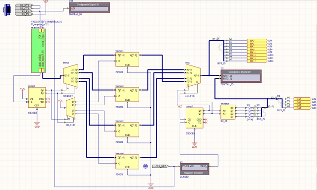
Partie électronique:
Ce schéma est constitué de:
- 2 compteurs (CB2CES)
- 2 démultiplexeurs (M8_B1B4, M1_S1S4)
- 1 multiplexeur (M8_B4B1)
- 4 bascules (FD8CB)
- 1 decodeur (D2_4S)
- 12 sorties
- 1 horloge correspond à celle de la nanoboard
- un bloc de réception
- 1 bloc pour le port série RS232
En bas à droite de la plaquette blanche on a branché les douzes sorties elles-même reliées par une nappe 20 broches au port HA de la nanoboard (8 pour le mot binaire à afficher et 4 pour la selection)
Eu haut à gauche de la plaquette blanche on a la connexion entre les deux prises femelles du port série (relié entre la nanoboard et la forxboard)
Partie informatique:
Deux versions du programme sont présent sur la Foxboard: "prog_a.c" pour les afficheurs 7-segments liés à l'Arduino et "prog.c" pour les afficheurs 7-segments conçu dans la partie électronique. Seul le tableau de conversion est changé dans le programme. En effet, le code envoyé aux afficheurs ne sont pas les mêmes entre l'Arduino et la réalisation de la partie électronique: Les bits 0 sont remplacés par des 1 et inversement et le sens entre le bit de poids fort et le bit de poids faible sont inversé. Le tableau de conversion ASCII/7-segments est issue de ce tableau: Lien
Pour la partie web, seul l'envoie du texte est fonctionnel. La régulation de la vitesse et l'arrêt du programme, prévus à l'origine, ne sont pas actif car non fonctionnel lors des test.
Le README est disponible ici: Média:Readme.txt
Malgré les problèmes, une vidéo a été tourné et est disponible ici: [lien].
